Всичко свързано с тоците ми е слабост, опитайте се да ме затрудните.
radkooman - напреднал
Здравйте,

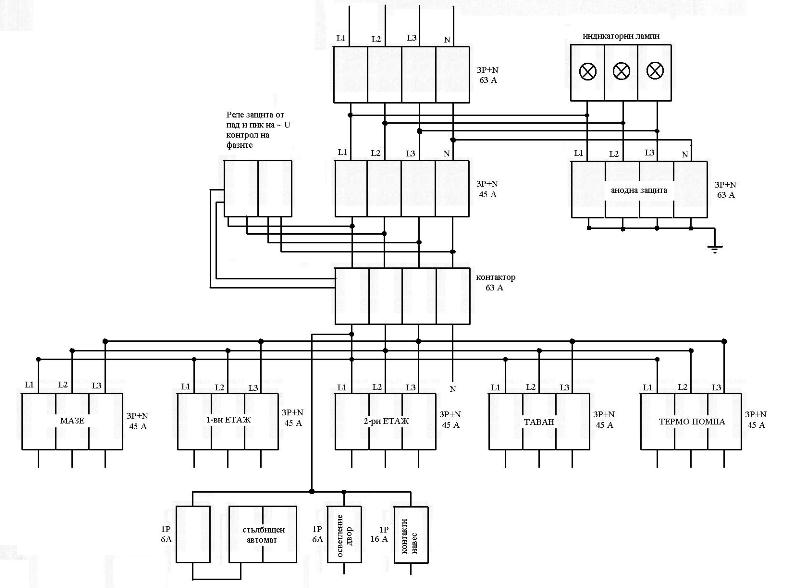
Предстои ми изграждане на ел. табла на двуфамална къща.
Моля за мнение и предложения на скищите които съм направил.

Благодаря ви !

Прикачен файл

Главно Табло.JPG
Главно Табло.JPG (56.35 KиБ) Видяна 5382 пъти

Прикачен файл

Табло втори етаж-1.JPG
Табло втори етаж-1.JPG (46.8 KиБ) Видяна 5382 пъти
pavelari - майстор
Интересни табла. На пръв поглед модерни и добре оборудвани табла.
Но
Сложи за главни автомати нещо на 10 или 15 KA. Даже едната схема е с два автомата един след друг?!? Стойностите също са странни - бушони ли ще слагаш?
Не виждам дежурни кръгове - защо да оставам на тъмно заради някакви пикове, падове, аномалии, депресии по някоя от фазите. Или изгоряла бобина на контактор, шашаво реле за фази /често се случва след година-две работа/, прецакан ключ карта. Съветвам те да изведеш някои неща преди въпросния контактор - и без това ще са монофазни и ще има що-годе гарантирана нула - предполагам ще е налично добро заземяване с 5-6 кола и т.н., както и предполагам ще има обединени нула и земя - или не?! не се вижда от схемата
Съветвам те да ползваш табло на HENSEL!!! Тези табла които ти препоръчвам имат много сериозни клемореди и при това за нула - клемореда може да се насече на 5-6 отделни клеморедчета. Пластмасови са и са надеждни - дори сериозни бих казал /като за този клиент/
Изгарянето на контактор може да се закърпи с паралелно вързан разединител /ще го вдига компетентно лице естествено след анализ/.Не за друго - клиентите които купуват такива табла често искат да им пуснеш ток с пистолет на шията :)
radkooman - напреднал
Въпросът с отказалия контактор може да се реши с авариен 3-полюсен превкючвател успоредно на него. Не съм работил с контактори и незнам какво мога да очаквам но един превкючвател няма да натежи много.
Релето го слагам защото до сега 2-пъти съм си патил от енергото и по добре 2-3 минути на тъмно от колкото да пиша жалби и те да не ги удобряват !! :lol:
Инсталацията която съм прекарал на всякъде е 3 проводна без осветлението / въпреки че и там има земя до кючовете /.
Не разбрах само защо нулата се заземява - нали има заземление ?
И защо 5-6 кола 1 не е ли достатъчен ?
mirk - майстор
На пръв поглед от схемата с ниска резолюция се вижда че РЕ ти е към заземител <10ома и има оставен токов кръг БЕЗ ДТЗ само на АП което си е опасно - третия от дясно на ляво, не се чете какво е. 10ома е твоя заземител + 4ома в трафото стават 14ома по контура на повредата, тока който ще протече при късо съединение в тази верига е 220/14=15.7А мислиш ли колко време ще му трябва на АП 10А да сработи :lol: 10-20 минути докато му се изкриви биметала за това време ще имаш напрежение върху корпуси защитени от този предпазител 15.7*10=157V :shock: достатъчно някой да го втресе за последно.

Варианти за решаване на проблема:
1 на всички кръгове без изключение ДТЗ+АП,
2 ако ще има такива без ДТЗ се свързват нула и РЕ в главаното табло за да се осугури импеданс с ниско съпровтивление по веригата на късо съединение.

От блоковата схема: няма смисъл от автомат 45А след такъв 63А съгласуването между двата не е добро и сам си ограничаваш мощноста. :? каква е тази стойност 45А да не е 40А.

Относно заземителите за които се чудиш - колкото повече толкова по добре, обаче и 20 да сложиш през 20см ефект няма, трябва да са на достатъчно растояние един от друг и да не са корнизи за пердета :lol: щото един от форума искаше с това да заземява :lol: а стандартни заземителни поцинковани винкели.
pavelari - майстор
mirk написа:
ато му се изкриви биметала за това време ще имаш напрежение върху корпуси защитени от този предпазител 15.7*10=157V :shock: достатъчно някой да го втресе за последно.
Направо си е 220 волта това напрежение!! Представи с и допир на фаза до корпуса а 10-те ома са един допълнителен консуматор след точката на късото.
Понижаване на това напрежение има само ако късото е след доълнително съопротивление /т.е. токът минава през консуматор-част от консуматор с малка мощност/
A. . . тези 4 ома от къде ще дойдат при разделена нула и земя.. и защо последователно :? ?
абе - горе долу си е така ама ако няма други /чужди/ заземители наблизо
mirk - майстор
А сега де, веригата на тока на късо съединение е:
фаза - корпус - заземител 10ома на къщата - земя - заземител 4ома в трафото - нула(звезден център)

Просто за да срещнеш фазата с нулата и да падне предпазителя имаш два заземителя последователо твоя и този в трафопоста и затова казвам че това положение само с предпазител е опасно. А дали са 150 или 220 все тая еднакво опасни са.
pavelari - майстор
Да де ама това е ако си на сред полето и нямаш съседни обекти със заземители /обединени с нула например/, метални тръби на занулени бойлери и т.н. Така потенциала на земята на която си стъпил не зависи само от твоя заземител /при необединени нула и земя/
При обединени нула и земя работата е ясна - късото е късо, уфазяването е уфазяване...

Та пътя е този и не баш баш, както и тока не е точно този - нали така?
И аз съм за обединяване на нула и земя - както и ти и е ясно защо!
Заземителите обаче си влияят
Като цяло ти разбрах идеята - правилна е, но е свръх идеализирана.
mirk - майстор
Както и да е, не е мястото да пълним темата на човека с излишни работи най вероятно неразбираеми за него :prost:

Важното е да разбере че този който му е чертал схемата му е закачил една противопехотна мина, 10 амперовка :lol: сапьора да я търси в токов кръг №12 , така и не можах да го прочета какво е.
pavelari - майстор
и още по-важното е да знае, че демо версията на pavelari u mirk не включва самия монтаж :)
radkooman - напреднал
Привет и от мен.

Цял ден съм на бачкане и само чета и не мога да се вкюча.
Схемата е чертана от ел. инжинер но е силно преработвана от мен.
Аз не съм дипломиран инжинер но съм завършил Попов и имам някаква представа!
Та за 12 кръг той тегли фаза преди контактора и е включен към L2.
Това е аварийен кръг за контакти като хладилникт тунер, тв, часовник, дето си забравя паметта при спиране на тока.
Малко разяснение:
1вата схема е на главното табло, а 2-рата е на вторият етаж, за сега само това ми престой ката изграждане, пък за в бъдещи дай боже и другите :)

Ето и линк с четливи снимки !
http://dox.abv.bg/files/listtree

Моля за дискутиране на връзването на анодната защита.

Нужен ли е този 3Р+N 45 A който съм сложил там ???

Тема "Инсталация на къща - кажете си мнението, дайте предложения" | Включи се в дискусията:


Сподели форума:

Бъди информиран. Следвай "Направи сам" във Facebook:

Намери изпълнител и вдъхновения за дома. Следвай MaistorPlus във Facebook: