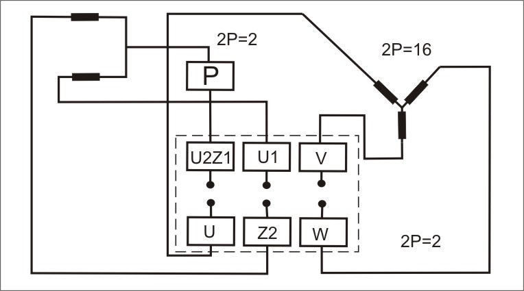
От стара пералня "Перла 05" ми остана годен електродвигател Запазил съм и всички кабели и карантии. Искам да използувам електродвигателя, но не знам как да го свържа. Той е тип ЕДБП-16/2 0,06/0,18 kW. На талелката му има схема, която преписах. Куплунгът води проводниците в програматора, а там нищо не може да се разбере. Освен това има и кондензатор 20мF, но свързването му е също през програматора. Ако някой е в час с тази техника, моля да ми помогне. Искам: 1. да работи на максималните обороти. 2.да променям посоката на движение. 3. да намалям оборотите /това не е задължително, но е добре да знам каква е възможността/
Прикачен файл
shema.jpg (41.86 KиБ) Видяна 5661 пъти
