Всичко свързано с тоците ми е слабост, опитайте се да ме затрудните.
ga_lin85 - помощник
здравеите може ли някой да ми помогне,имам mp3 jvc без панел и искам да му използвам стъпалото което е (la4743k).ето малко инфо за него,някои работи ги схванах но захранването( :? :? :? ).благодаря предварително,и се извинявам ако нещо не е както трябва

Прикачен файл

la4743k.rar
(75.63 KиБ) Свален 166 пъти
ga_lin85 - помощник
като начало какво се има предвит(6ти кракVcc1/2и20кракVcc3/4)и какво се подава на тях :?:
moimoimoi - майстор
ами от сайта който дадох в схемата се вижда че нищо не се подава на 6 и 20 крак-има връзка между тях и от там 2 кондензатора 2200мф и 0.022мф
ga_lin85 - помощник
ако можеш ми разясни къде какво се подава :hilfe:
ga_lin85 - помощник
навярно вече се е разбрало че съм доста назат с материала,но все пак искам да опитам ](*,)
ga_lin85 - помощник
от това което аз разбирам излза ,че (+)се подава на4и22крак,а какво ще кажете за16и10крак(обясненията по долу в pdf-а)
petromaniq - специалист
Ти PDF-a ли гледаш??? Плюс(захранване) ти се подава на Vcc(6 & 20) а на (10 & 16) имаш кондензатори към маса (рипъл филтри).
moimoimoi - майстор
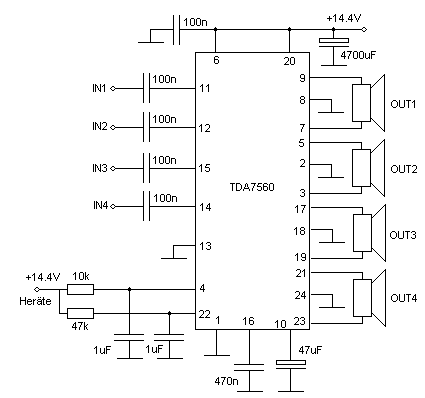
виж тази схема,на TDA7560 е ама е същата по принцип, само някой елементи са с други стойности
това тда7560 се слага в цд-тата pioneer

Прикачен файл

tda7560-audio-amplifier.gif
tda7560-audio-amplifier.gif (4.27 KиБ) Видяна 4191 пъти
ga_lin85 - помощник
moimoimoi,съгласен ли си с petromania за6и20крак :?:

Тема "нискочестотни усилватели" | Включи се в дискусията:


Сподели форума:

Бъди информиран. Следвай "Направи сам" във Facebook:

Намери изпълнител и вдъхновения за дома. Следвай MaistorPlus във Facebook: