Всичко свързано с тоците ми е слабост, опитайте се да ме затрудните.
xborox - напреднал
Реших да си направя една въжена система с лунички, но поради факта, че помещението е голямо, имах нужда от поне 400Вт мощност. Тъй като не можах да намеря такъв траф, взех два по 250Вт и реших да ги свържа паралелно. Има ли възможност да го направя директно или не става поради факта, че токът при тези трафове не е прав, а е променлив.
Благодаря предварително (-;
velsi - Почетен майстор
Няма никакъв проблем да свържеш трансформаторите паралелно на 220В. За да няма проблеми с луничките обаче не е лошо да ги разделиш на повече кръгове. Имам предвид кабела от трансформатора да захранва най-много 3-4 лунички. После нов кабел пак от трансформатора... нови 3-4 и така нататък. Ще ти отиде повече кабел, но после няма да имаш ядове. Помисли и за отделно палене с двоен ключ примерно, докато има време и ги вържи през една. Така, ако искаш по-слабо осветление палиш само едната верига, а и икономия ще постигнеш. Успех!
8180 - майстор
xborox,
Velsi по принцип е прав, но не ти отговаря директно на въпроса.
НЕ МОЖЕ (или поне не се препоръчва) паралелно свързване на трафовете. На 220 естествено са паралелно свързани, но тебе явно те боли откъм 12V. И не е проблема в променливия ток - те трансформаторите работят само на такъв.
Решения:
1. Прекъсваш едното въже (или и двете) в средата и всяка половина захранваш от отделен траф.
2. Пускаш трето въже и редиш луничките през една, както пише Велси със съответните ексти, споменати от него. Третото въже го свързаш и към двата трафа при 12В. Другите две самостоятелно към един траф.

Провери въжетата държат ли на 400W (ок. 35А) - общото въже ще се натовари толкова и може да намалее светенето. Ако не - вар.1 с прекъсване и на ДВЕТЕ въжета.
xborox - напреднал
Ами и аз обмислях днес варианта с прекъсване на въжето, колкото и да не ми се искаше. Схемата е ясна, ето я:
Изображение.
Тъй като трафовете са едновременно и обтегачи, вероятно няма да използвам трето въже. Мерси все пак за идеята, хареса ми (-;
Palawnik - специалист
xborox написа:
Ами и аз обмислях днес варианта с прекъсване на въжето, колкото и да не ми се искаше. Схемата е ясна, ето я:
Изображение.
Тъй като трафовете са едновременно и обтегачи, вероятно няма да използвам трето въже. Мерси все пак за идеята, хареса ми (-;
Би ли ни обяснил малко по-подробно тази схема. На мен нещо не ми стана ясна.
xborox - напреднал
Ами това ми беше първоначалната идея - два трафа по 250 Вт, свързани успоредно на изхода на 12 волта и 12 лунички (в случая на старата схема съм нарисувал 6, защото не ми се занимаваше). Реално на схемата не съм изобразил правилно трафовете, но отново поради факта, че нямах много време. Затова слагам нова по-добре направена (-;

Прикачен файл

shema.jpg
shema.jpg (16.89 KиБ) Видяна 12402 пъти
Последна промяна от xborox на пон ное 13, 2006 10:36 pm, променено общо 1 път.
masteradmin - майстор
Според мене не е много правилно, не знам какви трафове ползваш, но има риск от дефазиране и това неизменно ще доведе до вътрешен ток които няма да минава през крушките, по-добре просто прекъсни средните проводници.
Винаги оставяи малко мощност в запас. По добре да имаш 2 трафа по 135W от колкото един от 270W (заради пада).
Наи добре по 3 крушки на траф, ако са по 35 W си вземаш 150 W траф ако са по 50W - си вземаш 180 W. Това е наи доброто разпределение според мене за начинаещи.
Иначе ако си манияк и разбираш нещо от падове, връзки и сечение на проводници може да си намериш огромен траф и всички да ги вържеш към него,но това е наистина за напреднали.
Palawnik - специалист
xborox написа:
Ами това ми беше първоначалната идея - два трафа по 250 Вт, свързани успоредно на изхода на 12 волта и 12 лунички (в случая на старата схема съм нарисувал 6, защото не ми се занимаваше). Реално на схемата не съм изобразил правилно трафовете, но отново поради факта, че нямах много време. Затова слагам нова по-добре направена (-;
Изображение
Така даже аз я разбрах :?.
При тази схема съществува един проблем. Ако в помещението има трифазен ток и единия траф е на една фаза, а другия на друга фаза. ВНИМАВАЙ като ги свързваш. Другия проблем ще стане ако един изгори единия траф в много скоро време ще изгори и другия. Даже така ако дължината на проводниците е много голяма в средата ще светят по-слабо от тия в края.
Пак помисли дали все пак няма начин да ги разделиш на няколко места по 3-4 лампи.
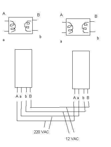
pavelari - майстор
под паралелна работа на трансформатори се разбира работата на два или повече трансформатора, когато техните едноименни изводи са обединени. монофазните трансформатори имат две намотки - първична и вторична, каот всяка от тях има условно избрани начало и край, като не е за пренебрегване фактора - посока на навиване на намотката.
при трансформаторите серийно производство, няма как да са разбъркани. Паралелно могат да работят само трансформатори с еднаква мощност, еднакви първични и вторични напрежения - следователно и коефициент на трансформация. ако трафовете не са еднакви течат уравнителни токове, които излишно и неефективно ги натоварват. няма причина схемата която е избрана от колегата да не работи ако спази тези правила и свърже трафовете по снимката в атача
Тези правила не важат за т.нар електронни трафчета - може да станат фоерверки от тях.

Прикачен файл

shema.JPG
shema.JPG (16 KиБ) Видяна 12465 пъти
xborox - напреднал
Обмислих ситуацията и прекъснах единия кабел, за да направя два контура. Тази технология я мислех и преди, защото ме притесняваше факта, че ако единият траф гръмне, и другият ще го отнесе, защото ще се натовари двойно (както и Palawnik спомена).
Трафовете са по 250 Вт, а натоварването им е по 210, така че резерв имам достатъчно.
Направих проба със свързване на двата трафа паралелно още в началото, тъй като са абсолютно еднакви. Явно обаче има проблем, тъй като моментално изтрещяха предпазителите и не исках да продължавам с опитите. Може би просто не съм свързал вторичните намотки, както pavelari писа. За първичните съм сигурен, но така или иначе вече този проблем реших да го отстраня с изграждането на два контура.
Благодаря за съдействието. Системата вече е опъната и работи (-;

Тема "Паралелно свързване на трансформатори" | Включи се в дискусията:


Сподели форума:

Бъди информиран. Следвай "Направи сам" във Facebook:

Намери изпълнител и вдъхновения за дома. Следвай MaistorPlus във Facebook: