Такааа ... Първо - малко въведение :
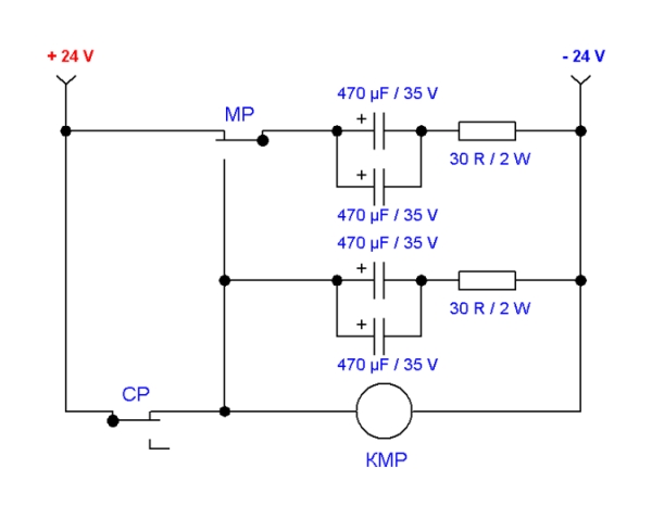
Това е действаща, оригинална схема за контрол на мигачно напрежение.
Означенията в схемата :
СР - Сигнално Реле
МР - Мигачно Реле
КМР - Контрол Мигачно Реле
В нормално състояние СР е задействано и подава напрежение на КМР - то също е задействано. Целта е когато СР отпадне и неговият контакт прекъсне едната верига на КМР (тогава МР започва да работи в мигачен режим ) - това мигачно напрежение да се контролира - т.е. ако МР работи в мигачен режим, реле КМР трябва да седи постоянно задействано, ако по някаква причина реле МР престане да работи в мигачен режим, реле КМР да отпадне.
Дотук - добре. Схемата работи. Въпросът ми е следния :
От математическа гледна точка двете групи кондензатори по 470 микрофарада могат да се заменят с два кондензатора от по 1000 микрофарада, нали ?
Но защо в схемата са начертани два по 470, а не един - 1000 ?
Какво се има предвид ??
На мен единственото нещо, което ми хрумва е, че може би два кондензатора с по-малък капацитет биха се зареждали по-бързо отколкото един с по-голям капацитет ...
На прав път ли съм ?
Това е действаща, оригинална схема за контрол на мигачно напрежение.
Означенията в схемата :
СР - Сигнално Реле
МР - Мигачно Реле
КМР - Контрол Мигачно Реле
В нормално състояние СР е задействано и подава напрежение на КМР - то също е задействано. Целта е когато СР отпадне и неговият контакт прекъсне едната верига на КМР (тогава МР започва да работи в мигачен режим ) - това мигачно напрежение да се контролира - т.е. ако МР работи в мигачен режим, реле КМР трябва да седи постоянно задействано, ако по някаква причина реле МР престане да работи в мигачен режим, реле КМР да отпадне.
Дотук - добре. Схемата работи. Въпросът ми е следния :
От математическа гледна точка двете групи кондензатори по 470 микрофарада могат да се заменят с два кондензатора от по 1000 микрофарада, нали ?
Но защо в схемата са начертани два по 470, а не един - 1000 ?
Какво се има предвид ??
На мен единственото нещо, което ми хрумва е, че може би два кондензатора с по-малък капацитет биха се зареждали по-бързо отколкото един с по-голям капацитет ...
На прав път ли съм ?
Прикачен файл
KMR.jpg (40.09 KиБ) Видяна 5304 пъти