Първо да се извиня, че съм лаик (поназнайвам, но никога не съм се занимавал).
Отдавна ми се върти една идея, а откакто видях един кит на Velleman VM 110 нещата загрубяха страшно (ще трябва да се прибягва до фонда 'и аз съм човек'
).
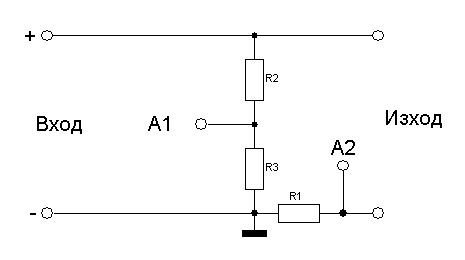
Платката има два аналогови входа:
* 2 analog inputs with attenuation and amplification option (internal test +5V provided) - както са написали в спецификацията
или по нашенски:
* 2 аналогови входа с опция за намаляване и усилване (осигурен е +5V вътрешен тест).
Идеята е да измервам в реално време (през предварително зададени интервали), като записите да съхранявам в лог (мога и в некакъв SQL да ги натикам, така че да са достъпни и през WEB-a), към кита има DLL-ите за управление на платката, така че 'сичко е ток (програмирането не ми е проблем).
Интересува ме дали през тези аналогови входове на VM110 мога да измервам ток и напрежение (ерго електрическа мощност).
Характеристиките и диапазона на измерваните величини са:
- ток: DC, max 0-30 A;
- напрежение: max 0-48 V.
От друга страна платката има и 5 дигитални входа.
Ако някой има идея ще му бъда много признателен в бира, да ме отърве от дилемата дали да прехвърля малко средства от семейния бюджет към фонда 'и аз съм човек'
.
Благодаря предварително.
Отдавна ми се върти една идея, а откакто видях един кит на Velleman VM 110 нещата загрубяха страшно (ще трябва да се прибягва до фонда 'и аз съм човек'
Платката има два аналогови входа:
* 2 analog inputs with attenuation and amplification option (internal test +5V provided) - както са написали в спецификацията
или по нашенски:
* 2 аналогови входа с опция за намаляване и усилване (осигурен е +5V вътрешен тест).
Идеята е да измервам в реално време (през предварително зададени интервали), като записите да съхранявам в лог (мога и в некакъв SQL да ги натикам, така че да са достъпни и през WEB-a), към кита има DLL-ите за управление на платката, така че 'сичко е ток (програмирането не ми е проблем).
Интересува ме дали през тези аналогови входове на VM110 мога да измервам ток и напрежение (ерго електрическа мощност).
Характеристиките и диапазона на измерваните величини са:
- ток: DC, max 0-30 A;
- напрежение: max 0-48 V.
От друга страна платката има и 5 дигитални входа.
Ако някой има идея ще му бъда много признателен в бира, да ме отърве от дилемата дали да прехвърля малко средства от семейния бюджет към фонда 'и аз съм човек'
Благодаря предварително.
