Всичко свързано с тоците ми е слабост, опитайте се да ме затрудните.
hygro - майстор
Тъй де - ама май и за теб резултатът ще е изненада :wink:
hygro - майстор
Погледнах отново задачката и този път хванах себе си в инерция на мисълта :lol: Но тъй като никой не го забеляза, ще изчакам отговорите преди да се самокритикувам :-D
Johny - майстор
Аз вече се разкритикувах....110V

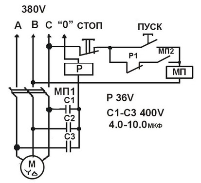
И една схемка за защита по този повод.

Прикачен файл

Схема.jpg
Схема.jpg (25.76 KиБ) Видяна 3075 пъти

Прикачен файл

110V.jpg
110V.jpg (10.13 KиБ) Видяна 3076 пъти
mirk - майстор
Схемичката по-горе е хубава. Ето и едно готово устройство за защита:

Прикачен файл

TC70.jpg
TC70.jpg (187.13 KиБ) Видяна 3065 пъти
pavelari - майстор
при добре избрана защита от претоварване - не е нужно да се използва това - при отпадане на фаза.
А при разменяне на фази - да става
Милен - майстор
pavelari написа:
при добре избрана защита от претоварване - не е нужно да се използва това - при отпадане на фаза.
А при разменяне на фази - да става
То картимката не е много на фокус но става ясно че това нещо е по-интелигентно от една биметална защита. Следи за разменени фази, реагира на повишение и намаление на напрежението, реагира на липсваща фаза и нула, има термисторна защита на намотките :!:
Johny - майстор
Защитата от претоварване е по-инерционна. Всяка защита си има своето място, особенно при отговорни дейности и имайки в предвид стойността на ремонта. Новите апаратури са компактни и модерни, но за "направи си сам" смятам, че моята схемка става.
Милен - майстор
Става - руска класика
pavelari - майстор
а какво ще кажете за руското термо реле, което има биметал на 1-ва и 3-та фаза -така при отпадане на фаза винаги имаме по минимум еднин биметал който да се задейства, освен ако не отпадне фаза 2 - тогава остават 2 биматала :cool: . Това е добро съчетание на ефект и пестеливост.
Миленски - защитите от този тип дето си постнал на картинката също много ми допадат-в момента се опитвам да си изработя сам такова нещо

Тема "Задачка закачка за елтехници" | Включи се в дискусията:


Сподели форума:

Бъди информиран. Следвай "Направи сам" във Facebook:

Намери изпълнител и вдъхновения за дома. Следвай MaistorPlus във Facebook: