съб дек 19, 2020 7:43 amgogo7777 написа:Недей да кръцаш от крайо, а седай в центеро на пералнята коги се бръснеш. Така вибрациите ще резонират в безпощадно обръсванечет дек 17, 2020 11:28 pmhidrazin написа: За къв чеп ли въ открехнах ...Я да питам и аз.и водка няма насреща...
![]()
![]()
Пералнята и самобръсначката са ми включени в един контакт в банята. Като започна да се бръсна пералнята започва да центрофугира. Когато спра спира и тя.![]()
Та въпроса ми е, от кой край на платката на АТХ-а да си кръцна та да си реша проблема?
![]()
Всичко свързано с тоците ми е слабост, опитайте се да ме затрудните.
krasi92
- майстор
62 мнения в "Телевизор и хладилник не се обичат когато са заедно."
kozl
- майстор
- Мнения: 11573
silent
- майстор
- Мнения: 1451
ей и тая тема осрахте...добре че нямам обоняние и съм над нещата новогодишно....с чуждата мъка се подигравате...
И така изрових едно захранване от скрапа ..верно беше в скрапа не се майтапя малко го е валяло ма се надявам че му няма нищо...сега е сухо...
прилагам ви снимки....принципно имам и едно работещо дето мога да прежала ма се стискам ...макар че ако кажете че туй не става ще си резна от него ...прилагам снимки... туй дет съм наблегнал на снимките ли е ....
https://prikachi.net/image/img-20201220-110341.NN9Cc
https://prikachi.net/image/img-20201220-110348.NN8DI
https://prikachi.net/image/img-20201220-110415.NNiti
https://prikachi.net/image/img-20201220-110419.NNgMs
И така изрових едно захранване от скрапа ..верно беше в скрапа не се майтапя малко го е валяло ма се надявам че му няма нищо...сега е сухо...
https://prikachi.net/image/img-20201220-110341.NN9Cc
https://prikachi.net/image/img-20201220-110348.NN8DI
https://prikachi.net/image/img-20201220-110415.NNiti
https://prikachi.net/image/img-20201220-110419.NNgMs
hidrazin
- майстор
- На линия
- Мнения: 26441
нед дек 20, 2020 11:27 amsilent написа: И така изрових едно захранване от скрапа ..Ти па намери какво да изровиш - с PFC.
Не че нещо ама е малко по-усложнено.
Дай една по-читава снимка от страна спойки и да е на фокус че тая камера пиксели бол ама снимка ... йок.
P.S. Навремето е тва PFC е било читава захранване. Я напиши и модела.
silent
- майстор
- Мнения: 1451
нед дек 20, 2020 7:34 pmhidrazin написа:Вярно е такова захранването Фортрон-бяха хит преди 20г. ето още снимки:нед дек 20, 2020 11:27 amsilent написа: И така изрових едно захранване от скрапа ..Ти па намери какво да изровиш - с PFC.
Не че нещо ама е малко по-усложнено.
Дай една по-читава снимка от страна спойки и да е на фокус че тая камера пиксели бол ама снимка ... йок.![]()
P.S. Навремето е тва PFC е било читава захранване. Я напиши и модела.
https://prikachi.net/image/N0EZW
https://prikachi.net/image/N0LbE
https://prikachi.net/image/Noym6
https://prikachi.net/image/N0MrR
Нещо не ми се получава постванто дирекно на снимка затова ги слагам като линкове.
Ако не е предизвикателство за вас , не се чувствайте длъжни да ми помагате като отделяте време за моите глупости. И все пак ви благодаря.
hidrazin
- майстор
- На линия
- Мнения: 26441
вт дек 22, 2020 8:47 amsilent написа: Ако не е предизвикателство за вас , не се чувствайте длъжни да ми помагате като отделяте време за моите глупости. И все пак ви благодаря.Седи мирен. Няма за кво да благодариш - за тва са форумите пък и все още нищо не е свършено.
Просто периода (вирусно-празничен) е кофти. При нас Коледа е като петък - да свършим всичко за седмицата, че и за годината.
Трябва да намеря и отделя време, щот тва PFC малко ме бърка. Просто платката не е при мен.
Иначе е елементарно...
hidrazin
- майстор
- На линия
- Мнения: 26441
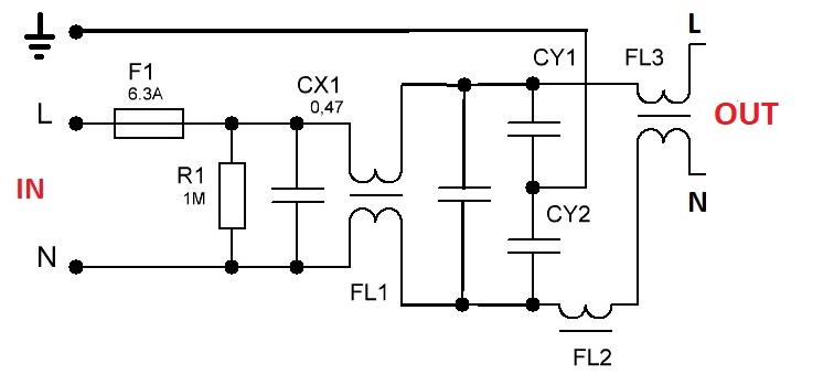
вт дек 22, 2020 8:47 amsilent написа: Ако не е ...Входа ти е написан на платката - L и N дето са запоени синята и черната жица.
Изхода където съм го написал - запояваш жиците за изхода направо на пътечките.
Масата ти е на на дупката за болтчето - там където е общата точка на двата сини кондензатора.
Тази маса е обща. Демек трябва да бъде свързана към заземителните пластини на контакта и на щепсела.
Ако нещо не е ясно...
Прикачен файл:
FSP300 - filter.jpg (34.12 KиБ) Видяна 1240 пъти
Тема "Телевизор и хладилник не се обичат когато са заедно." | Включи се в дискусията:
Сподели форума:
Бъди информиран. Следвай "Направи сам" във Facebook:
Намери изпълнител и вдъхновения за дома. Следвай MaistorPlus във Facebook:
Имаш нужда от подходящ професионалист за дома?
- Преустройство, ремонт и реновиране
- ↳ Вашите ремонти
- ↳ Кухня
- ↳ Баня
- ↳ Дневна
- ↳ Спалня
- ↳ Детска
- ↳ Градина
- ↳ Коридор
- ↳ Тераса и балкон
- Направи сам
- ↳ Направи сам
- ↳ Ремонтирай сам
- ↳ Къде е по-евтино?
- ↳ Дърводелство
- ↳ Ел. инструменти
- ↳ Металообработване
- ↳ Конкурс "Направи сам 2012"
- Строителство
- ↳ Всичко за вилата
- ↳ Къщи
- ↳ Саниране
- ↳ Хидроизолация
- ↳ Пасивни и нискоенергийни сгради
- Сухо строителство
- ↳ Окачени тавани
- ↳ Преградни стени и предстенни обшивки
- ↳ Сухи и повдигнати подове
- ↳ Декоративни елементи - колони, трегери, сводове и др.
- ↳ Всичко за гипскартона и гипсфазера
- Въпроси и Отговори
- ↳ Полезни съвети
- ↳ Автомобили
- ↳ Партньори
- ↳ Боядисване и Декориране
- ↳ Вентилация, климатици и термопомпи
- ↳ Водоснабдяване и канализация.
- ↳ Всичко за ремонта
- ↳ Електротехника
- ↳ Отопление
- ↳ Газификация
- ↳ Електроника и Схеми
- ↳ Газобетон
- ↳ От всичко по малко
- ↳ Компютри и периферия
- ↳ Уеб дизайн, PHP, MySQL, JavaScript, HTML..
- ↳ Мобилни устройства, GSM-и
- ↳ Нека се запознаем
- ↳ Recycle Bin
- Статии
- ↳ Практични решения
- ↳ Качване на снимки
- ↳ Какви статии искате?
- ↳ Готварство, туршии и зимнина
- ↳ Отмора и шеги
- ↳ От нищо нещо
- ↳ Не е за вярване
- ↳ Литература
- ↳ Връзки към Интересни сайтове
- Магазин
- ↳ Препоръки и Мнения за он-лайн магазина
- ↳ Крадeни инструменти !!!