• 1
  • 32
  • 33
  • 34
  • 35
  • 36
  • 89
Всичко свързано с тоците ми е слабост, опитайте се да ме затрудните.
hygro - майстор
2v6, само една добавка - необходим е и един токоограничаващ резистор към 470Ω последователно на кондензатора, защото светодиодите могат да изпецкат от преходния процес при първоначалното включване.
2v6 - майстор
hygro написа:
2v6, само една добавка - необходим е и един токоограничаващ резистор към 470Ω последователно на кондензатора, защото светодиодите могат да изпецкат от преходния процес при първоначалното включване.
Говориш при включване в момента на върха на синусоидата ли?
Принципно диодите издържат импулсно на доста голям ток, а такъв преходен процес ще е не повече от 0.001 секунда. Вътрешната индуктивност на кондензаторите, макар и малка, ще изчисти този импулс.

По-скоро е добре да се сложи съпротивление успоредно на кондензатора, да не остане зареден и да се пипне някой :-D

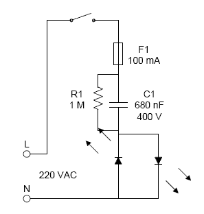
Някой не е ли правил такава схема :?:

Прикачен файл

LED_220VAC.GIF
LED_220VAC.GIF (3.67 KиБ) Видяна 9571 пъти
kristian92 - напреднал
айде и аз да се похваля :) направих си осветление със кристални сини диоди (аз ги закупих по 40ст. ) на курниза на пердето в моята стая ето и снимки. Като сложа пердето ще пратя пак :wink: :cool:

Прикачен файл

21032009(002).jpg
gd
21032009(002).jpg (201.98 KиБ) Видяна 9545 пъти

Прикачен файл

21032009(003).jpg
21032009(003).jpg (230.32 KиБ) Видяна 9545 пъти
Petyr - специалист
Здравейте, с риск да стана досаден, ще попитам, как напрежението от 12V~ да стане 12V- ? :)

Искам да вържа три или четири диода последователно. Тока на диод е 0,67А, а праговото напрежение е 3,3V като зависи от това дали трафа ще даде над 12V при консумация от 1,4 ампера, ще вържа или 4 броя или 3+съпротивление.

Проблема е, че искам да вържа 8 или 9 диода (зависи 2х4 или 3х3). И за целта си взех трансформатор, а не изправител, който вади 12V~ и сега се чудя как да ги изправя :) имам:
10 бр. грец с диоди "IN4007 BL"
10 бр. кондензатори "220 uF 50V"
10 бр. кондензатори "470 uF 16V"
10 бр. неизвестен за мен елемент, приличащ на кондензатор "СЕС 221К"

И може ли да ми дадете линк към цветовия код на резисторите, защото не мога да разбера как се определя мощността им? Ползвам това: http://www.tpetrov.com/resistor_code.php

ПП.
Миселта ми е, какво да сложа за да изгладя графиката след греца?
Изображение

Един кондензатор от двата вида които имам дали ще свърши някаква работа? И до колко ампера ще издържи греца?
2v6 - майстор
Petyr написа:
Здравейте, с риск да стана досаден, ще попитам, как напрежението от 12V~ да стане 12V- ? :)

Искам да вържа три или четири диода последователно. Тока на диод е 0,67А, а праговото напрежение е 3,3V като зависи от това дали трафа ще даде над 12V при консумация от 1,4 ампера, ще вържа или 4 броя или 3+съпротивление.

Проблема е, че искам да вържа 8 или 9 диода (зависи 2х4 или 3х3). И за целта си взех трансформатор, а не изправител, който вади 12V~ и сега се чудя как да ги изправя :) имам:
...
Защо искаш да ги захранваш с право напрежение :?
sstefanov - майстор
Предимство е, че с изправен (и филтриран) ток не мигат.
Petyr - специалист
sstefanov написа:
Предимство е, че с изправен (и филтриран) ток не мигат.
Точно :) Смятам да го ползвам за основно осветление на баня.

А тези диоди вързани в схема грец дали ще стигнат за 1,5 А? И след това може ли с някой от двата типа кондензатори, да изгладя графиката?
hygro - майстор
2v6 написа:
Говориш при включване в момента на върха на синусоидата ли?
Принципно диодите издържат импулсно на доста голям ток, а такъв преходен процес ще е не повече от 0.001 секунда. Вътрешната индуктивност на кондензаторите, макар и малка, ще изчисти този импулс.
Да. Наистина, най-често не изгарят веднага, но деградират много интензивно и след време мъждукат, вместо да светят. p-n преходът е с нищожна топлоемност и прегрява дори от изключително кратки претоварвания. По-правилно е токът през преходния процес да се ограничи до контролируеми стойности.
Petyr - специалист
Ако съм търсил правилно, излиза че диодите на греца издържат до 1А.
Т.е. На всяка четворка (тройка) светодиоди трябва да слагам по един грец.

А има ли кондензатор, който да ми върши работа (за изглаждане) от тези двата:
220 uF 50V
470 uF 16V
/имам по 10 бройки и от двата/
Или да купувам друг (какъв)?

И изобщо схемата която си мисля, вярна ли е?

Прикачен файл

kondenzator.JPG
kondenzator.JPG (16.7 KиБ) Видяна 8100 пъти
sstefanov - майстор
За по-добро изглаждане сложи по-голям кондензатор. 470 микро при ток 0.67А май ще е малко. Пробвай го и ако диодите мигат сложи по-голям.
Между кондензатора и диодите сложи токоограничаващ резистор (сметни си го по закона на Ом). Стойността му зависи от изправеното напрежение под товар.
  • 1
  • 32
  • 33
  • 34
  • 35
  • 36
  • 89

Тема "Осветление със светодиоди" | Включи се в дискусията:


Сподели форума:

Бъди информиран. Следвай "Направи сам" във Facebook:

Намери изпълнител и вдъхновения за дома. Следвай MaistorPlus във Facebook: