• 1
  • 31
  • 32
  • 33
  • 34
  • 35
  • 89
Всичко свързано с тоците ми е слабост, опитайте се да ме затрудните.
Justy отдолу под схемата съм писал че са 100 не 200... явно не си видял
целия ми пост. Съжалявам за непрофесионализма...

В крайна сметка изписахте много критики, забележки, поправки и
прочие... но никой не каза нищо относно въпроса ми който повторих 3
пъти в различни части от тази тема...

Непрофесионализъм...
Justy - майстор
rafaelo написа:
Justy отдолу под схемата съм писал че са 100 не 200... явно не си видял
целия ми пост. Съжалявам за непрофесионализма...

В крайна сметка изписахте много критики, забележки, поправки и
прочие... но никой не каза нищо относно въпроса ми който повторих 3
пъти в различни части от тази тема...

Непрофесионализъм...
100 - кг. ? При 100 ома 1000 свитки ще излязат от схемата - професионализъм, де :wink:
Ами съжалявам за невежеството, но както казах съм малко назад с
тези неща. Схемата е изградена от следните компоненти:

Изображение

И светодиод 3мм разбира се.

На по-големия елемент - резистор мисля че е пише 100KK1W
На по-малкия пише PH 41 48
Светодиодите са 11 на брой - 3мм. 3.6 волта (предполагам)

Ето схемата пренаписана:

Изображение

Отново съжалявам, но толкова знам за тези неща...
Иначе запоявам добре :lol:
Justy - майстор
Рафаело, туй - друга работа. Ха сега сметни при 220 V и 100К / ще пренебрегнем пада в изправителния диод / какъв ток пускаш на диода. Получи ли 0.0022А ? И аз на тоя ток няма да светя :wink: Запомни, че светодиодите се палят по ток - и това е основната им характеристика. А съпротивлението във веригата се нарича токоограничаващо. Сега виж в справочника правия ток на твоите диоди и смени съпротивленията. Ако нямаш справочник - свирни. Пък после ще почерпиш по бира - в говорилнята я правим тая работа :prost:
Свирвам и отивам да почерпя бирата :partyman:

Съпротивления са тези които са 100КК1W нали ? Значи на колко да ги сменя - 90?

Мерси за разясненията :) :respekt: довечера ще пийна едно за вас :partyman:
Justy - майстор
Дай все пак типа на диодите. Ако не го знаеш - при съпротивление 43К ще имаш ток 10 mA, при 33К - 15.
Диодите са такива:

Изображение

Насочено светене. На 4.5 волта ги пробвах с трансформатор който си
сменя волтажите до 12 и е 1000ма и на 4.5 волта светеше перфектно.
На 3 свети както в момента свети на 220. Не знам това помогна ли нещо...
Justy - майстор
Направо ме ориентира :lol: - слагай 15К - явно не жалиш диодите :wink:

http://hardwarebg.com/forum/showthread. ... 398&page=7
ELEMENTAL - специалист
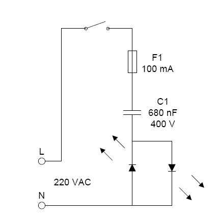
Само на мен ли ми се струва, че това свързване на светодиодите не е удачно?При положение, че трябва да се захранят 11 светодиода за сумарния ток (при 20mA през светодиод) се получават 220mA.T.e. при 220V-во захранване загубната мощност ще е почти 48W.КПД-то ще е къде, къде по-високо, ако светодиодите се свържат последователно и се използва гасящ кондензатор.
Wishmaster-ruse написа:
Как е най добре да погася тази самоиндукция за да не дефектира Светодиода.
С обратен диод (примерно 1N4007 или 1N5819) вързан паралелно на светодиода.Кондензатор не е необходим.
2v6 - майстор
rafaelo написа:
Схемата по-горе е за работа с 220 волта. Няма мигане или поневидимо.
Цялата идея е повече сигурност на работа да не изгърми цялото нещо
или да изгасне един и да заминат всички. Така или иначе това вече е
направено. Просто питам има ли начин да увелича силата на светене на
диодите. Нямам нужда от нова схема.
С твоята идея правиш подготовка за пожар :idea:
Както каза ELEMENTAL с гасящ кондензатор е най-добре в случая.
С такава схема може да се вържат и 20-на кондензатора. Ако тока им е избран правилно ще те надживеят.

Прикачен файл

LED_220VAC.GIF
Светодиоди 20 mA с 220 VAC захранване
LED_220VAC.GIF (4.43 KиБ) Видяна 8713 пъти
  • 1
  • 31
  • 32
  • 33
  • 34
  • 35
  • 89

Тема "Осветление със светодиоди" | Включи се в дискусията:


Сподели форума:

Бъди информиран. Следвай "Направи сам" във Facebook:

Намери изпълнител и вдъхновения за дома. Следвай MaistorPlus във Facebook: