Всичко свързано с тоците ми е слабост, опитайте се да ме затрудните.
estorm - специалист
Благодаря! Все пак с ваша помощ не отиде на вторични а и научих нещо ново :)
Живи здрави !!
hidrazin - майстор
estorm написа:
Да малко са тия 300 вата за перфоратора защото ми се искаше да направя и на него захранване. От двата нови дето имам същите не може ли да се направи един по голям и по мощен за да захрани перфоратор на 24 волта?
Може. Ще стане 600W - два по 300W с вторични включени последователно и с нужното напрежение.
:partyman:
estorm - специалист
Днес се порадвах на захранването. Върши страхотна работа.
Не разбирам от трансформатори което се чудех е дали непременно трябва да е квадрат това около което е навита бобината. Не може ли да я направя вместо 45х45мм да кажем 70х45мм. Да навия нова първична с по дебела тел и вторична с още по дебела. И да докарам едни 500 вата. Но това само питам незнам дали ще мога да направя.
Отделно като информация да знам само един тороидален който понижава от 220 на 110 за климатик дали може се преработи за 24 волта и как би станало това.
fox_vt - майстор
Бобината трябва да е максимално близо до магнитопровода (до сърцевината ) за по голяма мощност на трафа трябва и по голям магнитопровод-един вид той ти прехвърля енергия от едната към другата бобина по просто обяснено и си има определен капацитет след който започват само загуби.С две думи има си формули по които се смята и няма как да се увеличи току така мощноста на трафа.За трафа от климатик би трябвало да стане с пренавиване на вторичната те мисля са мощни трафове,но нека и другите да кажат.
chano3891 - специалист
този траф скоро го видях в продавалника ако не се лъжа беше около 25лв.
gogo7777 - майстор
Не може ли да я направя вместо 45х45мм да кажем 70х45мм.
Може разбира се. Не е казано, че трябва да е квадрат. Ако имаш повече такива ламели може да си ги редиш колкото си искаш и така повишаваш мощноста на трафа, която можеш да черпиш от него. Но ще ти трябва и нова макара съобразена с размерите на магнитопровода.
estorm - специалист
gogo7777 написа:
Не може ли да я направя вместо 45х45мм да кажем 70х45мм.
Може разбира се. Не е казано, че трябва да е квадрат. Ако имаш повече такива ламели може да си ги редиш колкото си искаш и така повишаваш мощноста на трафа, която можеш да черпиш от него. Но ще ти трябва и нова макара съобразена с размерите на магнитопровода.
Макара мога да си направя имам текстолит с подходяща дебелина и предполагам ще я измисля. И ламели ще взема от другия траф. Това което не разбирам е за да извлека мощност колко мм ламели трябва да добавя. Колко дебела трябва да е телта за първична и с колко намотки, колко за вторична тук ще гоня 25vdc. Все неща които са за смятане, но от някой наясно с това. Опитах се да прочета по въпроса, но е сложно.
gogo7777 - майстор
Дай размерите на Ш-ламела. Ширина, дължина на средния стержен и растояние от него до външния. Аз си ги смятам по моя опростена формула и до сега не съм имал проблеми. Ще се опитам да ти помогна.
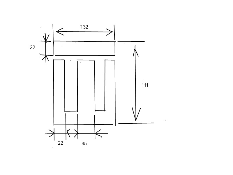
estorm - специалист
gogo7777 написа:
Дай размерите на Ш-ламела. Ширина, дължина на средния стержен и растояние от него до външния. Аз си ги смятам по моя опростена формула и до сега не съм имал проблеми. Ще се опитам да ти помогна.
Съжалявам за нескопосаното рисуване. Дали стават тия ламели за увеличаване на мощноста?

Прикачен файл

Ш ламели.jpg
Ш ламели.jpg (29.06 KиБ) Видяна 2789 пъти

Тема "Бърз въпрос за кондензатор" | Включи се в дискусията:


Сподели форума:

Бъди информиран. Следвай "Направи сам" във Facebook:

Намери изпълнител и вдъхновения за дома. Следвай MaistorPlus във Facebook: