Всичко свързано с тоците ми е слабост, опитайте се да ме затрудните.
peter_m - специалист
Телевизора пак почна с номерата.

Смених 1227, 1228 и 807 и се оправи ... дано да е за последно


Към колегата: кажи модела на телевизора за да се види схемата ...
teves - специалист
телевизора е panasonic TC-14S3RP
pipilica - майстор
Кажи кво точно прави или не прави ТВ-то кое не работи.
teves - специалист
pipilica написа:
Кажи кво точно прави или не прави ТВ-то кое не работи.
ами почти същото като при колегата peter_m като го включа от копчето цъква и след секунда изключва на дистанционното не реагира изобщо (дистанционното работи тествано е )Всички елементи видимо са добре няма нагоряли няма издути кондензатори.Не можах да намеря схема в нета за този модeл(Panasonic TC-14S3RP)
pipilica - майстор
Копчето дето е за главното пускане ли
Я огледай по платката трябва да има някви номера цифри модел шаси, щото определен
модел шаси (дънната платка) го слагат на различни марки телевизори, да търсим по шаси.
Дай снимки големи на платката.
cvetanmu - специалист
:) Май това трябва да е
PANASONIC TC-14S3RP/Z
Z 7 шасси
SDA5222-A009
M52778SP B
STR58041 ------------------Б.П.
xxxxxxxA
LA7840
TDA8395
U3665
ZTFK33004A -----------------ТДКС,кинескоп A34EAC

Режимы Б.П.
Р.Р. = 105 вольт, в Д.Р. основной БП отключен
teves - специалист
cvetanmu написа:
:) Май това трябва да е
PANASONIC TC-14S3RP/Z
Z 7 шасси
SDA5222-A009
M52778SP B
STR58041 ------------------Б.П.
xxxxxxxA
LA7840
TDA8395
U3665
ZTFK33004A -----------------ТДКС,кинескоп A34EAC

Режимы Б.П.
Р.Р. = 105 вольт, в Д.Р. основной БП отключен
Да точно това е шасито е Z7 моля помагайте къде да търся проблема
cvetanmu - специалист
Когато цъкне релето чува ли се пищене от импулсния трансформатор?
Имаш ли мултицет и възможност да мериш по платката?
Имам схема на 21 инчов панасоник със същото шаси - предполагам, че разликите са минимални и
ще ти свърши работа, но ще ми трябва мейл, че е пдф формат.
teves - специалист
cvetanmu написа:
Когато цъкне релето чува ли се пищене от импулсния трансформатор?
Имаш ли мултицет и възможност да мериш по платката?
Имам схема на 21 инчов панасоник със същото шаси - предполагам, че разликите са минимални и
ще ти свърши работа, но ще ми трябва мейл, че е пдф формат.
Не се чува нищо ,мултицет имам а мейла ми е tltl@abv.bg благодаря ти предварително!
pipilica - майстор
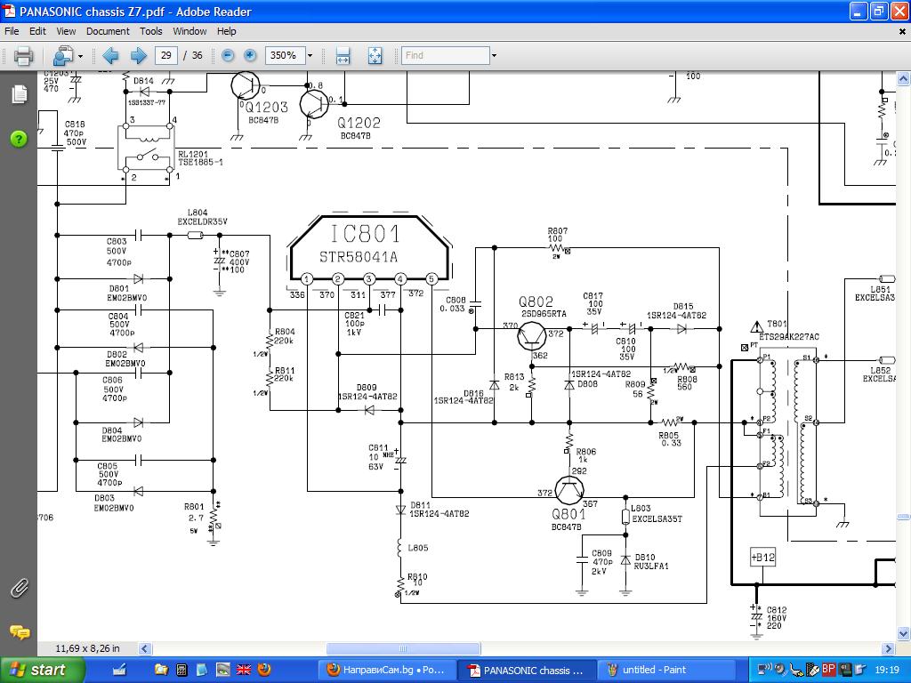
Я сравни елементите по платката с тези по схемата да видим дали отговарят, това е схемата
на захранването. Обикновенно изпушва IC801 но може и крайния на ТХО-то да е окъсил.

Прикачен файл

Chassis Z 7.JPG
Chassis Z 7.JPG (111.19 KиБ) Видяна 4893 пъти

Тема "помощ за развален телевизор" | Включи се в дискусията:


Сподели форума:

Бъди информиран. Следвай "Направи сам" във Facebook:

Намери изпълнител и вдъхновения за дома. Следвай MaistorPlus във Facebook: