Palawnik написа:Я да дам и аз една задачка :Звездния център вързан ли е с нулата
Трифазен двигател работи на две фази. Т.е. на едната фаза е изгорял предпазител. Колко ще е напрежението между звездния център и нулата?
Всичко свързано с тоците ми е слабост, опитайте се да ме затрудните.
Johny
- майстор
54 мнения в "Задачка закачка за елтехници"
zz_stefanov
- майстор
- Мнения: 4035
Johny
- майстор
- Мнения: 2559
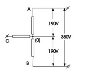
При двигатели нула не е необходима и не се исползва. Звездния център е с нулев потенциал, тъй като товарът е симетричен. При отпадане на фаза се получава един обикновен делител на напрежение /виж картинката горе/. Приема се, че захранването е достаъчно мощно /и то като правило е такова/, за да не се влияе напрежението от товара и от аномалии. А иначе може да се измислят много нюанси.
zz_stefanov
- майстор
- Мнения: 4035
hygro написа:Palawnik, задачата е хубава, ама за да може да се даде отговор, трябва да се направят още две допускания - двигателят е без товар и пренебрегваме загубите в него ,)Ако е без товар има голяма вероятност да продължи да се върти.
Отдавна съм го учил и не съм го практикувал, но при движещ се мотор без една фаза се получаваше една векторна въртелешка и в звездния център не беше 380/2
pavelari
- майстор
- Мнения: 1041
при отпадане на фаза асинхронните двигатели се претоварват - токът нараства 1.73 пъти. Правилно подбраната моторна защита изключва такъв режим на работа. Това се дължи на нарастване на активния ток в следствие от пониженото напражение и елиптичната форма на полето /въртящото поле трябва да е кръг/.
hygro
- майстор
- Мнения: 2849
Palawnik написа:hygro написа:Palawnik, задачата е хубава, ама за да може да се даде отговор, трябва да се направят още две допускания - двигателят е без товар и пренебрегваме загубите в него ,)Ако ще ти е по-лесно така. Няма проблем. Така да бъде.
Тема "Задачка закачка за елтехници" | Включи се в дискусията:
Сподели форума:
Бъди информиран. Следвай "Направи сам" във Facebook:
Намери изпълнител и вдъхновения за дома. Следвай MaistorPlus във Facebook:
Имаш нужда от подходящ професионалист за дома?
- Преустройство, ремонт и реновиране
- ↳ Вашите ремонти
- ↳ Кухня
- ↳ Баня
- ↳ Дневна
- ↳ Спалня
- ↳ Детска
- ↳ Градина
- ↳ Коридор
- ↳ Тераса и балкон
- Направи сам
- ↳ Направи сам
- ↳ Ремонтирай сам
- ↳ Къде е по-евтино?
- ↳ Дърводелство
- ↳ Ел. инструменти
- ↳ Металообработване
- ↳ Конкурс "Направи сам 2012"
- Строителство
- ↳ Всичко за вилата
- ↳ Къщи
- ↳ Саниране
- ↳ Хидроизолация
- ↳ Пасивни и нискоенергийни сгради
- Сухо строителство
- ↳ Окачени тавани
- ↳ Преградни стени и предстенни обшивки
- ↳ Сухи и повдигнати подове
- ↳ Декоративни елементи - колони, трегери, сводове и др.
- ↳ Всичко за гипскартона и гипсфазера
- Въпроси и Отговори
- ↳ Полезни съвети
- ↳ Автомобили
- ↳ Партньори
- ↳ Боядисване и Декориране
- ↳ Вентилация, климатици и термопомпи
- ↳ Водоснабдяване и канализация.
- ↳ Всичко за ремонта
- ↳ Електротехника
- ↳ Отопление
- ↳ Газификация
- ↳ Електроника и Схеми
- ↳ Газобетон
- ↳ От всичко по малко
- ↳ Компютри и периферия
- ↳ Уеб дизайн, PHP, MySQL, JavaScript, HTML..
- ↳ Мобилни устройства, GSM-и
- ↳ Нека се запознаем
- ↳ Recycle Bin
- Статии
- ↳ Практични решения
- ↳ Качване на снимки
- ↳ Какви статии искате?
- ↳ Готварство, туршии и зимнина
- ↳ Отмора и шеги
- ↳ От нищо нещо
- ↳ Не е за вярване
- ↳ Литература
- ↳ Връзки към Интересни сайтове
- Магазин
- ↳ Препоръки и Мнения за он-лайн магазина
- ↳ Крадeни инструменти !!!

