Всичко свързано с тоците ми е слабост, опитайте се да ме затрудните.
lenovec - напреднал
То във форум винаги е така 21131231321 различни мнения. Няма идеална инсталация и 100 % сигурност, винаги има едно НО. Дори най добрата инсталация има слаби места какво пречи примерно на на някоя къртица да прегризе нулата или земното??? дори в машинното или някъде по пътя. или мишка или каквото и да е било?? Не това е въпроса, въпроса е да се намери най - оптималното решение. Аз сериозно държа да свържа нулата със земното в машинното, преди ДТЗ, верно третия проводник от таблото е излишен но да си го има. Ще пусна 3 х 4 м2 до басейна или 5 х 4 м2 един ден може да сложа нагревател. Нямам трифазен ток но да си стои положен. Може и никога да не се случи де... Басейна ще е на отделен кръг, сега излиза от 1 етаж на 2.5 м2 този извод се ползва и за други неща. Това ме кара да не свързвам басейна на него.

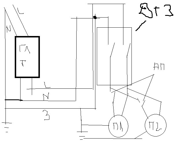
Сега последно грешна или вярна е схемата:

Прикачен файл

images.jpg
images.jpg (42.23 KиБ) Видяна 3138 пъти
nikolov333 - майстор
Точно тази грешка е описана в дългия пост с често допусканите грешки при заземяване. Нулата и заземяването след гл.табло не се обединяват, защото, ако монтираш ДТЗ в главното някога тя няма да работи правилно!
При положение, че си решил да правиш инсталацията до машинното 3-5 проводна, повторното заземяване в шахтата има смисъл само ако не се обединява нулата и земя там и пуснеш отделен многожилен заземителен проводник минимум 10мм2 или шина между двата кола..затова казвам, че е по добре коловете да са до таблото и минимум два заварени един за друг и да се обедини заземяването с нулата още там..след него не се обединяват! Прегризването на 4мм кабел от мишка е трудна работа..най-много да му повреди изолацията. В този случай ДТЗ те защитава донякъде, ако е работоспособна и тествана редовно според предписанията на производителя. Аз бих я монтирал в главното табло, но зависи от конкретната ситуация..
Последна промяна от nikolov333 на съб авг 12, 2017 12:45 pm, променено общо 4 пъти.
plamen6703 - майстор
lenovec написа:
Сега последно грешна или вярна е схемата:
Чувал ли си за проектиране на електроинсталации, може и да не си чувал, но така се прави по цял свят с някои малки изключения като при нас в БГ. Тук всеки разбира от инсталации, всеки задава въпроси как да върже това и онова...но дали е правилно или неправилно... какво го интересува важното е да "спести" едни пари... сякаш всеки ден ще изгражда инсталация и да му излезе по-евтино...
После почват въпросите, защо ми мига...защо ми свети "фазомера"... защо ме бие тока...
Отговора е елементарен... защото е прост и се е хванал с това, което не му е работа... Като цялата ни работа в държавата.
lenovec - напреднал
nikolov333 написа:
Точно тази грешка е описана в дългия пост с често допусканите грешки при заземяване. Нулата и заземяването след гл.табло не се обединяват, защото, ако монтираш ДТЗ в главното някога тя няма да работи правилно!
При положение, че си решил да правиш инсталацията до машинното 3-5 проводна, повторното заземяване в шахтата има смисъл само ако не се обединява нулата и земя там и пуснеш отделен многожилен заземителен проводник минимум 10мм2 или шина между двата кола..затова казвам, че е по добре коловете да са до таблото и минимум два заварени един за друг и да се обедини заземяването с нулата още там..след него не се обединяват!
ДТЗ ще е в машинното.

ОК благодаря на всички за полезните съвети и идеи.
nikolov333 - майстор
Предавам се и аз. Сънявам се, дали ме разбра. Няма смисъл да се впрягаш на Пламен, защото в случая донякъде е прав..освен че прекалено обобщава нещата. И последен съвет, ако не си разбрал нещо, потърси си специалист или прочети всички постове от темата няколко пъти и коментирай това, което си разбрал с някой близък електротехник с опит в монтажа на заземителя и ДТЗ-тата. :idea: :!:
lenovec - напреднал
nikolov333 написа:
Предавам се и аз. Сънявам се, дали ме разбра. Няма смисъл да се впрягаш на Пламен, защото в случая донякъде е прав..освен че прекалено обобщава нещата. И последен съвет, ако не си разбрал нещо, потърси си специалист или прочети всички постове от темата няколко пъти и коментирай това, което си разбрал с някой близък електротехник с опит в монтажа на заземителя и ДТЗ-тата. :idea: :!:
За разбирането те разбрах, но аз все още държа обединяване на нулата със зема преди ДТЗ в шахтата. Няма как да вярвам на това китайче или само на земното!!! Общо взето е това.
mironcho - специалист
lenovec, Избери си едно от двете места да няма връзка:
Прикачен файл:
images.jpg
images.jpg (36.54 KиБ) Видяна 3108 пъти
Няма смисъл да сдвояваш жилата, като те е страх пусни едно сечение по-нагоре.
lenovec написа:
ДТЗ ще е в машинното.
Правилно!

А като нямаш вяра на това или онова електрическо апаратче, повикай някой да ти направи схема, плати му и го накарай да се подпише, че е безопасно и е според действащите норми. Пробвай с Николов ... ако му стиска :-D
nikolov333 - майстор
Не ставай смешен.. На Николов му стиска да плати на човек с професионална квалификация за такива проекти.. Не ми търси клиентела.. :finga:
Явно няма да се спреш да ръсиш глупости.. :evil: Правилното прекъсване на схемата е задължително на горния Х между заземяването и нулата, плюс допълнителен многожилен проводник мин.10мм2 между двата кола !!! При това положение е възможно да се остави дву или четирипроводна линия до шахтата, понеже ще има отделен заземителен проводник, макар, че наредба 3 го забранява, а и икономията ще е незначителна..
Ако ДТЗ 30мА е в шахтата, то в главното табло е добре да има втора или обща "противопожарна" ДТЗ 150 или 300мА.. :idea:
Последна промяна от nikolov333 на нед авг 13, 2017 8:42 pm, променено общо 4 пъти.
lenovec - напреднал
Вчера бяхме на един басейн, мой приятел се познава със собственика и ни пусна в машинното.

Проекта е изпълнен от не малка фирма (басейна не е търговски). Ето така изглеждаха нещата там:

Прикачен файл

images.jpg
images.jpg (77.3 KиБ) Видяна 3169 пъти
nikolov333 - майстор
Точно това ти предлагам и аз, само че + многожилен заземителен проводник 10мм2 между двата кола, защото не знам, как ще се разпределят токовете между двата кола, при малко вероятното отпадане на нулата и не се знае, какъв ток може да мине по заземяването 4мм2.. Обърна ли внимание на ДТЗ-то, колко мА е 10 или 30мА?? Погледна ли в главното табло, обединена ли е нулата със заземяването и има ли и там ДТЗ и как е захранено главното табло...подземно или от стълб..?

Тема "Дефектно токова защита" | Включи се в дискусията:


Сподели форума:

Бъди информиран. Следвай "Направи сам" във Facebook:

Намери изпълнител и вдъхновения за дома. Следвай MaistorPlus във Facebook: