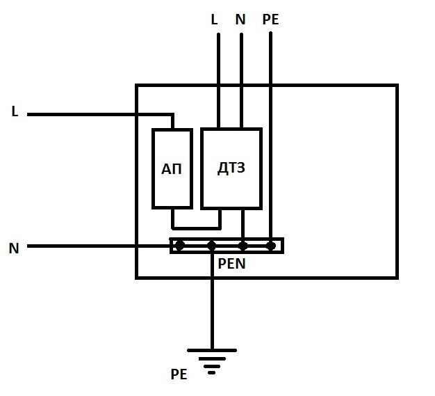
При пускане на 3 проводника мисля схемата да е така, само АП- тата на изхода на ДТЗ са разменени понеже така пасна при чертежа. Защо да е излишен третия проводник при положение, че и в машинното ще има заземление, нали идеята е ако отпадне нулата от енергото и ако няма кол до гл табло всичко ще се занули през този кол в машинното което не е ок. Аз ще направя 2 заземления едно до таблото и едно в машинното. Верно ще има играчка но нека.
Само това него разбрах:
Кой е казал, че изобщо ще връзва нещо и ще прави нещо... Намерил хора да му се връзват на акъла, търси внимание и го е намерил в най-добрата тема за хора търсещи внимание, които нямат хал хабер от електротехника, но пита ли питат, ако не друго лафа да върви!
нали няма да ме караш да ти снимам дупката?? Или е нужно
Само това него разбрах:
Кой е казал, че изобщо ще връзва нещо и ще прави нещо... Намерил хора да му се връзват на акъла, търси внимание и го е намерил в най-добрата тема за хора търсещи внимание, които нямат хал хабер от електротехника, но пита ли питат, ако не друго лафа да върви!
нали няма да ме караш да ти снимам дупката?? Или е нужно
Прикачен файл
images.jpg (42.23 KиБ) Видяна 2638 пъти