Схемата съм я свалял отдавна, когато се наложи да сменям ключа за скороститe, а също и всички лагери (Вижте постинга по-горе!). Тогава ключа за скоростите го купих от "Ташев и Галвинг".
Сега схемата само съм я понапудрил малко, иначе си я разбирах само аз. Начертал съм я (навремето) като две отделни схеми, ама ме домързя да я преправям генерално.
В оригиналното изпълнение на машината има единствено два, трипозиционни ключа - за "реверс" и за "скорост". Те обаче са много мижави, превключват се непрекъснато (ползват се основно за "Старт"-"Стоп"), поради което се повреждат. Затова монтирах допълнителен ПГП-25, чрез който я пускам и спирам (Eдвам се събра в тялото!). Монтирах и две допълнителни ръкохватки за спускане на вретеното (в оригинала бяха само две), с което се улеснява прехващането при големи ходове на патронника. Монтирах и две допълнителни ръкохватки на фиксатора за ограничаване дълбочината на пробиване (в оригиналната конструкция имаше само накатена врътка, която е неудобна). Наскоро смених и Едисоновата лампа със светодиодна. Тъй като на плота съм монтирал "X"-"Y" маса с менгеме и машината я ползвам често за дребни фрезови операции върху пластмаси, за удобство, челният фиксатор на вретеното също е с голяма врътка.
bormashina.JPG (113.17 KиБ) Видяна 6554 пъти

Picture 317.jpg (59.72 KиБ) Видяна 6598 пъти
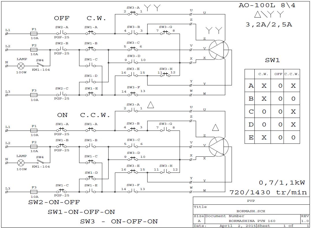
На дясната колона от шпилки са изводите "U", "V" и "W", а на лявата "X, "Y" и "Z".

Picture 318.jpg (63.91 KиБ) Видяна 6598 пъти

Picture 319.jpg (48.37 KиБ) Видяна 6554 пъти
Дано информацията е полезна някому (Макар и със закъснение!).
P.s.
Електрическата схема и таблицата на ключа за "реверс" съм ги сбъркал, затова има промяна.
Данните от табелата на двигателя и каталога на Стамболиев се различават.
Picture 320.jpg (45.83 KиБ) Видяна 6554 пъти
Токовете при "триъгълник" и "двойна звезда" също май са обратни.
Сега схемата само съм я понапудрил малко, иначе си я разбирах само аз. Начертал съм я (навремето) като две отделни схеми, ама ме домързя да я преправям генерално.
В оригиналното изпълнение на машината има единствено два, трипозиционни ключа - за "реверс" и за "скорост". Те обаче са много мижави, превключват се непрекъснато (ползват се основно за "Старт"-"Стоп"), поради което се повреждат. Затова монтирах допълнителен ПГП-25, чрез който я пускам и спирам (Eдвам се събра в тялото!). Монтирах и две допълнителни ръкохватки за спускане на вретеното (в оригинала бяха само две), с което се улеснява прехващането при големи ходове на патронника. Монтирах и две допълнителни ръкохватки на фиксатора за ограничаване дълбочината на пробиване (в оригиналната конструкция имаше само накатена врътка, която е неудобна). Наскоро смених и Едисоновата лампа със светодиодна. Тъй като на плота съм монтирал "X"-"Y" маса с менгеме и машината я ползвам често за дребни фрезови операции върху пластмаси, за удобство, челният фиксатор на вретеното също е с голяма врътка.
Прикачен файл:
bormashina.JPG (113.17 KиБ) Видяна 6554 пъти
Прикачен файл:
Picture 317.jpg (59.72 KиБ) Видяна 6598 пъти
Прикачен файл:
Picture 318.jpg (63.91 KиБ) Видяна 6598 пъти
Прикачен файл:
Picture 319.jpg (48.37 KиБ) Видяна 6554 пъти
P.s.
Електрическата схема и таблицата на ключа за "реверс" съм ги сбъркал, затова има промяна.
Данните от табелата на двигателя и каталога на Стамболиев се различават.
Прикачен файл:
Picture 320.jpg (45.83 KиБ) Видяна 6554 пъти
