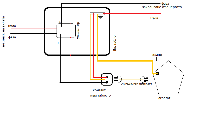
а контакта между умшалтера и агрегата за какво ти е?
по добре е директен кабел, на умшалтера е постояно свързан а от към агрегата е с щепсел,вадиш щепсела и си взимаш агрегата а кабела го прибираш в вилата
това на което му казваш плюс е фаза а това дето му казваш минус е нула
и все пак ако държиш да има контакт за да може да махаш кабела го направи така,от умшалтера излиза къс кабел с щепсел а от агрегата до щепсела ползваш удължител с три проводен кабел
по добре е директен кабел, на умшалтера е постояно свързан а от към агрегата е с щепсел,вадиш щепсела и си взимаш агрегата а кабела го прибираш в вилата
това на което му казваш плюс е фаза а това дето му казваш минус е нула
и все пак ако държиш да има контакт за да може да махаш кабела го направи така,от умшалтера излиза къс кабел с щепсел а от агрегата до щепсела ползваш удължител с три проводен кабел
Прикачен файл
Без име290.png (67.49 KиБ) Видяна 1027 пъти
Последна промяна от moimoimoi на съб фев 07, 2015 5:53 pm, променено общо 1 път.
