• 1
  • 6
  • 7
  • 8
  • 9
  • 10
  • 89
Всичко свързано с тоците ми е слабост, опитайте се да ме затрудните.
d3v1ous - специалист
Op op op op, както казва Гацо.

Прикачен файл

IMG_0613.jpg
IMG_0613.jpg (120.28 KиБ) Видяна 14696 пъти

Прикачен файл

IMG_0616.jpg
IMG_0616.jpg (78.09 KиБ) Видяна 14696 пъти

Прикачен файл

IMG_0617.jpg
IMG_0617.jpg (70.97 KиБ) Видяна 14696 пъти
d3v1ous - специалист
More pics

Прикачен файл

IMG_0618.jpg
IMG_0618.jpg (78.27 KиБ) Видяна 14694 пъти

Прикачен файл

IMG_0619.jpg
IMG_0619.jpg (78.26 KиБ) Видяна 14694 пъти
d3v1ous - специалист
Building

Прикачен файл

IMG_0604.jpg
IMG_0604.jpg (218.7 KиБ) Видяна 14689 пъти

Прикачен файл

IMG_0606.jpg
IMG_0606.jpg (175.72 KиБ) Видяна 14689 пъти

Прикачен файл

IMG_0607.jpg
IMG_0607.jpg (203.85 KиБ) Видяна 14689 пъти

Прикачен файл

IMG_0608.jpg
IMG_0608.jpg (196.58 KиБ) Видяна 14689 пъти

Прикачен файл

IMG_0609.jpg
IMG_0609.jpg (221.07 KиБ) Видяна 14689 пъти
SystemeX - напреднал
Ето намерих тука едно клипче 18мб на това което съм показал по горе на снимки. Заснел см и селиконовите тръбички със зелени диоди... даже може да се забележи как единият от зелените светодиоди свети по различно от другите. Това стана защото първо на него тествах захранването ... и малко му доиде множко май тока и засвети по силно :) хихи ... и така си остана :)

http://tranz.it/load.php?id=8B9vFPtBTPeBZHCE48886
joe
Здравейте,

днес набързо наравих една страничка за смятане на схеми със светодиоди с тукашните формули, искам да помоля хората дет са наясно с нещата да го погледнат и да ми кажат ако не смята вярно :) за да го оправя.

държа да кажа, че не е на кирилица и още е в много работен вариант но имам идеята да го оправя.

http://lambi.homebg.org/
SystemeX - напреднал
Първо искам да благодаря на ELEMENTAL за оказаната помощ!
Ето как със цветомузиката... си доокрасих стаята.. На мястото на светодиодите пуснах проводници, като матовите светодиоди ги замених с кристални(по ярки). Поставих ги отново с селеконовите тръби. Цветомузиката хваща ниски, средни и високи честоти. Само, че при мен нещо развалих средните (жълтите които се виждат на платката) от много човъркане. Останах само на Ниски (червените) и високи (сините). Към тях добавих още един кръг от по 3 светодиода за да имам повече на брой светодиода за по голям контраст :) . И доста коректно по ритъма на музиката премигват светлините.
Трябваха ми: 6 червени и 6 сини светодиода, 6 прозрачни селиконови тръби и "Цветомузиката", а и 2x 470 ома резистори.
Еми това е общо взето. Остава само да дойдете на party в стаята ми :)

Прикачен файл

IMG_0806.jpg
Ето как изглежда
IMG_0806.jpg (24.26 KиБ) Видяна 14796 пъти

Прикачен файл

IMG_0802.jpg
IMG_0802.jpg (19.41 KиБ) Видяна 14795 пъти

Прикачен файл

IMG_0781.jpg
IMG_0781.jpg (43.16 KиБ) Видяна 14797 пъти

Прикачен файл

IMG_1043.jpg
IMG_1043.jpg (22.72 KиБ) Видяна 14795 пъти
emo_peev - специалист
Благодарности на JOE, за калкулатора!
Wishmaster-ruse - специалист
SystemeX браво пич много е яко само така. :2thumbs: :cooler: :prost:
SystemeX - напреднал
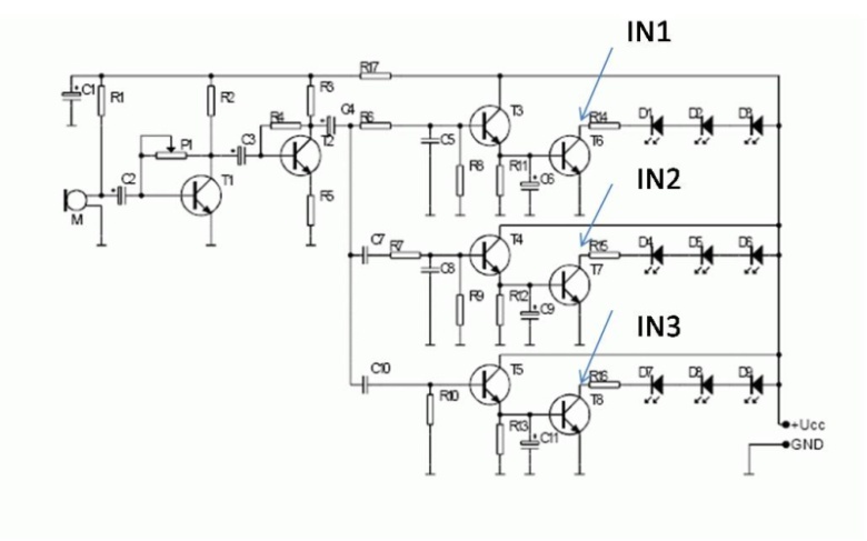
ЕLMENTAL e посочил със сини стрелки къде трябва да се сложат 470-омовите резистори . другото е показано ...или казано :)

Прикачен файл

cvetomuzika_146.jpg
cvetomuzika_146.jpg (49.2 KиБ) Видяна 14718 пъти
  • 1
  • 6
  • 7
  • 8
  • 9
  • 10
  • 89

Тема "Осветление със светодиоди" | Включи се в дискусията:


Сподели форума:

Бъди информиран. Следвай "Направи сам" във Facebook:

Намери изпълнител и вдъхновения за дома. Следвай MaistorPlus във Facebook: