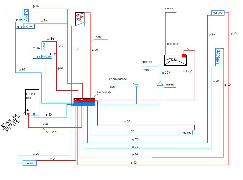
Здравейте форумци,първо искам да ви поздравя за чудесния форум.Често се ровя из него и ми е много полезен.Сега ще почвам да си правя парно и ви моля за мнения и забелешки,според схемичката,която съм качил.Видях подобно испълнение и много ми допадна,но незнам как е направена точно,затова си направих тази принципна схема и се надявам да ми помогнете да я доиспипам
Става въпрос за етаж от кооперация 97кв.м ,с изолация и ПВС дограма.До колкото разбрах от форума тръбите от камината до колектора трябва да са- ф25.Препоръчайте моля и колектор,виждам,че има различни видове
Имам и още няколко въпроса,но кажете първо дали съм на прав път

Прикачен файл
proekt4.JPG (49.28 KиБ) Видяна 6317 пъти