Най - вълнуващия въпрос зимно време.
piteriv - специалист
Здравеите ако въобште успея да испратя това/доста съм неопитен с компютрите/ ще съм ви много благодарен ако някой успее да ми помогне. И така искам да си направя локално парно с два енерго источника/камина с водна риза и нафтово котле/поради ред причини/ нафтовото котле е като тези на природна гас /затворена система със собствена помпа и т.н./Другото/камината/е отворена система!!!!На мене ми се иска да ги направя така че когато намалее камината/нощем/да тръгва нафтовия котел.Или ако това е невъзможно то с помоща на кранове да се спира едната система и да тръгва другата/ако не ми се пали камината днес-примерно/ Как смятате възможно ли е.Пишете моля ви БЛАГОДАРЯ ПРЕДВАРИТЕЛНО!!!!
Justy - майстор
Това сигурно интересува много от нас. Имаш ли хидравлична схема на обекта / предполагам - къща /. По някакъв проект ли се работи или в духа "направи сам" ?
benx - специалист
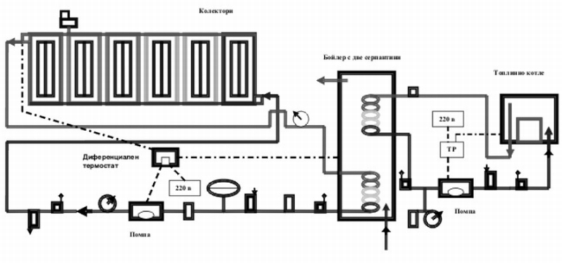
С малко закъснение,но натисна ме работата :?

и още една базова
съжалявам за качеството,но мисля ще се ориентирате :)

Прикачен файл

1sh3.jpg
1sh3.jpg (89.43 KиБ) Видяна 5102 пъти

Прикачен файл

1se.jpg
1se.jpg (42.6 KиБ) Видяна 5102 пъти
petrov_be - специалист
benx написа:
С малко закъснение,но натисна ме работата :?

и още една базова
съжалявам за качеството,но мисля ще се ориентирате :)
схемата (втората)сигурно би била полезна на много хора но може ли да обозначиш за всяка връзка точно кое какво е кран,помпа....просто не всички са професионалисти
piteriv - специалист
Здравей.БЛАГОДАРЯ ТИ ЗА ОТДЕЛЕНОТО ВРЕМЕ но не е отговор на моя въпрос.Ас искам да свържа два различни котела/с различни источници на енергия-дърва и нафта/,по начин че да могат да работят едновременно или по отделно.Например-двата котела работят до загряване на водата до 60гр.-след това нафтовия да исключи/има термо реле ,което го пуска и спира но помпата му работи постоянно на модо ПАРНО/но ,когато топлината от другия котел намалее /падне под 60гр. /нафтовия да тръгва отново.Това е моята теория но възможно ли е да се направи :?
benx - специалист
Всичко е възможно и всичко може да се направи :) Както поясних,това са типови схеми и са приложими във всякакви вариации.Това което искаш да направиш е разумно и често приложимо в практиката.Свързването на няколко топлоизточника позволява по-прецизно регулиране на отоплението и дава значителни икономии,но се практикува при по-големи обекти.Изпълнението обаче не е на принципа"направи си сам"въпреки,че форума е чудесен :? така че моят съвет е - отнеси се към специалист,за да не се получи ситуацията с влагата и плочките :?
Ne moje6 da kombinira6 otvorena i zatvorena otoplitelna sistema.

---------------------
Sorry za latinicata
Justy - майстор
На първата схема бих сложил преди душа смесител топла/студена вода - по ефективно ще се регулира температурата на водата за къпане, а не да охлаждаш водата в целия съд :wink:
Втората наистина не е за изпълнение от любител - има помпи, пресостати - доде ги настрои аматьор ще направи бум :shock:

Тема "Два топлоисточника как да стне ПОМОГНЕТЕ" | Включи се в дискусията:


Сподели форума:

Бъди информиран. Следвай "Направи сам" във Facebook:

Намери изпълнител и вдъхновения за дома. Следвай MaistorPlus във Facebook: