• 1
  • 2
Най - вълнуващия въпрос зимно време.
Здравейте.
Изчетох доста теми във форума и искам да ви покажа нашият проект.
Ние си го правим, с помощта на един майстор (който си пие бирата и е само за акъл :partyman: ).
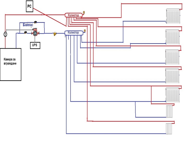
Системата е отворена, разширителния съд е хванат от колектора на топлата вода и е качен на 0.80 см над колектора.
Камината е разположена в хола на първия етаж. Тръбите от нея се качват на втория етаж (около 2м.), който не е изграден още. От колекторите до радиаторите, тръбите минават по пода и слизат на долния етаж до радиаторите (общо 200м тръби).
Направили сме байпас (човека с акъла каза, че така дори и да няма ток, водата ще циркулира по радиаторите :?:. Дали ще се получи?).
Системата е отворена, разширителния съд е хванат от колектора на топлата вода, и е закачен на около 0.80 см от най-високата точка на системата. (Човека с акъла каза, че ще пълним системата от РС?)
Помпата е сложена на студената вода.
Ще се радвам на идеи, съвети и разбира се критики! :lol:

- Камерата е Прити ЧВ 28 Кв + 4кв. (Казаха ни, че с нея можем да отопляме и двата етажа на къщата, общо около 320 кв.м.. Аз малко се съмнявам, но на този етап е само за първия етаж, чее криза... знаете как е :lol:)
- Тръбите до колекторите са 1 цол, а след колекторите са ф16 с ал. вложка.
- Имаме 5 радиатора (турски) и 2 лири, като всички са на отделни кръгове, без лирата в тоалетната която е вързана към кръга който е за детската стая.
- Радиаторите са панелни Тип 22 (турски), лирите са стоманени.
- Разширителния съд е 18 литра. Системата е отворена.
- Системата, ще е пълна с пропилен гликол, (отворен съм за предложения от къде да се закупи и евентуална цена :lol:)
- Разполагаме с UPS и акумулатор за кола.
- Помпата е GRUNDFOS UPS2 25-40/60.
- Разполагаме и с контактен термостат, но предпочитам капилярен с дисплей, който да може да се монтира на облицовката на камината и да се ползва като термометър. Ще бъде монтиран на изхода на топлата вода от камерата с гилза. Ако може да ми предложите вариант.
- Имам нужда от предложение за вентилатор, който да бъде монтиран в облицовката на комина и да духа топлия въздух в помещението (не знам точно как се казва :? ).
- Фукс ф200

Общата площ на етажа е приблизително 160 кв.м., височината на стаите 2.40м.
Хол 60 кв.м. - в него ще е камерата и един радиатор (160/60 - 3,5 kw) в срещуположния край.
От дясно на камерата се намира кухня/всекидневна - 25 кв.м., в нея ще има един радиатор (140/60 - 3,1 kw).
Детската стая е 22 кв.м. - един радиатор (120/60 - 2,7 kw).
Спалнята - 17 кв.м. - един радиатор (120/50 - 2,3 kw).
Коридор 18 кв.м. - радиатор (120/60 - 2,7 kw).
Баня 8 кв.м. - лира (50/100 - 800 w)
Тоалетна 3 кв.м. - лира (50/100 - 800 w)
Общо 15.9 kw?

Най-вероятно съм пропуснал нещо, но... :roll:
Прикачам снимки и схеми, евентуално да е по-ясно (а колко, ще бъде е друг въпрос :lol: )
Благодаря предварително! :partyman: :partyman:

Прикачен файл

Разпределение 1.jpg
Разпределение на радиаторите.
Разпределение 1.jpg (73.97 KиБ) Видяна 2191 пъти

Прикачен файл

тръби.jpg Кръгове

Прикачен файл

Схема на свързване.jpg
Схема на с-не
Схема на свързване.jpg (74.54 KиБ) Видяна 2191 пъти
Още снимки.

Прикачен файл

камината.jpg
Камината
камината.jpg (107.57 KиБ) Видяна 2190 пъти

Прикачен файл

Кап термостат.jpg
Тетка за капилярен термостат.
Кап термостат.jpg (109.6 KиБ) Видяна 2190 пъти

Прикачен файл

Студена вода.jpg
Тетка за капилярен термостат.
Студена вода.jpg (65.87 KиБ) Видяна 2190 пъти

Прикачен файл

връзки.jpg Връзки

Прикачен файл

разширителен съд.jpg РС
naskov - майстор
krasimir1989 написа:
Още снимки.
ППРа на топлата вода въобще не ми харесва. Въпреки, че имаш UPS акумулатор просто е въпрос на време пластмасовата тръба да се стопи. Бай паса не няма да помогне-просто е излишен в твоя случай. И помпата не се монтира като водомер, наклони я на 90*. Имаш и кран между РС и камината, което е забранено.
naskov написа:
krasimir1989 написа:
Още снимки.
ППРа на топлата вода въобще не ми харесва. Въпреки, че имаш UPS акумулатор просто е въпрос на време пластмасовата тръба да се стопи. Бай паса не няма да помогне-просто е излишен в твоя случай. И помпата не се монтира като водомер, наклони я на 90*. Имаш и кран между РС и камината, което е забранено.
Благодаря за отговора!

ППР е Beta PPR/AL Instaplast - няма ли да издържи? :? :?
И аз имах съмнения за този бай пас.. :|
Помпата ще е завъртим на 90* на ляво? :?:
За РС прочетох, че не трябва да има нищо преди него, но вече го бяхме монтирали. Можем да го преместим, предполагам няма да е такъв проблем. Въпроса е дали РС да бъде на топлата или студената вода? Ако е директно от тръбата а не от колектора и ако е от колектора?
Прочетох доста различни мнения по този въпрос и съм доста объркан. Помпата е на студената вода. :?

:partyman:
шоп - майстор
krasimir1989 написа:
Ще се радвам на идеи, съвети и разбира се критики! :lol:
Колега, как искаш да получиш идеи, съвети и критики, като ти си изградил системата?!

Идеите и съветите трябваше да ги получиш от пиещият бира майстор:-))

Защо ще си даваш парите за пропилен гликол при отворена система като Рс ти е в рамките на отопляемият обем. Изолирай хубаво РС, налей системата с чиста вода, премахни врътката на крана към РС за да не стане грешка и взрив и си свиркай. Май дриго не можеш да направиш в случая, освен да завъртиш помпата за да не се скапе.

Байпаса ти е излишен, само си си дал парите за фитинги. Така или иначе по гравитационен принцип флуида няма да се движи, въпреки, че е било възможно да се направи такава система и да се икономисат помпа и колектори.
Успехи.
шоп написа:
krasimir1989 написа:
Ще се радвам на идеи, съвети и разбира се критики! :lol:
Колега, как искаш да получиш идеи, съвети и критики, като ти си изградил системата?!

Идеите и съветите трябваше да ги получиш от пиещият бира майстор:-))

Защо ще си даваш парите за пропилен гликол при отворена система като Рс ти е в рамките на отопляемият обем. Изолирай хубаво РС, налей системата с чиста вода, премахни врътката на крана към РС за да не стане грешка и взрив и си свиркай. Май дриго не можеш да направиш в случая, освен да завъртиш помпата за да не се скапе.

Байпаса ти е излишен, само си си дал парите за фитинги. Така или иначе по гравитационен принцип флуида няма да се движи, въпреки, че е било възможно да се направи такава система и да се икономисат помпа и колектори.
Успехи.
Е изградил... не е като да сме вдигнали цяла къща и да не може да е бутнем. :lol:
Имах предвид, че ако е прекалено грешно направена, може да се промени. В крайна сметка са две тръби до колекторите. :-D
Мен ме интересуваше, мнението ви като общо изготвяне на системата.

За майстора с бирата, такава си ни беше уговорката. Всичко е по негови идеи и съвети. Просто цените които казаха предните двама бяха... за 2 дни работа... :shock: :shock: , и поради тази причини по-добре да отиде на вятъра някой и друг фитинг, просто майстора каза, че байпаса ще функционира. И да не функционира, това да е проблема.
Искахме всичко да е на отделен кръг.

В къщата не се живее постоянно, и поради тази причина е пропилен гликола. Също така цялата система минава през втория етаж, който е на груб строеж и сме го взели като вариант от страх да не вземе да замръзне.

Все пак въпросите си ми остават, ако някой отговори, ще съм му много благодарен.
- За свързването на РС към топлата вода, (в няколко теми прочетох, да се монтира преди помпата, а тя ни е на студената вода) :?:
- Препоръка за капилярен термостат на който да може да се наблюдава температурата. :?:
- Вентилатор за топлия въздух. :?:
- На много схеми видях, че е сложен обезвъздушител, веднага след камерата на топлата вода, а ние нямаме. Като се замисля освен на двата колектора, и тези които са като тапа на радиаторите други нямаме. :?:
- Магазин в Пловдив за пропилен гликола и евентуална цена ако някой е наясно.
solar_entusiast - специалист
Аз лично бих преместил радиатора в хола от вътрешната стена на тази под прозореца.
LazarGanev - "Велик майстор"
Този ППР изобщо няма място в булото на камината - там само метални тръби и никакви обезвъздушители. Пък и за какви автоматични обезвъздушители говорим при отворена система? :cool:
king82 - специалист
Според мен, трябва да има кран между филтъра и студения колектор. Така че, да може да се обслужва, също и помпата.
filmatoplo - майстор
Ако това заработи и затопли без проблеми -публично признавам акълията , коментар по инсталацията не мога да давам -дано акълията знае какво прави че да не гръмне .
  • 1
  • 2

Тема "Локално парно с камера за вграждане - въпроси." | Включи се в дискусията:


Сподели форума:

Бъди информиран. Следвай "Направи сам" във Facebook:

Намери изпълнител и вдъхновения за дома. Следвай MaistorPlus във Facebook: