Най - вълнуващия въпрос зимно време.
tretre - специалист
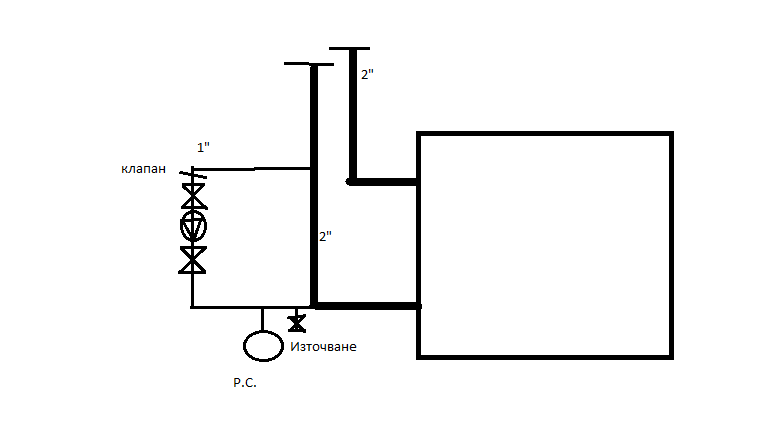
Нахвърлях една схема преди да оплескам всичко и моля за съвет.
Парното е затворена система, но понеже преди беше отворена и гравитачна, ми се ще ако спре тока да продължи да си работи гравитачно.
Това е примерната схема която е най-лесно изпълнима на място.
Просто искам да знам дали има нещо фатално в случая.
Благодаря.

Прикачен файл

Untitled.png
Untitled.png (10.8 KиБ) Видяна 3075 пъти
filmatoplo - майстор
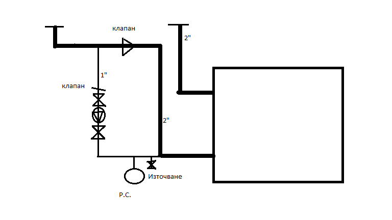
Направил си помпата на байпас на голямата тръба 2 цола , по принцип на тръбата се монтира кран и се затваря иначе циркулацията ще се случва само в байпаса .За да стане безопастно трябва в хоризонталния участък на 2 та цола тръба преди входа в котела да се постави 2 цола клапа без пружина с посока към котела , а байпаса с помпата да е преди и след този клапан , драсни нова схема с моите указания . :)
tretre - специалист
А тази клапа, ще пречи ли после на гравитачното циркулиране на водата?
Написал си без пружина, а аз не знам каква е тази клапа...
tretre - специалист
Така става ли?

Прикачен файл

Untitled.png
Untitled.png (11.79 KиБ) Видяна 3003 пъти
filmatoplo - майстор
:) Става- да , като се включи помпата клапата се затваря и потока минава през байпаса с помпата , ако помпата спре потока леко полеко ще започне гравитачно да отваря клапата под тежестта на връщащата се вода от радиаторите към котела .Ами ти в твоята схема пишеш клапан -това какво е . :?
Energyx - специалист
Обаче в горния линк размери по-големи от 3/4 " няма...
filmatoplo - майстор
Аз ги купувам от Интерметал , но може да ги има и другаде. :wink:
tretre - специалист
Ми това си е възвратния клапан на помпата, 1 цол y-образен.
Клапаните ги видях има дори и 2и1/2", с висяща месингова пластина.
Вчера сглобих парното по първата ми схема.
Резултата е Африка.
Бойлера/200л/ загря за 2 часа до 60 градуса.
Това не се беше случвало с предишното "парно"
Изходящата вода загря до 85 градуса
Връщащата стана малко над 60
Радиаторите малко над 70
Съветвам хората с правени котлета веднага да ги изхвърлят на буклука!
AntonBM - специалист
tretre написа:
Вчера сглобих парното по първата ми схема.
Резултата е Африка.
Бойлера/200л/ загря за 2 часа до 60 градуса.
Това не се беше случвало с предишното "парно"
Изходящата вода загря до 85 градуса
Връщащата стана малко над 60
Радиаторите малко над 70
Съветвам хората с правени котлета веднага да ги изхвърлят на буклука!
Щом е „Африка” и си изпълнил първата схема, а не тази, която ти е препоръчал filmatoplo, изключи помпата. Тя не върши никаква работа. Върти вътрешен кръг и само хаби ток. Инсталацията ти е тръгнала гравитачно. Честито.

Тема "Тази схема ще работи ли?" | Включи се в дискусията:


Сподели форума:

Бъди информиран. Следвай "Направи сам" във Facebook:

Намери изпълнител и вдъхновения за дома. Следвай MaistorPlus във Facebook: