Най - вълнуващия въпрос зимно време.
tretre - специалист
Както личи от заглавието, водната риза на котел ръчна изработка се спука. Тя беше около 30 киловата.
Въпросите ми са следните:
Има ли вариант за закупуване на готова водна риза?
Мога ли да направя такава от поцинковани тръби 2" ,защото имам в излишък фитинги и тръби?
Принципно съм запознат със цените на новото и т.н. Става въпрос за една къща която рядко обитавам през зимата и искам просто да има някакво парно там.
Схемата на котлето ми е паралелепипед с размери 60/60/180, като отдолу има самостоятелна горивна камера, без никакви усложнения, тръби и т.н. а отгоре е цялата водна риза с дупки през които минава топлият въздух.
С подцинкованите тръби мога да направя подвизи що се отнася до форма и размер на водната риза, въпроса ми е как се държи на топлината, калчищата ще държът ли?
Колко трябва да е площа на тръбите и има ли значение колко ще остане за въздуха?
Апропо системата е затворена, има си всичко!
Благодаря предварително на отзовалите се!
fbr - майстор
Е няма как да има фитинги на места с висок температурен градиент. Поцинкованите тръби са шевни, и не се ползват за нагревни повърхности, а се ползват безшевни.
toni_g79 - специалист
На дедо камината е с такава " водна риза".Поцинковани тръби с разните му там колена.И вече 3-4 години си кара без проблеми :ka: :ka:
tretre - специалист
Мисля да играя на сигурно, без поцинковани тръби!
Други идеи?
tretre - специалист
Спазарих днес един котел Viadrus U 22 Basic 5 секции 29,1 kW за 1386 лева.
Котлето си има термодвойка и чакащо капаче за пелети след години!
Поздрави!
kalin72 - майстор
tretre написа:
Спазарих днес един котел Viadrus U 22 Basic 5 секции 29,1 kW за 1386 лева.
Котлето си има термодвойка и чакащо капаче за пелети след години!
Поздрави!
Това мисля е разумното решение :) Въпреки името на форума, по-добре котлето да е фабрично :mrgreen:
tretre - специалист
Мда, в четвъртък е транспорта. Днес срязах старото котле и го изкарах от гаража. Правя 2 резби 2 цола и съм капитан! Между другото открих вариант за водна риза от чугунени радиатори. Два радиатора по 5 ребра се събират вътре, горе-долу но 10 ребра са около 15 киловата и КПД под 50%. Бях на кантар. И все пак при 80%КПД съм избил котлето за 3 години! Сега единствения проблем е комина на 160мм, до сега беше 130мм! Едва ли ще се затрудня!
tretre - специалист
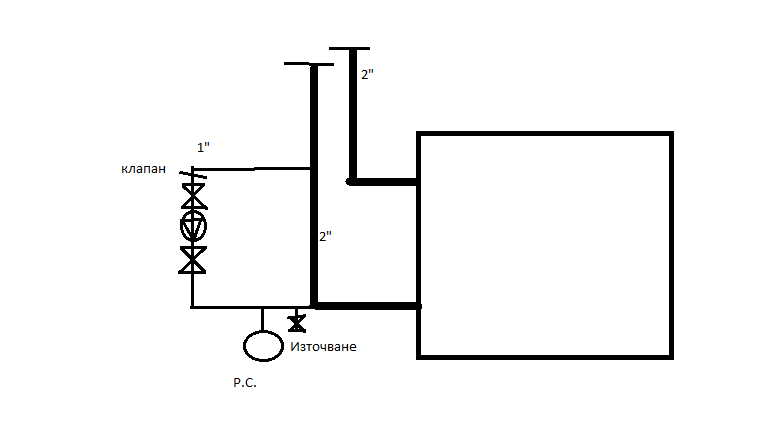
Нахвърлях една схема преди да оплескам всичко и моля за съвет.
Парното е затворена система, но понеже преди беше отворена и гравитачна, ми се ще ако спре тока да продължи да си работи гравитачно.
Това е примерната схема която е най-лесно изпълнима на място.
Просто искам да знам дали има нещо фатално в случая.
Благодаря.

Прикачен файл

Untitled.png
Untitled.png (10.8 KиБ) Видяна 3917 пъти

Тема "Спукана водна риза" | Включи се в дискусията:


Сподели форума:

Бъди информиран. Следвай "Направи сам" във Facebook:

Намери изпълнител и вдъхновения за дома. Следвай MaistorPlus във Facebook: