Най - вълнуващия въпрос зимно време.
yancho_lud - специалист
Здравейте, предстои ми присъединяване на новия котел тия дни и ми се иска да променя малко системата, а именно да сложа трипътен вентил за да предотвратя образуването на конденз. Въпросът ми е какъв вентил да си купя? Ходих до Ерато (от Хасково съм) но там една жена ми показа сумати вентили но не и такъв какъвто си мисля че искам :-D . Иска ми се вентила да се управлява сам, примерно до определен градус пуска към радиаторите и след достигане на зададената температура намалява притока към радиаторите и пуска топла вода към връщащата се вода(нещо като термостата при колите).
Не знам дали обясних какво ми трябва, но мисля че ще ме разберете и ще ме насочите какво от къде и за колко да си купя.
Christo - майстор
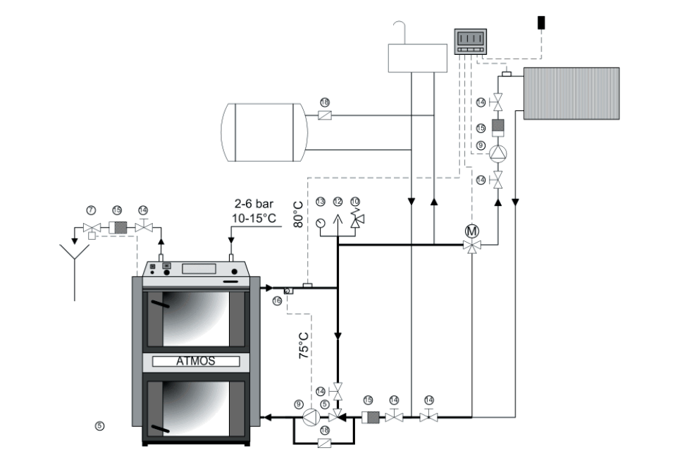
Вентилът трябва да работи обратно на това, което си написал. В студено положение трябва да взема топлата вода от горната част на котела и да я вкарва в долната част. Това продължава докато котелът се стопли целият до определена температура. Важно е тази фаза да е възможно по-кратка, защото през това време котелът не работи добре и трупа сажди и нагар. Различните производители на котли препоръчват различна температура в диапазона от 45 до 72 градуса. Чак след достигането на тази температура вентилът започва да отваря и да пропуска към котела по малко от студената вода от радиаторите. Приложената схема е от www.atmos.cz. Там има още много други и са "класика в жанра". Помпата, която осигурява циркулацията в малкия кръг, може да се управлява от термостат и да се включва, когато водата в горната част на котела стигне минимално допустимата. Тръбата, която излиза от котела и отива към малката помпа се прави по-дебела от тази, която отива към радиаторите. Целта е потокът там да е с по-ниска скорост и мехурчетата въздух да отиват към местата за обезвъздушаване, а не да се връщат към котела. Поздрави и успех!

Прикачен файл

05.gif
05.gif (44.76 KиБ) Видяна 10330 пъти
Последна промяна от Christo на чет сеп 06, 2012 7:59 am, променено общо 2 пъти.
yancho_lud - специалист
Благодарско за помоща, най-накрая разбрах как се ползва трипътния вентил и какъв да си купя. Искам да сложа трипътен защото в описанието на котела ЛИНГ 25 Д пише да си монтира така, но не пишеше нищо за втора помпа откъдето идват и по следващите ми въпроси:
Може ли инсталацията да се направи с една помпа?
На коя вода се слага трипътния, на топлата или на студената, че от схемата не ми става много ясно тъй като не мога да реша кое точно е вентила на тази схема, а и не можах да намеря легенда към нея(моля не ми смейте много, правя си повечето неща сам от мерак а и заради недостиг на пустите гущери)
bulhomes2 - майстор
Тук - http://www.pump-groups.com/termostatich ... ystvie-p9/ гледам, че има доста. Тия не стават ли?
filmatoplo - майстор
Стават , дано им е верен КV -дебита през тях -Q на час, но задължително и втора помпа :) , пък ако сложиш един дори малък буфер ще си ок.
joro_vn - специалист
При мен миналата година Лазар ми инсталира системата с една помпа, работи без грижа цяла година.
Ако гледаме горната схема, имам само помпата 9, на малкия кръг. Тънкостта е да се притвори клапана 14, така че да пропуска едва-едва. При това положение минава достатъчно вода през малкия кръг, за да се загрее котела нормално.
Самата помпа се включва от един термодатчик монтиран горе на изхода на топлата вода от котела при достигане на 58 градуса.
filmatoplo - майстор
:wink: Щом Лазар го е правил е имал нещо на предвид , и си е носил кръста , но аз анатемосвам само 1 помпа , има си защо -монтирайте си я :wink: .Жоро ако аз ти бях монтирал и двете помпи -какво щеше да кажеш :) .Кой питаше ,вентила е под номер 5 от схемата :) .Нищо не ви пречи да я слагате втората помпа ,има сега и по евтини помпи -нея я сложете на малкия кръг , с добавка и на втори термостат и готово, 45-50 вата няма да ви събори :) , но ще имате пълен дебит през котела и особено и най- важно през радиатори,конвектори,подово :wink: .
LazarGanev - "Велик майстор"
Втората помпа мъкне след себе си хидравличен изравнител или буфер, както каза Филма и нещата се усложняват и оскъпяват доста. По тази схема с една помпа съм вързал поне 15 котела и си работят без проблем. Вярно, че си иска настройките, но това важи за всяка система. Ако отоплителната помпа е само една има смисъл да се ползва тази схема. Този месец обаче имам да монтирам котли на 2 обекта, които имат по 3 отоплителни помпи (за всеки етаж отделна). Тогава няма как да стане и ще има отделно котелна помпа и хидравличен изравнител.

Тема "Питане за трипътен вентил" | Включи се в дискусията:


Сподели форума:

Бъди информиран. Следвай "Направи сам" във Facebook:

Намери изпълнител и вдъхновения за дома. Следвай MaistorPlus във Facebook: