Здравейте на всички в този форум.Привт от мен.Ще Ви помоля за вашите мнения и съвети.
Дилемата ми е следната, да бъде или да не бъде
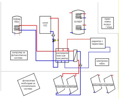
.Имам парно от 10год.на 90кв.в къща и бях доста доволен от него до момента, когато реших да го подобря.В смисъл разбрах че вече съм много назад в технологията. Искам да монтирам колкото са необходими панели и буфер за да направя някакава икономия на дърва и да подпомогна на отоплението.
1. Проблема е че имам един бойлер 150л. с една серпрнтина.Ако беше с две лесна работа, ама не е.Според вас трябва ли да го сменя с по-голям с две серпрнтини и да монтирам към него панелите или да монтирам буфер с две серпентини и панелите към буфера а от там и бойлера?
2.Колко панела и колко литра вода за буфера ще са необходими(приблизително) за да достигна средно за година към 30-40 процента икономия на дърва, като се има в предвид че съм от Велинград(с най много слънчеви дни в годината)
Дилемата ми е следната, да бъде или да не бъде
1. Проблема е че имам един бойлер 150л. с една серпрнтина.Ако беше с две лесна работа, ама не е.Според вас трябва ли да го сменя с по-голям с две серпрнтини и да монтирам към него панелите или да монтирам буфер с две серпентини и панелите към буфера а от там и бойлера?
2.Колко панела и колко литра вода за буфера ще са необходими(приблизително) за да достигна средно за година към 30-40 процента икономия на дърва, като се има в предвид че съм от Велинград(с най много слънчеви дни в годината)
Прикачен файл
парни и панели
Parno_paneli_1.jpg (15.65 KиБ) Видяна 11698 пъти

