• 1
  • 2
Най - вълнуващия въпрос зимно време.
ve4er - напреднал
Здравейте, изчетох доста неща на тема подово и тъй като сме още в процес на изграждане, реших да добавя и този полезен комфорт към отоплителната система. За сега е изградено колекторно табло и изводи за радиаторите на първия етаж, също пуснати щрангове от котелното и за втория етаж. Въпроса ми е:
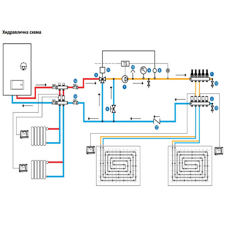
Може ли колекторите за подовото да се свържат от затапените изходи на колекторите за радиаторите, като подовото се изнесе в отделна кутия, предполагам над радиаторната, или пак трябва да се свърже към главния щранг с Т-тка? В колекторната кутия на подовото ще има колектор с 3 извода с дебитомери и за връщащата вода колектор с термостатичи кранове/термозадвижки - още не съм решил, както трипътен смесител, помпа и др. както по схемата която намерих, пускам и снимка на колектора.

Прикачен файл

smesitelna-grupa-tm3-emmeti-s-kolektori_9464.jpg
smesitelna-grupa-tm3-emmeti-s-kolektori_9464.jpg (54.37 KиБ) Видяна 5956 пъти

Прикачен файл

20190502_164114a.jpg
Става, според мен. Схемата, щом я има някъде, значи е ползвана.
Нагласи ли соларния, че Соларко вече дава яко, а всяко забавяне след април забавя и възвръщането на инвестицията?
ve4er - напреднал
Чета и за ТП също, тъста ми подържа хладилни инсталации доста години и ми пусна тази муха, като поне изработката ще се надявам да мина тънко :-D. Доста неща трябва да се предвидят, за да може в един определен момент да се "превключва " системата от ТП на котел или заедно, ако закъса в студеното. Бойлер стоящ сдве серпентини то задължително, буфер чета слагат, аве мътно още...ще събера инфо за квадратура помещения, изолация и ще питам в раздела.
LazarGanev - "Велик майстор"
пон май 06, 2019 3:22 pmve4er написа:
Чета и за ТП също, ... Бойлер стоящ сдве серпентини то задължително,
Чети още, щото бойлер с 2 серпентини, от които едната за ТП ще ти струва повече от ТП
ve4er - напреднал
Друго да попитам по темата с колекторите:
1. Пуснати са два щранга за първи и втори етаж по 1 цол от котелното, като там ще се събират в котелен колектор мисля се наричаше. Задължително ли така трябва или може до помещението с колекторите на първи етаж да идва само един щранг от котела и там с Т-ки и кранове да се направи по-гъвкава системата - само първи етаж, само втори, на котел, на ТП? Сега е пуснато така, но все още може да се коригира. Външното тяло на ТП може да се монтира на едната стена отвън на метър и половина от колекторните кутии.
2. Някаква схема по-точно имали да се ориентирам как да стане това "превключване", което ще е в кутията на подовото над съществуващата на снимката. Какво ще ми трябва и как е най-удачно да се изпълни?
3. Щранга към ТП и той ли трябва да е 1 цол?
LazarGanev - "Велик майстор"
Задължително сложи малък буфер - 100л е достатъчен
Фитилчо - майстор
пон май 06, 2019 4:24 pmLazarGanev написа:
пон май 06, 2019 3:22 pmve4er написа:
Чета и за ТП също, ... Бойлер стоящ сдве серпентини то задължително,
Чети още, щото бойлер с 2 серпентини, от които едната за ТП ще ти струва повече от ТП
Серпентина за Фреон ли имаш предвид?
LazarGanev - "Велик майстор"
чет юни 27, 2019 3:54 pmФитилчо написа:
Серпентина за Фреон ли имаш предвид?
Не, имам предвид, че бойлер с 2 водни серпентини за термопомпа струва от 2000лв нагоре, само бойлера без допълнителното оборудване, а термопомпата сглобена от тъста ще е бвз пари почти :wink:
шоп - майстор
За мен икономически е неоправдано с ТП да се подгрява обемен бойлер чрез водна серпентина.
Лазар е прав, че бойлера ще е скъп поради наличието на серпентина със сериозна площ.

Няма логика да губим от топлообмен. Всички знаем, че една ТП е с по-висок КОП, когато темп. на кондензация е по-ниска.

Ми в случая е малоумно да имаме топлообмен фреон-вода в пластинчат топлообменник и после топлообменн вода-вода при топлообменна в серпентината на бойлера. При всеки обмен губим мин по 5 градуса и КОПа отива на кино.

Фитилчо много правилно спомена медна фреонова серпентина в бойлера.
Все пак сме във форум направи си сам и не е трудно или сам да си свиеш една медна серпентина, или да намериш фирма за да ти я огъне.

И другата крайност я има. Ако някой си мисли, че с 10-15метра медна тръбичка, ф6 или 8-10мм ще направи серпентина в обемен бойлер и ще има топлообмен...ми няма да е доволен от резултата.
ТП ще цикли (тактува старт-стоп), ще сработва защитата по високо налягане или по температура на изключване, защото няма да има достатъчен топлообмен.

Горния проблем е лесно решим с по-дълга серпентина и/или чрез поток на водата около серпентината. За целта или слагаме помпа за рециркулация на БГВ в бойлера или минаваме на 10-15 м външен кожухотръбен топлообменник. Варианта с пластинчат топлообменник е приемлив и прималив, но там трябва да се подържа баланса да сме в диапазона на температурата между опасност от легионела и горна граница да не задръстим пластините с котлен камък.
Фитилчо - майстор
При това положение, е хубаво значи бойлера да е с 3 серпентини.
Една за камината, една за слънчеви колектори и една медна за Фреон.
Ултимативният бойлер

Шопе, ако водната серпентина след пластинчатият топлообменник фрепон/вода е от неръждаемо гофре, като твоята, то площта и е някъде двойно по-голяма от на гладка тръба. По пътя на логиката сигурно и хидравличното съпротивление е по-голяма и съответно топлообмена е подобрен.
Няма обаче как да се избегнат загубите при преобразуването на топлината - веднъж фреон-вода, и после пак вода-вода.


Има ли някакви изисквания и особености при свързването на подово, нормални радиатори и серпентина за бойлер към пелетна камина- каквото ие и питането в темата.
Може ли да се качат някакви схеми освен тази на колегата пуснал темата? За да се ориентирам, че ми предстои :)
Благодаря предварително

При мен ситуацията е към момента 11 отоплителни точки, радиатори в отворена система с преливник на най горната точка, щтрангове 2 цола нагоре и е вързана към пелетна камина на 1 етаж. Директно 22мм мед, към 3/4 нипел заварен на щтранговете от 2 цола. Преди това веднага след излизане от камината и преди щтранговете съм пуснал два извода за бойлера, пак на 22 мед.
Ще добавя скоро бойлера на същите изводи и съответно другата серпентина ще е вакуумно тръбни колектори за 300 литра, колкото е и бойлера.
Предстои ми закачането на 2 малки и един по голям кръг подово.
Искам да зная, каква автоматика и водна арматура ми трябва, извън подовото. Колектори, помпи, редуцир вентили , ожбезвъздушители , дебитомери, задвижки са вече при мен
  • 1
  • 2

Тема "Свързване на колектори за радиатори и подово" | Включи се в дискусията:


Сподели форума:

Бъди информиран. Следвай "Направи сам" във Facebook:

Намери изпълнител и вдъхновения за дома. Следвай MaistorPlus във Facebook: