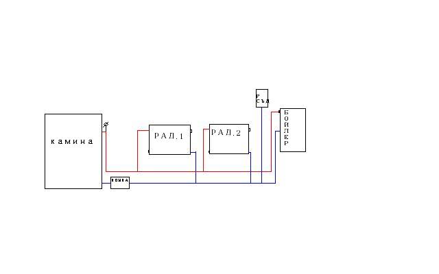
Здарвейте, имам голям проблем. С тази схема която е ми завира водата като стигне 80 градуса. Камината бързо вдига до тази температура, и като пипна трабата на помпата е студена, възможно ли е да имам проблем в помпата (при положение че помпата се усеща че върти). Моля помагайте че става студено 
[/img]
[/img]
Прикачен файл
untitled.JPG (11.8 KиБ) Видяна 5324 пъти

