msm написа: Изхода на ризата (холендъра на снимката)Нещо не мога да си представя разширителя. Питах преди за снимка...
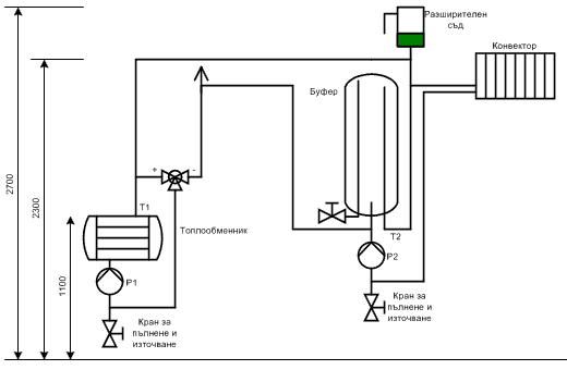
е на 110 см от пода от там и двете тръби се качват на ниво 230см и вървят хоризонтално около 6м до банятя там разщирителя е залепен за тавана цялата височина е 270см мога да направя входа на разширителя на 245см а преливника на 260см Ако дам наклон на тръбите 1 см на 1 м ще дойдат в банята на височина 236см
Обмислям вариант хоризонталните тръби да са на ниво 205 см но трябва да дупча четири стени ( ако се налага ще дупча )
Изходите на буфера може би ще дойдат под 110 см височина
долната част на конвектора на ниво 205см горната на 235см вход изход са на едно ниво 210см и под наклон към хоризонтзлния щранг на ниво 235см хоризонталното разстояние до банята 1.5м
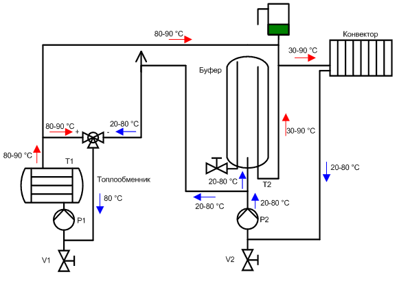
Ако изпълниш тръбите според тази схема обезвъздушител на топлообменника няма да е нужен - въздуха ще излиза през разширителя, дори и при хоризонтално нивелирани тръби. Трябва обаче обезвъздушител на тръбата между буфера и студения вход на термостатичния вентил. Може и обратно.
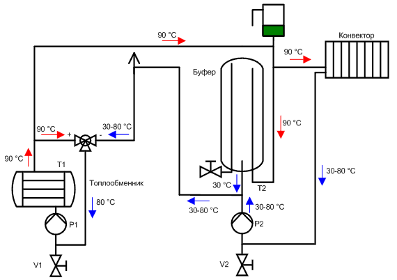
...Когато печката не работи смесителния вентил е студен и входа "-" е затворен. Температурата Т1 е ниска и помпата P1 не работи.
ако буфера (бойлера) се загрява инцидентно от ел нагревателя когато печката не работи дали системата ще се държи както трябва или трябва още нещо допълнително
Искаш да използваш електрическия нагревател за отопление ли?
...Първо се пълни топлообменника през крана под помпа P1. После останалата част през крана под помпа P2.
пълненето откъде трябва да става от буфера или от топлообменника (изходите на буфера май ще дойдат по ниско от ризата)
хоризонталните тръби могат ли да са без наклон или е задължителен за обезвъздушаване
...Първоначално двете помпи са изключени (Т1<65, Т2<35).
Все пак искам да знам ако двете помпи работят едновременно ( а това явно ще е така) как ще се държи цялата система дали ще работи безпроблемно
има ли начин двете помпи да се изчакват и как става и въбще това необходимо ли е?
След запалване на печката започва загряване на топлообменника.
При Т1>65 се включва P1. Водата се движи само през помпата, топлообменника, входа "+" и пак в помпата.
При Т1>80 смесителния вентил отваря входа "-" и започва да отива топла вода към буфера и конвектора. Т2 става >35 и се включва P2. Двете помпи работят едновременно, конвектора топли, буфера се нагрява (поема топлина, влиза топла вода отдясно, отдолу излиза студена и отива към входа "-" на смесителния вентил).
Когато печката угасне входа "-" се затваря и P1 спира. P2 продължава да работи. Водата отива в конвектора, през помпата и охладена влиза отдолу на буфера. Отдясно излиза топлата вода - буфера се охлажда (отдава топлина). Когато водата на изход от буфера стане <30 градуса P2 спира.
Горе-долу така става, ако се използва смесителен вентил за 80 градуса (например от Москвич).
Прикачен файл
rec5.GIF (8.46 KиБ) Видяна 4691 пъти
