• 1
  • 71
  • 72
  • 73
  • 74
  • 75
  • 117
Най - вълнуващия въпрос зимно време.
andy_forresite - майстор
Модулация има непрекъснато, само че водицата в него е твърде малко и като отвори радиатор с 10-11 литра вода в него ....
С приближаване до зададената температура на водата горелката не намалява мощността си. Като я постигне следва кратко изчакване и започва да сваля една по една надолу. Понеже степените са на малки стъпки, в 90% от случаите зададената се подминава с 1, 2, 3 градуса. През това време горелката е свалила 7-8 степени да кажем, температурата на водата става колкото е зададена, пада още надолу с 2-3 гр и през това време е започнало качване нагоре една по една. Може да пише 10 кв, но реално още гори на 9. Смяната на мощностите става бавно заради малките разлики и се получава форсиране за да догони отново тази температура. И това се повтаря. Средната температура за 12 часа обаче е колкото си задал.
Иначе ако се държеше както казваш (да намали от рано) ще дойде момент на балансиране - ще застане на една мощност и ще си стои там докато не потрябва топлина (отвори термоглава). Аз правя това ръчно като я ограничавам на хх киловата. Така чертае права линия с часове.

Трипътния по дадената схема не гарантира връщаща вода по зададените от термоглавата градуси. Например задаваме 65° и трипътен на 60 градуса. Някой ще каже слагам мощността на 5 киловата, кило на час, ще ми връща 60 градуса към котела, супер. Да, ама не. С 5 kw ще постигне да кажем 50 градуса на водата и ще връща 46-48 в котела. 65 изобщо няма да ги стигне. Трябва висока мощност за такива температури.
gnt69 - майстор
Значи проблема е в трипътния сменяй го. При зададена 60 не може да пуска вода 45. :?
andy_forresite - майстор
Сензорът на трипътния е на връщащата вода. Сложил съм го най-отгоре върху поцинкована тръба 1" с алуминиева шина, в която ляга. Шината се продава с вентила. Тази шина съм я завързал с две свински опашки за тръбата като прихванал и сензора. Отгоре върху това цялото съм положил 9 мм изолация и съм я стегнал с алуминиево тиксо.
При Стайо работи по същия начин и предполагам и при другите по тази схема на свързване е същото.
Веднъж пробвах да настроя подаването на пелети с ограничение на 3 кв и затворен вентил от главата. Започна да слага по един градус в минута, което е почти същото като с нагревател от бойлер 3 кв на ток. Да, ама помпата тръгваше на 50 и вентилът взе да пропуска вода към радиаторите и отделно не паднаха пелети при две поредни зареждания. Резултатът бе скриване на пламъка към главата на горелката, по едно време показа осветеност 0 и аз махнах ограничението. Иначе от 20 до към 50 ги вдигна горе-долу по градус/мин.

Друго. Задавал съм 54 вода и 60 вентил. Дали не беше и 65 :? . Както и да е. Важното е че градусите на вентила бяха по-високи от зададената. На теория трябва котелът да грее себе си при това положение. Пропуска си. Никога не може да затвори плътно, 100% херметично. Мисля че така си е направен - да остава мъничка пролука колкото карфица или две. Та при 54/60 или 54/65 работеше 54/53, т.е. през 1-1,5°.
gnt69 - майстор
Сензора на вентила трябва да е на малкия кръг, не на връщащата вода.

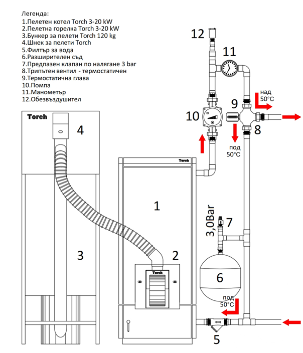
Прикачен файл

shema-montaj.png
andy_forresite - майстор
Е на малкия кръг де. Там съм го сложил. Намира се при № 5, където пише "под 50 градуса". Там ми е сензорът, след него са кран-филтър-кран и следва вход котел.
Вентилът "преценява" колко от току-що излязлата от котела вода да пусне надолу, за да се смеси с хладката от инсталацията че да се получат зададените на главата му градуси. При недостиг на мощност тези градуси не може да се постигнат. Вода към инсталацията пуска, макар и много малко. Затова работи при примерно 55 котел и 60 вентил. Не твърдя че така трябва да е, точно обратното. Казвам как се случват нещата. Иначе като му врътна главата много бързо сработва. Чува се лекичко пукане - отваря, затваря и така.
gnt69 - майстор
andy_forresite написа:
Е на малкия кръг де. Там съм го сложил. Намира се при № 5, където пише "под 50 градуса". Там ми е сензорът, след него са кран-филтър-кран и следва вход котел.
Вентилът "преценява" колко от току-що излязлата от котела вода да пусне надолу, за да се смеси с хладката от инсталацията че да се получат зададените на главата му градуси. При недостиг на мощност тези градуси не може да се постигнат. Вода към инсталацията пуска, макар и много малко. Затова работи при примерно 55 котел и 60 вентил. Не твърдя че така трябва да е, точно обратното. Казвам как се случват нещата. Иначе като му врътна главата много бързо сработва. Чува се лекичко пукане - отваря, затваря и така.
Явно трябва да си поиграеш с него да видиш кога на какви градуси пуска. Аз съм с такъв на 60 от тая схема и водата в системата я държи на минимум 60 просто под тия градуси не може да падне. Другия вариант е да е захапал кълчища и да не може да затвори.
andy_forresite - майстор
В момента е 55/50 - 55 на водата и 50 на вентила. Такава е температурата в този момент. Като прескочи над 55, свали мощност и изпусне градусите на 53,5, тогава вентилът връща 49 цяло и нещо. Това е общо взето. Кълчища има само откъм страна на радиаторите, но толкова фино са сложени и малко, че няма как да е захапал от тях. Ако го стегна с капачката сигурно ще затвори напълно, ама нали трябва да пропуска към радиаторите нещичко.
Също когато превиши над 55, както е сега 56,1, връщащата пак си е 50,0, т.е. стои там като с пирон. Е, 3-4 десети нагоре-надолу сега ... :)

Датчикът за осветеност на горивната камера не е сложен на подходящо място. Може би по-добро място не е имало. В много случаи показва дори 0 и мига, а пламък си има. Друг показва 178, а като погледна пламъкът е навътре и не се вижда (на 3-4 кв). Отделно шнекът като прибута пелетите за горене затъмва датчика и в 95% от случаите като се сипят пелети осветеността пада с много. Ще кажеш ооо това не гори, обаче като наблюдаваш пламъка дълго време докато си сипва и прибутва, няма никаква разлика. Само тези стойности варират с много. Затова казвам, че не е добре да е там и то е факт.
gnt69 - майстор
За това говоря значи като е нагласен на 50 не може температурата на котела да е 45. Само не разбрах кога започва да модулира като достигне 55 или 10 градуса преди това.
andy_forresite - майстор
Задаваме 65° на водата и палим. Сипва една шепа пелети, запалва ги за 2-3 минути и тръгва от 3 киловата. Качва по 500 вата и така 34 пъти до достигане на максимума от 20 киловата. Достига заданието от 65° и сваля на 19,5 kw, след това на 19 kw, 18,5 kw ... сваля докато водата стане 64,9 за повече от 30 секунди. Ако в това време поне веднъж термометърът застане на 65, тогава няма да смени и ще чака нови 30 секунди. Така, имаме 64,9° за повече от 30 секунди (може и да не са точно 30, някой път сменя по-бързо, друг път изчаква) и слага 500 вата - качва от 18,5 на 19 kw. Затова ти казах, че постоянно е в модулация, т.е. постоянно сменя мощност една по една без да прескача в стремежа да поддържа зададената температура на водата. Реално аз повече от 2 мин на една мощност не съм я виждал. Това когато съм я освободил да ходи докъдето иска. На практика я отрязвам на 8, 10, 12 кв. Знам с колко радиатора и градуси в стаите колко мощност ми трябва и не позволявам да произвежда много повече от нужното, за сметка на по-бавното отопляне. Просто я стартирам по-рано.
stoy@n - специалист
andy_forresite написа:
...Веднъж пробвах да настроя подаването на пелети с ограничение на 3 кв и затворен вентил от главата.
При мен минималната стойност на ограничаване на мощността е 5 kW по-надолу не ми позволява. Сега жена ми пробва различни температури на трипътния вентил ,защото най-последния радиатор, който е и най-голям, от средата надолу е студен.Преди когато беше по-топло и котела беше на 50 градуса радиатора си работеше нормално. От миналата седмица без да е пипано нищо по настройките, последния радиатор взе да прави номера :? Пробвано е и сдруга термо-глава и пак същото. Kотела сега е на 55 градуса а водата която се връща е 51 градуса. Не мога да разбера дали проблема при мен е от трипътния вентил или от нещо друго :? Като се прибера смятам да го сваля този радиатор и да го промия...със другите няма проблем топлят си нормално. Аз съм го ограничил на 12 kW, но той почти не достига до там. В редки случаи се качва до 11 kW и работи в повечето случаи от 3 до 8-9 kW.
  • 1
  • 71
  • 72
  • 73
  • 74
  • 75
  • 117

Тема "Пелетен котел Torch, проблеми, настройки и ползване." | Включи се в дискусията:


Сподели форума:

Бъди информиран. Следвай "Направи сам" във Facebook:

Намери изпълнител и вдъхновения за дома. Следвай MaistorPlus във Facebook: