• 1
  • 5
  • 6
  • 7
  • 8
  • 9
Най - вълнуващия въпрос зимно време.
trace74 - специалист
Здравейте отново,

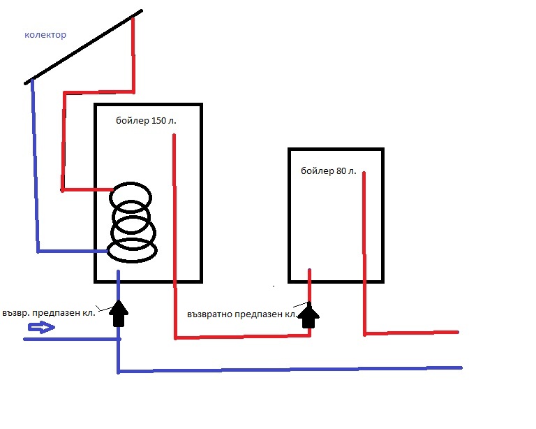
с ваша помощ и със съветите, които дадохте всичко е завършено и засега работи добре. Първо както Лазар Ганев предложи увеличих литрите, като към съществуващия 150 литров соларен бойлер закачих още един 80 литров обикновен електрически - последователно. За целта прежалих едно от шкафчетата в мокрото помещение за ужас на жена ми, но стана много добре тъй като втория бойлер е в шкафчето и не се вижда. Крайния резултат е че вече имам 230 литра вода, които са напълно достатъчни за четиричленното ни семейство. Решил съм първият бойлер да е чисто соларен и съм го откачил от електрическата мрежа. Вторият , който е не лош модел на Аристон съм го настроил на 47 градуса и ще доподгрява ако има нужда. Засега не се е случвало, но наближават и тези дни. Ето това е схемата на свързване на бойлерите и работи много добре. Няма пад на налягане, топла вода има винаги ,защото ние консумираме редовно и по този начин във втория бойлер винаги постъпва нова топла вода загрята от колекторите, което не допуска включване на нагревателя. По този начин в лоши зимни дни когато слънцето е малко, колкото и енергия да има то тя ще влезне в соларния бойлер, а от там ще бъде дозатрята от втория. Бойлера на Аристон е с 2 електронни NTC датчика за температура в горния и среден край, които температури се показват на дисплея му , което е много удобно.
http://www.ariston.com/ww/SHAPE_PREMIUM
Искам да благодаря специално на Лазар Ганев за това, че ми помогна със съвета си за този тип връзване на бойлерите.
И като сме започнали с последователно свързване да си кажа и за колекторите :axe: Дано Лазар Ганев не ме линчува за това решение. След разговор с Бош отново , те подчертаха че не препоръчват такива нестандартни схеми и биха предпочели обема вода да е сметнат коректно и правилно за съответно 2-3-4 и т.н еднородни панели. В моя случай обаче тъй като основният панел Bosch 7000 TF е доста мощен, поставянето на втори такъв би преоразмерило прекалено инсталацията , а пък вече 230 литра и дълъг тръбен път изискват още колекторна площ, склониха че може да се постави още един Bosch 4000 TF вързан задължително последователно, но само ако се сметнат правилно сеченията на двата колектора и се установи , че няма да има проблем. Е .....смятаха, смятаха и казаха, че е допустимо и вързахме още 1 панел последователно. Ето това е схемата. Резултатите са..... повече от добри, системата започва много по-рано сутрин и интензивно да загрява вода. В деня на монтажа от към 30 градуса в бойлера към 1 часа до 5 часа при силно слънце температурата достигна 63 градуса /датчика в средата на бойлера/ и помпата продължаваше да роботи в 5 часа. С 1 панел към 4 и 30 системата на практика спираше. Следващите дни с променлива облачност отново много по-бързо и интензино загряваше водата въпреки консумацията и като цяло смятам, че сега всичко е по-правилно оразмерено. Дори днес когато в София беше почти цял ден облачно температурата в соларния бойлер от 30 градуса достигна 45 /датчика в средата на бойлера/, като в същото време в 80 литровия Аристон температурата беше 60 градуса. Знам, че като цяло се усложни всичко като монтаж и средства, но важното е че крайният резултат поне според мен е добър. Споделям всичко това защото все за някой може да бъде полезно.
Още веднъж благодара на всички помогнали и дали съвети .

Прикачен файл

serpar.jpg
serpar.jpg (58.27 KиБ) Видяна 3653 пъти

Прикачен файл

2boilera.jpg
2boilera.jpg (51.11 KиБ) Видяна 3653 пъти
saraneron - специалист
Добре свършена работа!
saraneron - специалист
Как се дъджи системата? Пиши от време на време ако имаш възможност!
trace74 - специалист
saraneron написа:
Как се дъджи системата? Пиши от време на време ако имаш възможност!
Ще споделя наблюденията си относно работата на системата. Както споменах определено загряването на вода стана доста по интензивно и поне според мен системата в момента е по-добре оразмерена за нашите нужди. Последните октомврийски дни когато имаше слънце спокойно се достигаха градуси между 60 и 70 в соларния бойлер като в последователно свързания бойлер винаги температурата е по-ниска, но достатъчно гореща за къпане, между 52 - 59 градуса. Определено бойлерчето на Аристон е с доста прилична изолация. А и факта, че водата не е с много висока температура може би спомага да я съхранява добре за дълго време с ниски загуби - до 1-2 градуса за около 12-14 часа. Интересното е че въпреки, че е с дигитален дисплей и показва температурата на дисплея точно, включен е на ръчен режим и настроен на 52 градуса има известен хистирезис. Тоест като почне да пада температурата в него под 52 градуса не се включва нагревателя, включва се чак когато Т падне на 48 градуса и загрява до настроените 52 и спира. Това наблюдение го имам от единствените 2 дни , в които нямаше слънце, през останалите просто никога не се е налагало доподгряване на електричество. Тъй като режима ни на ползване на топла вода е къпане вечер основно на децата, а ние със съпругата ми понякога кратък душ, а се къпем основно всяка сутрин преди тръгване за работа, това води до почти изпразване не соларния бойлер /20-25 градуса в средата/, във вторият бойлер винаги температурата досега беше над 50 градуса /80 литра/ без ел. доподгряване. До днес 27ми , в който времето беше облачно.
Соларният бойлер достигна 34 градуса /в средата/ до края на деня и в общи линии къпанията ги пое 80 литровия бойлер. Интересното е че въпреки , че доподгряването вечерта беше много кратко, буквално за 10-15 минути /1800W e нагревателя/, което е сравнително добре и означава, че в горната част на соларният бойлер температурата е явно сравнително висока и така охлаждането на втория бойлер става много бавно.
Но изводи ще правя тепърва тъй като идват вси по лоши и облачни дни за системата :)
Забравих да кажа , че на вторият панел също има датчик за Т макар той да не се взима предвид при управлението на помпата, просто информативно да следя температурата. Абсолютно същата е както и в първия колектор.
Другото нещо , което сам си направих гледайки трагично изкълваната изолация на колекторите на съседа и то само за 1 година беше да купя PVC тръби 50мм и 110мм и да покрия целият тръбен път на покрива и да го вкарам в тръбите, които после увих с алуминиева лепенка , като се надявам всичко това да изкара малко повече. Кабелите на датчиците също съм ги увил с алуминиева лепенка и ги вкарах в PVC тръбите.
Утре ще кача 2-3 снимки да колекторите за да видите как се получи.
trace74 - специалист
Здравейте,
както обещах ето 2 снимки на колекторите снимани днес. Като цяло за този тип свързване мисля,че се получи доста прилично и прибрано. Системата дори в този облачен ден работи без прекъсване от сутринта като соларния бойлер беше на 25 градуса в средата. В момента 11 часа /по новото време :) / температурата на колекторите е 40 градуса , в средата на бойлера 30, а няма никакво слънце. И все още работи без прекъсване. Определено съм доволен.

Прикачен файл

P1020311a.jpg

Прикачен файл

P1020306a.jpg
Andri01 - майстор
trace74 написа:
Здравейте,
както обещах ето 2 снимки на колекторите снимани днес. Като цяло за този тип свързване мисля,че се получи доста прилично и прибрано. Системата дори в този облачен ден работи без прекъсване от сутринта като соларния бойлер беше на 25 градуса в средата. В момента 11 часа /по новото време :) / температурата на колекторите е 40 градуса , в средата на бойлера 30, а няма никакво слънце. И все още работи без прекъсване. Определено съм доволен.
Десния колектор не е ли за хоризонтален монтаж ? Колекторните му тръби са на дългата страна,нали?
filmatoplo - майстор
:) Десния панел е с тръба навита меандър , левия панел е с колекторен тип прави тръбички - и двата са за вертикален монтаж :wink:
trace74 - специалист
Да, filmatoplo е прав. И двата колектора макар и различен тип са за вертикален монтаж.
saraneron - специалист
DАЙ повече инфо за измерваната температура на колекторите ,че нещо не разбирам какво означава ,,една и съща температура,,и на двата колектора ,единияр я затопля а другият не прави нищо?
trace74 - специалист
saraneron написа:
DАЙ повече инфо за измерваната температура на колекторите ,че нещо не разбирам какво означава ,,една и съща температура,,и на двата колектора ,единияр я затопля а другият не прави нищо?

Ами според мен панелите си работят прекрасно, това че измервана температура и от двата датчика е еднаква се дължи според мен на местоположението на местата предвидени за датчиците за температура. На първият Bosch 7000TF мястото предвидено за датчика е на изхода , а на Bosch 4000TF е в горният край но от страната на входа. Ето защо почти няма ралика в температурата на двата датчика. Сигурен съм, че ако поставя датчика на изхода на втория ще я отчета. Иначе системата работи отлично на този етап.
  • 1
  • 5
  • 6
  • 7
  • 8
  • 9

Тема "Въпрос относто изолацията на тръбният път при сл. колектор." | Включи се в дискусията:


Сподели форума:

Бъди информиран. Следвай "Направи сам" във Facebook:

Намери изпълнител и вдъхновения за дома. Следвай MaistorPlus във Facebook: