• 1
  • 6
  • 7
  • 8
  • 9
  • 10
  • 14
Най - вълнуващия въпрос зимно време.
gench - специалист
Ееее чак такива цигании нама да правя :) :)
gench - специалист
Най-после започнах с изпълнението :)
В коридора замазката над тръбата стана едва 2 см. дано не е проблем.
Имам да правя още 65м2 , ако виждате грешки приемам критики и съвети.

Прикачен файл

P1010014.JPG

Прикачен файл

P1010011.JPG

Прикачен файл

P1010004.JPG

Прикачен файл

P1010005.JPG

Прикачен файл

P1010001.JPG
gench - специалист
още снимки

Прикачен файл

P1010020.JPG

Прикачен файл

P1010019.JPG

Прикачен файл

P1010016.JPG
2v6 - майстор
gench написа:
още снимки
На последната снимка се виждат два кръга нагоре от колекторите - за какво са?
Колекторите в мазето ли са?
gench - специалист
Колекторите са в банята на първия етаж.А тези двата кръга са за конвектори които се падат непосредствено над колекторите.Единия за коридора другия за всекидневната.Просто не видях смисъл тръбите да слезнат до земята и после пак нагоре към колекторите.
2v6 - майстор
gench написа:
Колекторите са в банята на първия етаж.А тези двата кръга са за конвектори които се падат непосредствено над колекторите.Единия за коридора другия за всекидневната.Просто не видях смисъл тръбите да слезнат до земята и после пак нагоре към колекторите.
Да, така е по-добре.
Ще има ли подово на втория етаж?
gench - специалист
Ще има със сигурност но дали ще е това десетилетие не знам :-D
Все пак съм си оставил тръби за нагоре.
AntonBM - специалист
Гледах внимателно снимките и не можах да намеря кусур. Всичко изглежда – ОК.
Само се чудих защо си сложил 2 подови сифона толкова близо един до друг? Предполагам, че единия ще го отделиш за нещо като душ-кабина...
Голямо „дупене” е било реденето на серпентината. Чака те още редене. Няма проблем с това, че си само с 2 см замазка над тръбите. Ако не пипаш с ръка трудно ще усетиш разлика в температурата на пода. Оптимална дебелина за над тръбите за мен е около 3,5 см, т.е. обща дебелина на замазката около 5-6 см.
Пусни още снимки, когато завъртиш и другите серпентини.
Помисли още сега за конденза на конвекторите. После няма да къртиш за да слагаш и тези тръби (с най-евтините PVC-тръби се прави).
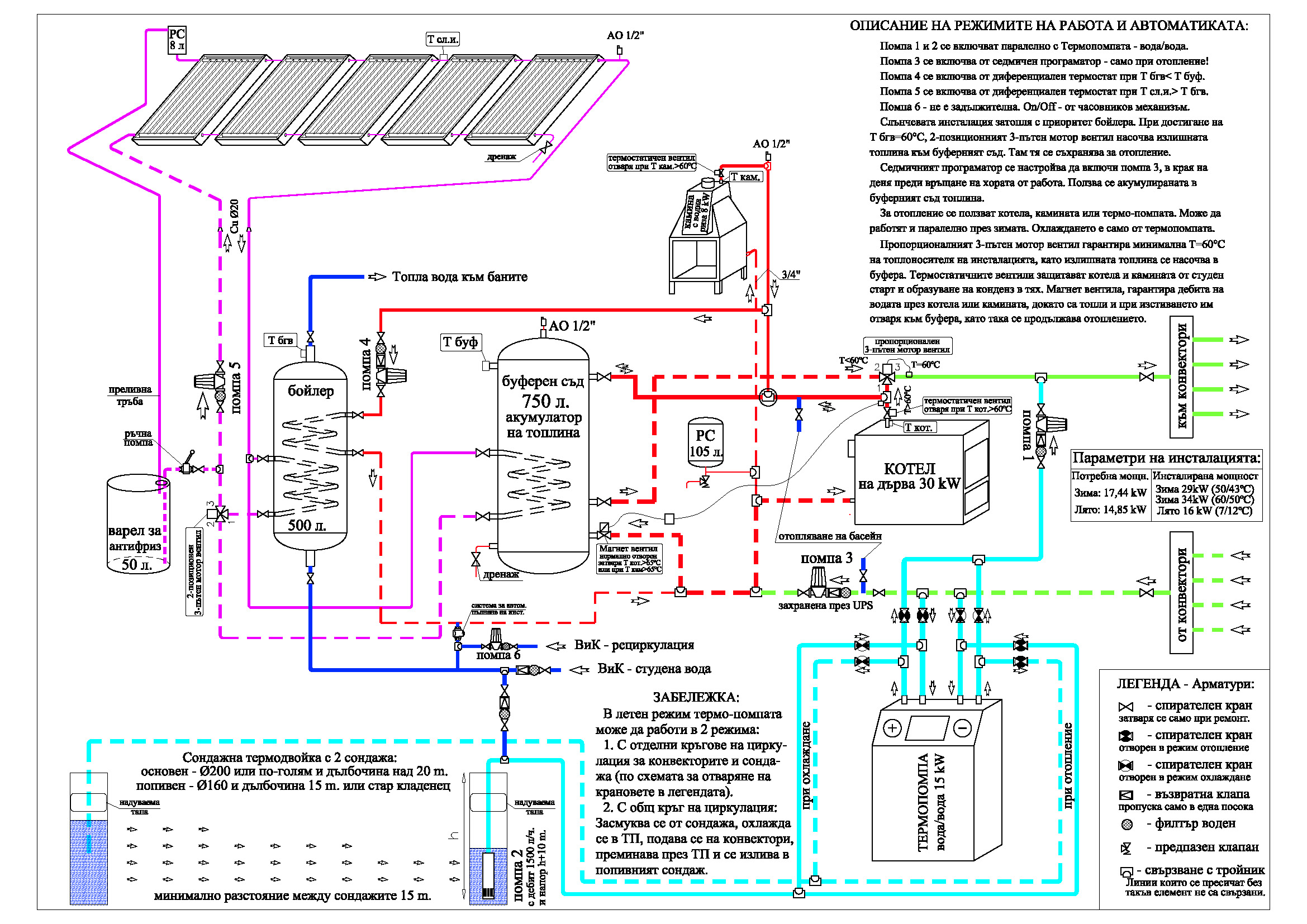
Остава сега да изчистим схемата на свързване на термопомпата. По-вероятно е тази, която си избрал да е без 4-пътен вентил и да не обръща режима на охлаждане и отопление. Ако има обръщане схемата е подобна на тази, която си дал ти на предният лист от темата, но ако няма е нещо подобно на тази, която съм дал по-долу (гледай само сините и зелени линии).

Прикачен файл

6_shema-2.jpg
2v6 - майстор
gench написа:
Ще има със сигурност но дали ще е това десетилетие не знам :-D
Все пак съм си оставил тръби за нагоре.
Значи на първия етаж ще има 6 подови кръга.
С какви размери са (площ на замаските, диаметър и дължина на тръбите)?

Какъв е вътрешния диаметър на тази тръба:
Прикачен файл:
untitled.JPG
untitled.JPG (18.24 KиБ) Видяна 4325 пъти
gench - специалист
Здрасти Антоне
За сифоните си абсолютно прав.
Конденза на конвекторите съм го направил - 20мм пвц тръбички директно в канализацията.
За ТП тази година със сигурност няма да има пари :( Догодина ще тегля пак някъв кредит.
Разликата в цената за охлаждането е около 750 лв. и незнам дали ще мога да ги отделя.
  • 1
  • 6
  • 7
  • 8
  • 9
  • 10
  • 14

Тема "Помощ за водно подово отопление с термопомпа" | Включи се в дискусията:


Сподели форума:

Бъди информиран. Следвай "Направи сам" във Facebook:

Намери изпълнител и вдъхновения за дома. Следвай MaistorPlus във Facebook: