filmatoplo написа:Същия топлообменник има и в моя червения котел дето съм монтирал по горе. Имаш ли клапа която да отсича дирекното излизане на дима и откланянето му през топлообменника .Наистина ли е същия фабричен ли е или правен с какви размери каква мощност как точно се регулира с клапата и кой е най добрия режим
искам да знам какво да очаквам от моя топлообменник
на този от котела има ли обратен ход на димните газове
има ли наклон за конденза и в коя посока
на моя съм предвидил три клапи на двата изхода по една и една за двуходов режим
не знам кой ще е най удачен
при мен ще се монтира на изхода на печка тип чудо от кафявите
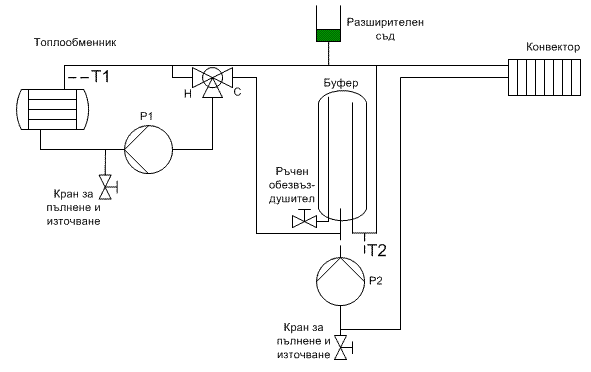
дали ще може да захрани и бойлер освен буфера и тялото конвектор
за да го пробвам първо трябва да изградя тръбната инсталация а та доста неща не са ми ясни та ако можете да помагате със съвети и указания ще съм благодарен
ако ващия котел е фабричен и има ръководство за режима на горене ще бъде интересно
Със здраве
