вт яну 29, 2019 1:55 pmsergi написа:
много ти благодаря
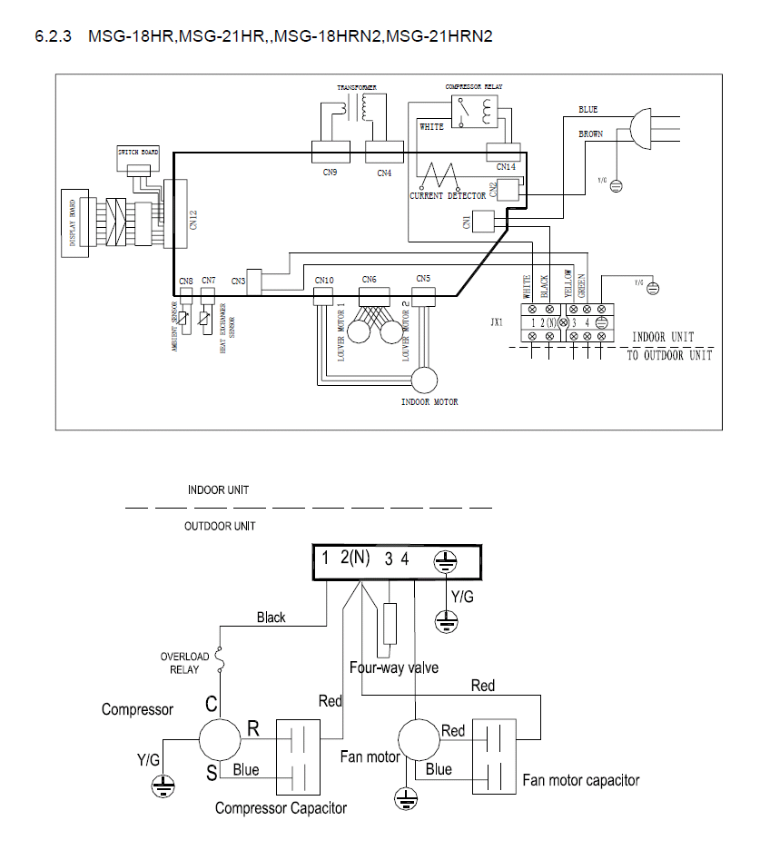
радвам се че ти се включи, защото са ти ясни нещата....модела е този и е инверторен направен с термостат и регулатор....???
Midea msg 21hrn2
какво мислиш?
Модела не е инверторен, всичките му мотори и компресора са AC.
Няма проблем да работи с тоя регулатор, ще работи.
Жалко, че са го скопили и няма да ползваш дистанционното. Можеше и да е по-добре, в смисъл да си регулира температурата от дистанционното, ама ...
Прикачен файл:
HRN2.PNG (75.76 KиБ) Видяна 1779 пъти

