tolytoly написа:Мерихме колко остава след правата плоча и ще поръчам още една. Като я сложа ще остане в дъното на котела 3см. от плочата за димните газове. Добре ли ще е?Ша си дойдем на думата
Най - вълнуващия въпрос зимно време.
n.ganev
- майстор
1107 мнения в "Пелетни горелки Ferroli Sun и Mikro P7-P12 Инфо,настр. и др."
filmatoplo
- майстор
- Мнения: 17842
3 СМ е малко май 
tolytoly
- напреднал
- Мнения: 32
И на мен ми се струва малко, но пък нали при 70% затворена клапа на комина остава малък отвор за димните газове и няма проблем (пушене и т.н).
Хаха... днес голям майтап... отварям вратата на котела, за да изчистя скаричката и изведнъж вентилатора се включва и издуха остатъците в лицето ми
Лелее... чак тогава се сетих, че не съм спрял захранването на горелката и като съм светнал с лампата да разгледам за остатъци или шлака и сензора е отчел пламък и хоп - издуха
:D:D:D:D
Вече знам - при почистване - спирам тока
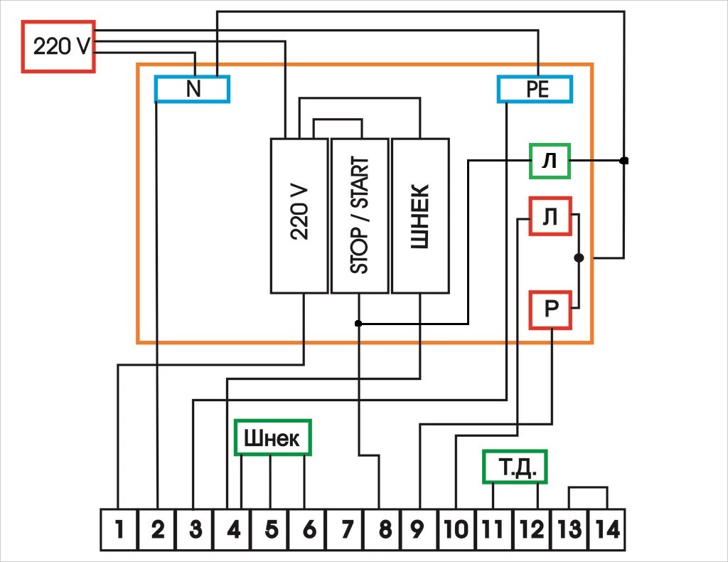
Ето и малко снимки от проекта ми

BOX_EL_Ferolli AC.jpg (115.53 KиБ) Видяна 2395 пъти
Ето и по коя схема правих кутията (добавих още 1 лампа към схемата на iceheart)
Хаха... днес голям майтап... отварям вратата на котела, за да изчистя скаричката и изведнъж вентилатора се включва и издуха остатъците в лицето ми
Вече знам - при почистване - спирам тока
Ето и малко снимки от проекта ми
Прикачен файл:
BOX_EL_Ferolli AC.jpg (115.53 KиБ) Видяна 2395 пъти
filmatoplo
- майстор
- Мнения: 17842
tolytoly
- напреднал
- Мнения: 32
Има фланец, но не се вижда тук на снимките (ще го снимам и ще постна снимки).
За фланец използвах стар спирачен диск от "опел омега" - за 10 лв. го купихме от моргата и за още 10 стругаря го направи (тип тръба), после се сетихме, че просто можеше да намерим дебелостенна тръба ф 150 и да си отрежем с флекса, но... нищо.
Фланеца уплътних със силикон (черен, високо температурен до 300 градуса).
Жибото е много скъпо и за това правихме алтернатива. Пък и фрезиста малко се "оа.." - като е правил отвора е оставил фрезата да си работи сама и след като е пробила вътрешния отвор (откъм горивната камера), слизайки надолу през ватата се оказало, че вътрешната част на предния чугун е оребрена и когато ножа е минавал през гънките му е изместил с 3-4 мм. детайла... След това ни се обади... елате тук да видим какво ще правим... Видяхме и решихме да "вземе" елипсовидно външния отвор (този грешния) и да уеднакви спрямо вътрешния. В следствие се получи лека пролука в горната част на фланеца - около милиметър. За това уплътних и със силикон
Естествено при този фрезист повече няма да отида
За фланец използвах стар спирачен диск от "опел омега" - за 10 лв. го купихме от моргата и за още 10 стругаря го направи (тип тръба), после се сетихме, че просто можеше да намерим дебелостенна тръба ф 150 и да си отрежем с флекса, но... нищо.
Фланеца уплътних със силикон (черен, високо температурен до 300 градуса).
Жибото е много скъпо и за това правихме алтернатива. Пък и фрезиста малко се "оа.." - като е правил отвора е оставил фрезата да си работи сама и след като е пробила вътрешния отвор (откъм горивната камера), слизайки надолу през ватата се оказало, че вътрешната част на предния чугун е оребрена и когато ножа е минавал през гънките му е изместил с 3-4 мм. детайла... След това ни се обади... елате тук да видим какво ще правим... Видяхме и решихме да "вземе" елипсовидно външния отвор (този грешния) и да уеднакви спрямо вътрешния. В следствие се получи лека пролука в горната част на фланеца - около милиметър. За това уплътних и със силикон
Естествено при този фрезист повече няма да отида
Последна промяна от tolytoly на пет окт 23, 2015 11:26 am, променено общо 1 път.
filmatoplo
- майстор
- Мнения: 17842
Затова фрезиста съм си аз -с дрелката и малкия флекс 
filmatoplo
- майстор
- Мнения: 17842
Незнам защо кефят си ме тези горелки , само дето заводско са с по висока минимална мощност 13,5 киловата .Пробвал ли си да намалиш мощността .Друго по ел таблото -все си мисля че захранването на ключа старт трябва да се взема през или както се казва след главния предпазител 220 в , така или иначе не можеш да стартираш ако не си захранил с ток горелката , ключа за шнека си е свързан добре
.Ако съм на теб ще сложа и лампичка да светва точно когато върти шнека -ще умреш от кеф
.
tolytoly
- напреднал
- Мнения: 32
Да, за бушона "старт" си прав, нормалната логика е да е след бушона 220, но така или иначе не пречи - при липса на 220 няма да стартира пък и щеше да е нужен допълнителен кабел (изход 220 към вход "старт"), а аз за 3-те входа ползвам мост за бушони тип "гребен" и щеше да стане излишен...
Идеята с трета глимка е интересна, но няма ли да дойдат в повече 3 лампи
Относно намалянето на мощността на първа степен според мен е практически възможно (все пак нали може да се намаля въздуха и да се намаля дозата), но не е реализуемо при мен, защото ако я намаля още, няма да може да задържа темп. и непрекъснато ще модулира.
В момента съм я нагласил така, че след 2 цикъла на модулиране (3-2-1, 1-2-3 степени) задържа на първа и работи само на нея, като държи 58-59 градуса Т-котел. След час работа покачва още половин. Аз точно това целя - постоянна темп. на водата в системата, а като реша - стоп
Идеята с трета глимка е интересна, но няма ли да дойдат в повече 3 лампи
Относно намалянето на мощността на първа степен според мен е практически възможно (все пак нали може да се намаля въздуха и да се намаля дозата), но не е реализуемо при мен, защото ако я намаля още, няма да може да задържа темп. и непрекъснато ще модулира.
В момента съм я нагласил така, че след 2 цикъла на модулиране (3-2-1, 1-2-3 степени) задържа на първа и работи само на нея, като държи 58-59 градуса Т-котел. След час работа покачва още половин. Аз точно това целя - постоянна темп. на водата в системата, а като реша - стоп
filmatoplo
- майстор
- Мнения: 17842
Тема "Пелетни горелки Ferroli Sun и Mikro P7-P12 Инфо,настр. и др." | Включи се в дискусията:
Сподели форума:
Бъди информиран. Следвай "Направи сам" във Facebook:
Намери изпълнител и вдъхновения за дома. Следвай MaistorPlus във Facebook:
Имаш нужда от подходящ професионалист за дома?
- Преустройство, ремонт и реновиране
- ↳ Вашите ремонти
- ↳ Кухня
- ↳ Баня
- ↳ Дневна
- ↳ Спалня
- ↳ Детска
- ↳ Градина
- ↳ Коридор
- ↳ Тераса и балкон
- Направи сам
- ↳ Направи сам
- ↳ Ремонтирай сам
- ↳ Къде е по-евтино?
- ↳ Дърводелство
- ↳ Ел. инструменти
- ↳ Металообработване
- ↳ Конкурс "Направи сам 2012"
- Строителство
- ↳ Всичко за вилата
- ↳ Къщи
- ↳ Саниране
- ↳ Хидроизолация
- ↳ Пасивни и нискоенергийни сгради
- Сухо строителство
- ↳ Окачени тавани
- ↳ Преградни стени и предстенни обшивки
- ↳ Сухи и повдигнати подове
- ↳ Декоративни елементи - колони, трегери, сводове и др.
- ↳ Всичко за гипскартона и гипсфазера
- Въпроси и Отговори
- ↳ Полезни съвети
- ↳ Автомобили
- ↳ Партньори
- ↳ Боядисване и Декориране
- ↳ Вентилация, климатици и термопомпи
- ↳ Водоснабдяване и канализация.
- ↳ Всичко за ремонта
- ↳ Електротехника
- ↳ Отопление
- ↳ Газификация
- ↳ Електроника и Схеми
- ↳ Газобетон
- ↳ От всичко по малко
- ↳ Компютри и периферия
- ↳ Уеб дизайн, PHP, MySQL, JavaScript, HTML..
- ↳ Мобилни устройства, GSM-и
- ↳ Нека се запознаем
- ↳ Recycle Bin
- Статии
- ↳ Практични решения
- ↳ Качване на снимки
- ↳ Какви статии искате?
- ↳ Готварство, туршии и зимнина
- ↳ Отмора и шеги
- ↳ От нищо нещо
- ↳ Не е за вярване
- ↳ Литература
- ↳ Връзки към Интересни сайтове
- Магазин
- ↳ Препоръки и Мнения за он-лайн магазина
- ↳ Крадeни инструменти !!!