Най - вълнуващия въпрос зимно време.
filmatoplo
- майстор
93 мнения в "Тръбен топлообменник"
filmatoplo
- майстор
- Мнения: 17842
Мислих си да взема буфер с серпентина и по нея да пусна вода от водопровода с малък дебит под 10 литра в минута да стане проточна юнга - ама клиента не пожела щото имаше 200 литра бойлер със 2 серпентини и него свързах -двете последователно с външен байпас .Каквото можеше да се свързва го има тука приложено -управлява се от 6 контактни термостата и 4 контактора .Конвекторите работят при делта те 10 градуса а радиаторите при 20 градуса делта те - дебита се наглася лесно чрез показанията на термометрите .
msm
- напреднал
- Мнения: 27
filmatoplo написа:Мислих си да взема буфер с серпентина и по нея да пусна вода от водопровода с малък дебит под 10 литра в минута да стане проточна юнга .Здравейте,
за такива професионално изпълнени системи мога само да мечтая
браво на изпълнителите. Все пак само информативно ако се сложи една серпентина на фланец на бойлер (който смятам да ползвам за буфер) и през нея се пусне вода от водопровода какъв ще е ефекта.?
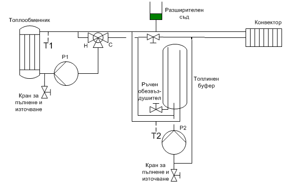
Да си дойдем на думата за моя прословут бойлер дето искам да го ползвам като буфер ако го монтирам нормално с щранга надолу и изведа една тръба ф6мм от най високата точка през фланеца (или през изходната тръба така няма да дупча фланеца) дали това ще реши въпроса с обезвъздушаването и дали тръбата трябва да се свърже с разширителя или да е свободна над нивото на бойлера?
Прикачен файл
untitled_1415.GIF (9.16 KиБ) Видяна 6012 пъти
filmatoplo
- майстор
- Мнения: 17842
Ако го обърнеш обратно бойлера и му сложиш фланец със серпентина и по нея пуснеш вода за къпане ще стане - номера е серпентината да се намира в горния край на буфера там където водата е гореща . Монтирал съм много такива бойлери които целия обем е с вода от парното а водата за къпане е в медна серпентина също в балона .Обръщането е и заради по лесното обезвъздушаване - по принцип съм монтирал по 4-5 балона и съм създавал циркулация като твоята - ама ако снимам и пусна снимки вече ще ми кажат че се хваля - иначе бас държа че такова нещо никой не е правил
. Ако се възбуди интерес може да пусна нещо.
2v6
- майстор
- Мнения: 2200
msm написа:Все пак само информативно ако се сложи една серпентина на фланец на бойлер (който смятам да ползвам за буфер) и през нея се пусне вода от водопровода какъв ще е ефекта.?При температура в буфера 90 градуса и достатъчно дълга серпентина ще може да се къпе човек.
...
msm написа:...Точно това се прави за обезвъздушаване - капилярна тръбичка. Отдолу се запоява кранче или преход на 1/2" и ръчен обезвъздушител за радиатор. Трябва да излиза под бойлера. Ако отива нагоре ще се получи воден затвор и обезвъздушаването ще е невъзможно.
Да си дойдем на думата за моя прословут бойлер дето искам да го ползвам като буфер ако го монтирам нормално с щранга надолу и изведа една тръба ф6мм от най високата точка през фланеца (или през изходната тръба така няма да дупча фланеца) дали това ще реши въпроса с обезвъздушаването и дали тръбата трябва да се свърже с разширителя или да е свободна над нивото на бойлера?
В този случай (вход и изход на буфера отдолу) задължително ще трябва втора помпа P2, която работи докато температурата Т2 е над примерно 30 градуса.
Прикачен файл
exhaus_recuperation3.GIF (8.21 KиБ) Видяна 5961 пъти
filmatoplo
- майстор
- Мнения: 17842
Ей
от кога си мисля че иска 2 ра помпа тук ама се подвеждам по строгия бюджет на испълнителя .
щото аз под 4 помпи на система не слагам . 
msm
- напреднал
- Мнения: 27
[/quote]
В този случай (вход и изход на буфера отдолу) задължително ще трябва втора помпа P2, която работи докато температурата Т2 е над примерно 30 градуса.[/quote]
Здравейте отново
Благодаря за търпението и вниманието но съм се захванал с нещо
в което не съм компетентен и без ваша помощ не мога да завърша а нещата вече са на такъв етап че връщане назад няма.
Моля за търпение ако питам много и едно и също искам да съм сигурен че съм разбрал правилно за да избегна грешки и проблеми.
1 на дадената схема тялото започва да тотли след загрявяне на буфера или бъркам
2 ако се добави кран този под разширителя може и преди или бъркам
3 как е по добре тръбите да са поцинковани или ППР обикновени за топла вода
4 какъв да е цолажа до буфера 1/2 цола или 3/4
5 ако свържа и бойлер за топла вода (серпентина на фланец) към щранга към буфера дали 1/2 цола от топлообменника до буфера ще е достатъчно
6 изхода на ризата е 1 цол помпата ВИЛО RS 25/70r 1 цол има ли нужда от колектори или само намалител
7 автоматичен обезвъздушител на изхода на ризата нужен ли е
ето най после и малко снимки на (адронния колайдер) така го кръстиха в къщи домашните
Със здраве и успех
В този случай (вход и изход на буфера отдолу) задължително ще трябва втора помпа P2, която работи докато температурата Т2 е над примерно 30 градуса.[/quote]
Здравейте отново
Благодаря за търпението и вниманието но съм се захванал с нещо
в което не съм компетентен и без ваша помощ не мога да завърша а нещата вече са на такъв етап че връщане назад няма.
Моля за търпение ако питам много и едно и също искам да съм сигурен че съм разбрал правилно за да избегна грешки и проблеми.
1 на дадената схема тялото започва да тотли след загрявяне на буфера или бъркам
2 ако се добави кран този под разширителя може и преди или бъркам
3 как е по добре тръбите да са поцинковани или ППР обикновени за топла вода
4 какъв да е цолажа до буфера 1/2 цола или 3/4
5 ако свържа и бойлер за топла вода (серпентина на фланец) към щранга към буфера дали 1/2 цола от топлообменника до буфера ще е достатъчно
6 изхода на ризата е 1 цол помпата ВИЛО RS 25/70r 1 цол има ли нужда от колектори или само намалител
7 автоматичен обезвъздушител на изхода на ризата нужен ли е
ето най после и малко снимки на (адронния колайдер) така го кръстиха в къщи домашните
Със здраве и успех
Прикачен файл
exhaus_recuperation3_7951.GIF (8.34 KиБ) Видяна 5298 пъти
msm
- напреднал
- Мнения: 27
msm написа:ето най после и малко снимки на (адронния колайдер) така го кръстиха в къщи домашните
Със здраве и успех[/quote]
Прикачен файл
47.JPG (23.41 KиБ) Видяна 5284 пъти
Прикачен файл
48.JPG (23.63 KиБ) Видяна 5284 пъти
Прикачен файл
49.JPG (23.4 KиБ) Видяна 5284 пъти
filmatoplo
- майстор
- Мнения: 17842
Същия топлообменник има и в моя червения котел дето съм монтирал по горе. Имаш ли клапа която да отсича дирекното излизане на дима и откланянето му през топлообменника .
Тема "Тръбен топлообменник" | Включи се в дискусията:
Сподели форума:
Бъди информиран. Следвай "Направи сам" във Facebook:
Намери изпълнител и вдъхновения за дома. Следвай MaistorPlus във Facebook:
Имаш нужда от подходящ професионалист за дома?
- Преустройство, ремонт и реновиране
- ↳ Вашите ремонти
- ↳ Кухня
- ↳ Баня
- ↳ Дневна
- ↳ Спалня
- ↳ Детска
- ↳ Градина
- ↳ Коридор
- ↳ Тераса и балкон
- Направи сам
- ↳ Направи сам
- ↳ Ремонтирай сам
- ↳ Къде е по-евтино?
- ↳ Дърводелство
- ↳ Ел. инструменти
- ↳ Металообработване
- ↳ Конкурс "Направи сам 2012"
- Строителство
- ↳ Всичко за вилата
- ↳ Къщи
- ↳ Саниране
- ↳ Хидроизолация
- ↳ Пасивни и нискоенергийни сгради
- Сухо строителство
- ↳ Окачени тавани
- ↳ Преградни стени и предстенни обшивки
- ↳ Сухи и повдигнати подове
- ↳ Декоративни елементи - колони, трегери, сводове и др.
- ↳ Всичко за гипскартона и гипсфазера
- Въпроси и Отговори
- ↳ Полезни съвети
- ↳ Автомобили
- ↳ Партньори
- ↳ Боядисване и Декориране
- ↳ Вентилация, климатици и термопомпи
- ↳ Водоснабдяване и канализация.
- ↳ Всичко за ремонта
- ↳ Електротехника
- ↳ Отопление
- ↳ Газификация
- ↳ Електроника и Схеми
- ↳ Газобетон
- ↳ От всичко по малко
- ↳ Компютри и периферия
- ↳ Уеб дизайн, PHP, MySQL, JavaScript, HTML..
- ↳ Мобилни устройства, GSM-и
- ↳ Нека се запознаем
- ↳ Recycle Bin
- Статии
- ↳ Практични решения
- ↳ Качване на снимки
- ↳ Какви статии искате?
- ↳ Готварство, туршии и зимнина
- ↳ Отмора и шеги
- ↳ От нищо нещо
- ↳ Не е за вярване
- ↳ Литература
- ↳ Връзки към Интересни сайтове
- Магазин
- ↳ Препоръки и Мнения за он-лайн магазина
- ↳ Крадeни инструменти !!!
