• 1
  • 5
  • 6
  • 7
  • 8
  • 9
Най - вълнуващия въпрос зимно време.
2v6 - майстор
maxuel82 написа:
Може ли по този начин(както е на схемата) да се свърже боилера и само когато е системата с радиатори без подово :!: :!: :!: че не ми се пускат още 2 тръби от разпределителя???
Може.
2v6 - майстор
naskov написа:
По тази схема правих "подово" когато бях beginner :datz: . Добре, че нямаше последици. Иначе помпата и при мен си беше една :)
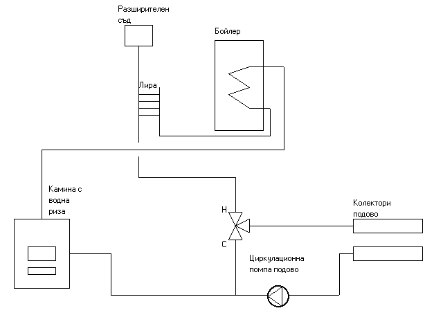
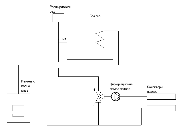
Ето две схеми на система с една помпа, подово и камина с водна риза .
Принципно са едни и същи.
Подовото ще работи идеално, с постоянна температура и добър дебит.

Тази икономия ще доведе до следното:
1. В камината винаги ще влиза отдолу много студена вода - под 40 градуса!
2. Дебита през камината ще намалява при увеличаване на температурата. В един момент може да се получи завиране в горната част, докато долната е студена :!:

Прикачен файл

FH_furnace_V2.GIF
Камина с водна риза и подово
FH_furnace_V2.GIF (4.78 KиБ) Видяна 4568 пъти

Прикачен файл

FH_furnace_V3.GIF
Камина с водна риза и подово
FH_furnace_V3.GIF (4.77 KиБ) Видяна 4568 пъти
denuchi - специалист
е добре . а и защо трябва да има нещо с подовото важното е да работи както аз искам, и най важното аз взех идеята от някъде където работи. показах как е при мен и къде го има. съжалявам но компа знам само как се вкл. и изкл. иначе бих поставил и почти същото от белимо. АВ-А ,АВ-В в кое половение е отворем затворен. какво да направя че работя с белимо а там означението е такова. точно такъв използвам.
Последна промяна от denuchi на пон мар 16, 2009 8:22 pm, променено общо 1 път.
sez_djebel - специалист
2v6 написа:
sez_djebel написа:
Ако може коментари - къде да монтирам помпа -1 и къде помпа-2 , свързване на термостата за задействане на помпа -2 и т. н. ...
Преправих схемата за да е по-лесно.
Помпа 2 я свързваш към термостата на помпа 1, на изхода на камината.
Тръбата за топлата вода за бойлера я преместваш от колектора на изхода на камината. На входа на бойлера няма ли обезвъздушител?
С искрена благодарност на "2v6" за отличните схеми и обяснения :gott:
А за бойлера - обезвъздушител има , просто съм пропуснал на схемата :)

Отделно благодаря на всички за коментарите ... :tick:
2v6 - майстор
denuchi написа:
е добре . а и защо трябва да има нещо с подовото важното е да работи както аз искам, и най важното аз взех идеята от някъде където работи. показах как е при мен и къде го има. съжалявам но компа знам само как се вкл. и изкл. иначе бих поставил и почти същото от белимо. АВ-А ,АВ-В в кое половение е отворем затворен. какво да направя че работя с белимо а там означението е такова. точно такъв използвам.
Пак ще те питам:
За какво е схемата от стр.200?
Знаеш ли как се управлява трипътния вентил там?
А помпата?
Би ли дал снимка на твоя вентил?

Какво точно не ти харесва на схемата, която съм дал аз?
denuchi - специалист
сега,че снимка няма да ти дам бъди сигурен за да ти направя този кеф трябва да изкарам пералня, съдомиялна така че забрави. лично мен неме интересува нито 200 нито стр. 300. показах как е при мен, доволен съм от режима на робота а на мен това ми е достатъчно. мога да заевя че нищо няма да преправям а дали ти харесва или не моята схема това си е твое мнение. и вече започвам да разбирам господина който не хареса втората помпа. и можели, а били казал къде работиш и какво по точно ако не е тайна. ИЗВИНЯВАМ СЕ НА ВСИЧКИ ВЪВ ФОРУМА ЗА ТОЗИ РАЗГОВОР МАЛКО СТАНА НА ЛИЧНА ОСНОВА. вече щЕ му отговарям само на ЛС.
2v6 - майстор
denuchi написа:
сега,че снимка няма да ти дам бъди сигурен за да ти направя този кеф трябва да изкарам пералня, съдомиялна така че забрави. лично мен неме интересува нито 200 нито стр. 300. показах как е при мен, доволен съм от режима на робота а на мен това ми е достатъчно. мога да заевя че нищо няма да преправям а дали ти харесва или не моята схема това си е твое мнение. и вече започвам да разбирам господина който не хареса втората помпа.
Първо:
Схемите коите съм дал са за регулиране на температурата към подово с термостатичен трипътен вентил. Трипътния вентил може да работи в два режима:
1. Режим на смесване - на входа обозначен с "H" и "Hot" се подава топла вода, на входа обозначен с "C" и "Cold" се подава студена вода. Вътре има вграден термоклапан, който регулира съотношението между двата входа с цел постоянна зададена температура на изхода.
2. Режим на разпределяне - водата влиза през общия вход, а излиза през "Н" и "С". Този режим се използва за поддържане на температурата на котлите с твърдо гориво, на двигателите на леките автомобили и т.н.

Второ:
Ти използваш трипътен вентил с външно регулиране. Това може да става ръчно - с врътка се настройват двата потока.
За да стават автоматично се слага електрическа задвижка.
Най-лесно тя се управлява от контактен термостат (10-20 лева). В този случай регулирането ще е лошо - зависи от хистерезиса на термостата.
По-добрия вариант е с PID контролер. За него е необходим и датчик за температура.

Какъвто и трипътен вентил да се използва, допълнителни ръчни кранчета и байпаси не са необходими. Просто си свързал вентила грешно.

Това, че не ми отговаряш не го приемам лично. Явно немски не разбираш, аз също, затова няма да те питам повече за твоите схеми.
Просто исках да помогна :!:
denuchi написа:
...
и можели, а били казал къде работиш и какво по точно ако не е тайна. ИЗВИНЯВАМ СЕ НА ВСИЧКИ ВЪВ ФОРУМА ЗА ТОЗИ РАЗГОВОР МАЛКО СТАНА НА ЛИЧНА ОСНОВА. вече щЕ му отговарям само на ЛС.
Разбира се - личните съобщения са за това :idea:

Прикачен файл

FH_PID.GIF
Регулиране на температура на водно подово с трипътен вентил с електрическа задвижка.
FH_PID.GIF (3.25 KиБ) Видяна 4294 пъти
filmatoplo - майстор
Хубава схема ,обаче в Кремал няма да я одобрят .
Antonii - майстор
Ей човек да не отиде командировка. :)
Тука такива сте ги надробили.
Значи за схемите които дава 2v6 срива на циркулацията в единия от кръговете е сигурен :!:
От това което пише "колегата" 2v6 разбирам, че е добре с автоматиката, но и най-добрата автоматика неможе да накара една калпава отоплителна система да работи нормално.
Отностно отговора на първоначалният спор. То той е, че един грамотен инженер топлотехник никога няма да сложи помпа след трипътен вентил :!: Защо това е друг въпрос.
Хубава схема ,обаче в Кремал няма да я одобрят .
А в Кремъл не им пука за вашите глупости.
2v6 - майстор
Antonii написа:
...
Значи за схемите които дава 2v6 срива на циркулацията в единия от кръговете е сигурен :!:
Би ли разяснил какво наричаш "срив на циркулацията"?
Antonii написа:
...
От това което пише "колегата" 2v6 разбирам, че е добре с автоматиката, но и най-добрата автоматика неможе да накара една калпава отоплителна система да работи нормално.
Отностно отговора на първоначалният спор. То той е, че един грамотен инженер топлотехник никога няма да сложи помпа след трипътен вентил :!: Защо това е друг въпрос.
На 16 март пуснах тази схема:

Изображение

Според теб правилна ли е?
По какво се различава от другата :?:

Изображение
  • 1
  • 5
  • 6
  • 7
  • 8
  • 9

Тема "За да помогна на приятел !" | Включи се в дискусията:


Сподели форума:

Бъди информиран. Следвай "Направи сам" във Facebook:

Намери изпълнител и вдъхновения за дома. Следвай MaistorPlus във Facebook: