• 1
  • 47
  • 48
  • 49
  • 50
  • 51
  • 104
Най - вълнуващия въпрос зимно време.
igt - специалист
Едно голямо евала и от мен. Не исках да правя забележки, просто писах, това което са ме посъветвали мен преди време.
bigdragon - майстор
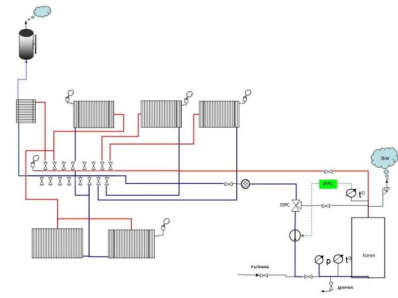
Днес си поиграх малко и сега мога да ви покажа точната схема
по която съм свързал отоплителната си инсталация "Направи сам":

Прикачен файл

Схема Изгрев.jpg
Схема Изгрев.jpg (38.95 KиБ) Видяна 106144 пъти
LazarGanev - "Велик майстор"
Забележките са дребни, в процеса на работа ще ги осъзнаеш и отстраниш :wink:
bigdragon - майстор
@LazarGanev
Много точно си усетил, че дребните забележки ги виждам и ще ги отстраня, ако има техническа възможност.
Аз си вадя хляба с поддръжка и експлоатация на котли (10 000 пъти по-мощни от въпросният) и други енергийни съоръжения и съм изключително на ясно с този вид техника. Все пак е добре да се посочат забележките, за да може тези, които не са толкова на ясно да разберат проблема.

Апропо, инсталацията е монтирана в иновирана стара къща със 60см. стени от дялан камък и бетонни трегери и плочи (общата дебелина достига до 95см.) , като на места не беше възможно да се прекарат тръбите по най-добрият начин и това е причина за някой от не така добрите решения. Въпреки това за момента всичко работи прекрасно.
Предстои в близките дни да закача и бойлера за БГВ, а след отоплителният сезон да поставя и буфер 1000 литра, който в момента се изработва...
bulhomes2 - майстор
Да питам аз. Първо да кажа, че не съм никакъв специалист.
1. Хоризонталните кранове (освен този за пълненето) за какво са? 3 от тях мисля, че си сложил за да се обслужват трипътника, помпата и филтъра, но остава един на червения щранг, на който още не се сещам за предназначението. Сетих се - да обслужваш евентуално и котела при нужда. Според мен са оправдани два такива само покрай филтъра (2. който обикновено слагат преди помпата). Кранчето си е "язва" (често проблемно място) в системата. Котел се поправя предполагам средно на 20 години (съдя по това, че нито един котел или камина покрай мен някога се е налагало да бъдат източвани), а кран - по-често.
3. За да работи схемата перфектно - предполагам, че термостата, който пуска помпата при 45°С е много близо до четворника, разклоняващ топлата вода към трипътника, системата и предпазния клапан. Според мен би трябвало да бъде преди този четворник.
4. Но мисля, че най-важното. Между котела и разширителния съд не би трябвало да има абсолютно никаква арматура. А ти имаш 2 ръчни крана, някой от които може да се забрави затворен, филтър, който може да бъде задръстен, помпа, която също може да бъде клеясала и задръстена и най-важното - трипътника, който абсолютно ти забранява достъпа до разширителния съд докато котела влезе в режим.

Искрено се надявам да не си мислиш, че се заяждам. Но 4 точка е много опасна и дори смъртоносна.
LazarGanev - "Велик майстор"
Тази тема не е за обсъждания, но накратко - автоматични обезвъздушители (ако наистина са такива) е безсмислено за се монтират на отворена система, както и предпазен клапан 3 бара. Иначе следя в другата тема развитието на нещата, за което имаш адмирации от мен. В ПЕ ли работиш?
bigdragon - майстор
Не се притеснявайте. Не страдам от нарцисизъм...

Отговарям отзад напред:
Въпроса на LazarGanev за предпазният клапан кореспондира с четвъртият въпрос на bulhomes2,т.е. РС си работи като РС, а предпазният клапан е предпазен клапан, безопасността е на първо място...

Третият въпрос на bulhomes2 за термодатчика е резонен:
ЕКТ-то е монтирано първо, най-близо на нагревните повърхности, схемата е леко некоректна.
Прикачен файл:
EKT.jpg
EKT.jpg (56.23 KиБ) Видяна 106083 пъти
На въпроса за вентилите ще отговаря по-подробно друг път.
Краткият отговор е: Системата е замислена за естествена циркулация (термосифонна) и с помощта на тези вентили щяха да се променят местните съпротивления и да се настройва системата...
sian - специалист
Колеги някой ползва ли димогарен котел.
шоп - майстор
sian написа:
Колеги някой ползва ли димогарен котел.
В момента съм с руско чугунено котле, но преди това се отоплявах със самоделн двуходов димогарен котел. След 15 години служба протече, ремонтирах го-изкара още 3 сезона и пак протече. Димогарните котли са много удачни, ако са направени грамотно и с безшевни дебелостенни тръби ( над 10 мм ) Моите тръби бяха с дебелина 6 мм и затова се скапаха.
fbr - майстор
Бах тоа котел, с 10мм дебелостенни тръби. Аз ползвам такъв котел и димогарните тръби са с 3 милиметрова стена и 13 година няма пробита. Всичко зависи от условията, в които работи котела. Ако работи с конденз котела, тръбите бързо се пробиват. http://www.napravisam.bg/forum/viewtopi ... 0%B4%D0%BE
  • 1
  • 47
  • 48
  • 49
  • 50
  • 51
  • 104

Тема "С какво се отоплявате" | Включи се в дискусията:


Сподели форума:

Бъди информиран. Следвай "Направи сам" във Facebook:

Намери изпълнител и вдъхновения за дома. Следвай MaistorPlus във Facebook: