Газовият котел го вързваш към колекторите, отта, разпределяш за серпрнтината на бойлера и за подовото, което има отделна помпа.
Най - вълнуващия въпрос зимно време.
LazarGanev
- "Велик майстор"
38 мнения в "Водно подово с два източника на подгряване, бойлер с мантел"
filmatoplo
- майстор
- Мнения: 17842
Време беше човека да е в час . Тия неща не са за направи сам.
rabox
- помощник
- Мнения: 18
Филма.
Продължавам да мисля, че отговорите които ми дават специалисти от твоя ранг са учудващо объркани и навлизащи в конкретика от ранга на - аз правя така и така и толкова...
Като човек с инженерно образование смея да твърдя, че нещата би могло да са изпълними, но като човек което ще прави това за Първи път и то за себе си, залога да сбъркам и да направя нещо непоправимо е голям.
Затова считам за правилно да се допитам до чуждия опит и знания, па макар и този опит да е доста консервативен.
Продължавам да мисля, че отговорите които ми дават специалисти от твоя ранг са учудващо объркани и навлизащи в конкретика от ранга на - аз правя така и така и толкова...
Като човек с инженерно образование смея да твърдя, че нещата би могло да са изпълними, но като човек което ще прави това за Първи път и то за себе си, залога да сбъркам и да направя нещо непоправимо е голям.
Затова считам за правилно да се допитам до чуждия опит и знания, па макар и този опит да е доста консервативен.
rabox
- помощник
- Мнения: 18
Дал съм ТТ данните на бойлера. Ето Линка още веднъж.
http://www.sunsystem.bg/products.php?ac ... 31&lang=bg
http://www.sunsystem.bg/products.php?ac ... 31&lang=bg
filmatoplo
- майстор
- Мнения: 17842
Моя съвет е , иди в местна фирма за отоплителни инсталации и им задай същите въпроси - дано помогнат . За въпроси използвай и нашите идеи , после сравни и подбери най логичните. Пиши готовия резултат - ако не съм бил съгласен с нещо то е било заради това системата ти да не стане нефункционална - или икономически нерентабилна . Понеже ти задаваш методика която ревностно си подържаш и не желаеш да промениш .
rabox
- помощник
- Мнения: 18
Вече ходих в една - да не споменавам името и тук че дори имат ISO сертификат.
Поисках оферта - дадоха ми цени на неща за които не бях поискал.
Освен това хората с които говорих бяха доста некомпетентни и очевидно търговци без практика.
Техническия персонал с който се опитаха да се консултират беше най-вероятно с основно образование и въобще не разбраха въпросите.
Затова съм и на това положение - иначе бих се съгласил да си платя за консултация и проект, но от всички виждам едно - желаят да работят по някакъв си техен начин - с цел да продадат скъпа автоматика, попми които вече официално не се произвеждат и само с една единствена цел - да продадат скъпо и повече неща.
Съответно аз не съм тяхната целева група очевидно и нямам желание да се занимавам.
Останал съм с доста добро впечатление от няколко пловдивски фирми, както и на готовноста на фирма Ариес консултинг (aries.ms) да направят консултация - дори да не спечелят нищо от това.
Поисках оферта - дадоха ми цени на неща за които не бях поискал.
Освен това хората с които говорих бяха доста некомпетентни и очевидно търговци без практика.
Техническия персонал с който се опитаха да се консултират беше най-вероятно с основно образование и въобще не разбраха въпросите.
Затова съм и на това положение - иначе бих се съгласил да си платя за консултация и проект, но от всички виждам едно - желаят да работят по някакъв си техен начин - с цел да продадат скъпа автоматика, попми които вече официално не се произвеждат и само с една единствена цел - да продадат скъпо и повече неща.
Съответно аз не съм тяхната целева група очевидно и нямам желание да се занимавам.
Останал съм с доста добро впечатление от няколко пловдивски фирми, както и на готовноста на фирма Ариес консултинг (aries.ms) да направят консултация - дори да не спечелят нищо от това.
2v6
- майстор
- Мнения: 2200
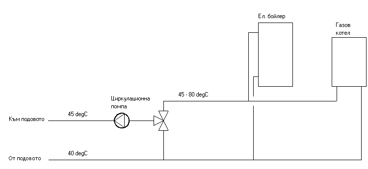
rabox написа:При положение че вържа Газовото котле към серпентината само, и тази серпентина е около 3Кв. да кажем, товара на газовия котел няма ли да е много малък, в смисъл няма ли да влиза в много кофти режим?Всичко може. Има два варианта:
Помпата на подовото - да ясно входа и изхода, но от Мантела нали че постъпва.
Моята идея още веднъж беше дали няма да мога да вържа газовото котле и към подовото и към серпентината.
1. Да избереш бойлер. След това да се избере подходящ газов котел за получената конфигурация.
2. Да избереш газов котел и след това да се избере бойлер с достатъчна големина, така че котела да не влиза в лош режим.
Има газови котли с вграден обемен бойлер. Това е най-подходящо за малка отоплителна система.
И няма нужда от бойлер с мантел и серпентина - само с една серпентина по-голям бойлер ще е по-лесно и по-добре.
Прикачен файл
Газов котел с подово и бойлер
floor_heating_2.GIF (3.99 KиБ) Видяна 2788 пъти
Тема "Водно подово с два източника на подгряване, бойлер с мантел" | Включи се в дискусията:
Сподели форума:
Бъди информиран. Следвай "Направи сам" във Facebook:
Намери изпълнител и вдъхновения за дома. Следвай MaistorPlus във Facebook:
Имаш нужда от подходящ професионалист за дома?
- Преустройство, ремонт и реновиране
- ↳ Вашите ремонти
- ↳ Кухня
- ↳ Баня
- ↳ Дневна
- ↳ Спалня
- ↳ Детска
- ↳ Градина
- ↳ Коридор
- ↳ Тераса и балкон
- Направи сам
- ↳ Направи сам
- ↳ Ремонтирай сам
- ↳ Къде е по-евтино?
- ↳ Дърводелство
- ↳ Ел. инструменти
- ↳ Металообработване
- ↳ Конкурс "Направи сам 2012"
- Строителство
- ↳ Всичко за вилата
- ↳ Къщи
- ↳ Саниране
- ↳ Хидроизолация
- ↳ Пасивни и нискоенергийни сгради
- Сухо строителство
- ↳ Окачени тавани
- ↳ Преградни стени и предстенни обшивки
- ↳ Сухи и повдигнати подове
- ↳ Декоративни елементи - колони, трегери, сводове и др.
- ↳ Всичко за гипскартона и гипсфазера
- Въпроси и Отговори
- ↳ Полезни съвети
- ↳ Автомобили
- ↳ Партньори
- ↳ Боядисване и Декориране
- ↳ Вентилация, климатици и термопомпи
- ↳ Водоснабдяване и канализация.
- ↳ Всичко за ремонта
- ↳ Електротехника
- ↳ Отопление
- ↳ Газификация
- ↳ Електроника и Схеми
- ↳ Газобетон
- ↳ От всичко по малко
- ↳ Компютри и периферия
- ↳ Уеб дизайн, PHP, MySQL, JavaScript, HTML..
- ↳ Мобилни устройства, GSM-и
- ↳ Нека се запознаем
- ↳ Recycle Bin
- Статии
- ↳ Практични решения
- ↳ Качване на снимки
- ↳ Какви статии искате?
- ↳ Готварство, туршии и зимнина
- ↳ Отмора и шеги
- ↳ От нищо нещо
- ↳ Не е за вярване
- ↳ Литература
- ↳ Връзки към Интересни сайтове
- Магазин
- ↳ Препоръки и Мнения за он-лайн магазина
- ↳ Крадeни инструменти !!!

