• 1
  • 19
  • 20
  • 21
  • 22
  • 23
  • 41
Най - вълнуващия въпрос зимно време.
6osi6 - майстор
radius написа:
Нещо не се разбираме
Имаш отделен електромер, можеш да видиш по какъв начин работи.
Ако работи само в минимум след включване, ще ти удвои времената. Ако се стреми да навакса с вдигане над 60-70 оборота и след това пада на 30, може да започне да работи по-плавно след загряване на водата в буфера.
Hursa - майстор
Сорри, че се намесвам, но темата ми е любопитна. Защо още от начало отклонихте паралелното включване на буфера? Вярно, това ще усложни схемата. Но с три клапана, според мен, ще може да се постигне "правилно" (пълноценно) функциониране на буфера - в случая много голям процент от запасената в него енергия няма да може да се оползотвори за времето през което термопомпата не работи (грубо казано, но доста над 50), дори с малко ще се намалят и хидравличните загуби. Ще може да се изключи и термопомпата от схемата за времето през което не работи - което ще намали с малко топлинните загуби.
(Може и с 4пътен вентил, мисля, да се преобразува последователното включване с обръщане на посоката през буфера. Все пак, може би паралелната схема е за предпочитане.)
radius - майстор
Шосиш, не работи на минимум след включване. Но това ми се струва нормално - когато се опитва да загрее водата работи на по-висока мощност (1500вата при 2 С вън) и като достигне някаква си цел, отива към 850-900 вата. Като беше около 7-9 С вън, не съм забелязал да вдига много мощност след старт - с около 700-800 вата си работи до спирането. Явно си има някакъв интелект.

Hursa, заповядай, мерси за включването.
Отклоних паралелното включване, защото не искам да усложнявам и най-вече оскъпявам системата. И сега резултатите са отлични, в хода на темата се поуспокоих и за компресора ( заради он/оф), имам резервна машина, ако чак толкова го прецакам. Да не стане, че да дам 1500лв за чарколяк, да пазя компресор за 600лв. Да не говорим, че ще свързвам и подгряване на БГВ, което усложнява подвързването на паралелен нискотемпературен буфер.
Какво имаш предвид, че няма да се ползва пълноценно последователния буфер - че докато не работи машината ( примерно 4 минути) , буфера няма да може да отдаде топлината си за това време? Очаквам почивките да станат по-дълги заради по-високата температура на връщащата се вода при спряла ТП.
Топлозагубите са несъществени - отвън са 2 меки връзки по 50см и топлообменника, който има някаква изолация, макар и малка, площта е никаква.
Може да скицираш идеята си, подозирам, че ще е интересно.
6osi6 - майстор
radius написа:
не работи на минимум след включване.
Защото паметта му е ограничена до 20 минути.
Над 3°C помпата работи след включване на компресора. Ако включва с минута изчакване е добре - няма да влиза студена вода в буфера.
След като се включи помпата, ако няма затворени кръгове, до пет минути трябва да достигне топла вода от буфера до сензора на изходящата линия и управлението да намали оборотите.
шоп - майстор
radius написа:
Очаквам почивките да станат по-дълги заради по-високата температура на връщащата се вода при спряла ТП.
Правилно очакваш.

Показвам графики преди и след монтаж на буфер на моята ТП

Температурите навън са сходни за показаните периоди.
Температурите у дома 100% идентични


Признавам си, не очаквах такъв ефект. Единият чарт е като на прединфарктно състояние с 3 старт/стопа за час а другия е на здрав човек с един цикъл за 2 часа :lol:

А буфера още не е изолиран на 100% :idea:

Прикачен файл

SAM_9430.JPG

Прикачен файл

SAM_9424.JPG

Прикачен файл

SAM_9432.JPG
radius - майстор
=D>
Браво, от прединфарктно стана запечено положението :lol: Че и над 2 часа. Ама то да ти имам и буфера. При мен няма да е такъв ефекта, защото има и регулиране на мощността.
Шосиш, аз сензора за подаващата вода мисля да е пред буфера, а не след. Ако е след буфера, неговото бавно затопляне ще лъже системата да си повишава мощността.
шоп - майстор
Hursa написа:
Защо още от начало отклонихте паралелното включване на буфера?
Мислил съм много по въпроса. При котлите е ясно. Там наистина се търси акумулиращ ефект. Можем да заредим буфера до 80 градуса и да го източим до 30. За 1000 литра това е 55.82 кв/ч енергия. Една малка къща с добра изолация може да изкара 10 часа да кажем. Заслужава си!
Обаче при ТП имаме ниски температури и малък хистерезис ( около 5 гр. да кажем )
Какво ще акумулираме в тези 1000 литра? Само 5,59 кв/ч. Нищожно!
Според мен усложнената инсталация и наличие на втора помпа са икономически неоправдани
Hursa написа:
Вярно, това ще усложни схемата. Но с три клапана, според мен, ще може да се постигне "правилно" (пълноценно) функциониране на буфера - в случая много голям процент от запасената в него енергия няма да може да се оползотвори за времето през което термопомпата не работи (грубо казано, но доста над 50), дори с малко ще се намалят и хидравличните загуби. Ще може да се изключи и термопомпата от схемата за времето през което не работи - което ще намали с малко топлинните загуби.
(Може и с 4пътен вентил, мисля, да се преобразува последователното включване с обръщане на посоката през буфера. Все пак, може би паралелната схема е за предпочитане.)
Молба и от мен. Драсни една схема какво имаш впредвид. Много ми е интересно.
Схемата с четрипътният вентил и аз я мислих, но се отказах. По-сложно и скъпо, макар, че е хубаво буфер да се зарежда отгоре надолу и да се разрежда пак така.

Щосиш по-нагоре обясни как рано или късно температурата на водата в буфера горе и долу се изравнява и как студената вода отгоре върви по "тунел" надоло, който тунел се уголемява като диаметър до изравняване на температурите. Вече от личен опит потвърждавам тази логика.

Поздрави!
a_stoev - майстор
radius написа:
=D>
Браво, от прединфарктно стана запечено положението :lol: Че и над 2 часа. Ама то да ти имам и буфера. При мен няма да е такъв ефекта, защото има и регулиране на мощността.
Шосиш, аз сензора за подаващата вода мисля да е пред буфера, а не след. Ако е след буфера, неговото бавно затопляне ще лъже системата да си повишава мощността.
Правилно според мен.
Hursa - майстор
Именно, поради това “правило” за топлинния буфер - да се „зарежда от горе надолу” и при отдаване, да се „изпразва от долу нагоре”. Особено, когато се използва такъв, запълнен с течност, без “топлообменна повърхност”.
Когато се изключи термопомпата, постъпващата по студена течност отгоре, поради по-голямата си плътност (ще “сформира” низходящ конвективен поток), ще преминава през обема течност в буфера и ще се стреми да заема най-ниските нива в него. И през изходящия отвор долу ще отива към отоплителните тела. При преминавате си през обема топла вода, този низходящ поток, разбира се, ще обменя топлина със слоевете топла течност. Ще се образуват вихри, които ще интензифицират топлообмена, най-вече при това студения поток ще се “разсейва”, а в него ще постъпват по топла течност – ще се смесват топлата със студената течност. Така, че като цяло, обема течност ще се охлажда. И в долната част на обема този низходящ поток ще бъде с по-висока температура по сравнение с постъпващата течност, но и в „по-голямо количество”. (Поради малката температурна разлика – от една страна топлообмена ще е слаб, но от друга поради малката разлика в плътността низходящият поток по интензивно ще се смесва с по-топлата вода (според мен).) С напредване на процеса, поради намаляване височината на пласта по топла течност, този топломасообмен относително ще намалява. Това е до колкото разбирам процеса. Като цяло, обаче, този процес ще протича сравнително бавно, с относително малка интензивност – контактуващите слоеве (в хоризонтално направление) не са с голяма площ. Поради това - на изхода от буфера, по време на целият процес, изходящия поток ще бъде с относително, при това чувствително, по-ниска температура от средната в буфера в началото на процеса. Поради това, при такова “използване” на буфера – температурата в помещенията ще пада относително бързо и ТП трябва да се включи много по-рано, според мен – много преди използване пълния потенциал на буфера.
(Освен това, такъв “противоток”, против естествената конвекция на затоплящия се поток през буфера, повишава хидравличните загуби – според мен.)
Но най-нежелания ефект от такова включване на буфера, според мен, е забавянето на постъпването в отоплителните тела на загрятата от ТП течност след нейното включване. Например – отчетено е, че температурата в помещенията налага включване на ТП. След включването и, първо постъпващата в буфера загрята течност, трябва да измести по студената, „почти” да запълни буфера – и едва след това ще постъпи в отоплителните тела. А през това време помещенията ще изстиват допълнително. (Най-голямо ще бъде "забавянето" при пуск на ТП от студено състояние.) Могат да се получат крайно нежелателни, осезаеми колебания на температурата в помещенията, а това е не само некомфортно, но и вредно (– по добре да е хладно, но с относително постоянна температура). Дори ТП да се включи на голяма мощност това слабо ще се отрази на това забавяне, освен ако не се увеличи разхода на циркулационната помпа във „водния” контур.
При обратното включване - постъпващата студената течност в долната част на буфера - постепенно ще измества топлата от буфера. (Разбира се и при такъв вариант ще има топлообмен и смесване на пластове, но ще бъде на порядъци по-малко.) Така на изхода от буфера в началото ще имаме температура много близка до температурата на топлоносителя в момента на изключване на ТП. С напредване на процеса температурата ще пада относително бавно с “изпразването” на буфера (“източването” на топлата течност и “замяната” и със студена). (Извинявам се, за многото изписано, не е нещо неизвестно.)
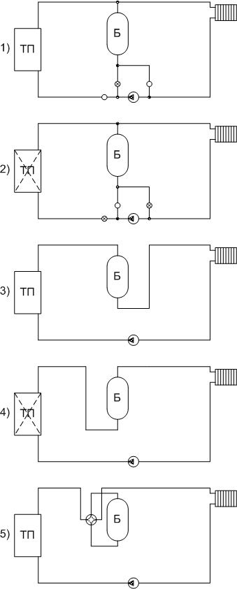
Схемите, както си ги представям, не държа, че са верни:
Прикачен файл:
ТП.jpg
ТП.jpg (25.51 KиБ) Видяна 1130 пъти
Първата схема – паралелно включения буфер при работеща ТП. Вентила между буфера и напора на помпата – затворен. Вентила между всмукателя на помпата и буфера – отваря с времезадръжка, след включване на ТП. Това ще изключи буфера от контура, за това време – така ще се съкрати времето за което ТП ще достигне работни параметри. (При паралелното включване, предполагам, трябва да се "настрои" относителния разход през буфера. Това, мисля, може да се направи, чрез калибриран дросел (бленда с отвор) - най-добре да се монтира пред вентила между всмукателя на помпата и буфера.)
Втората схема - паралелно включения буфер при изключена ТП. Вентила между буфера и напора на помпата – отворен. Вентила между всмукателя на помпата и буфера – затворен. Вентила м/у напора на помпата и ТП затворен.
Третата и четвъртата схеми – (отделно показани) последователно включения буфер при работеща и изключена ТП, превключването през 4пътен вентил.
Петата схема – двете горни с 4пътния вентил – сборна.
Разбира се, това е само според мен. Твърде вероятно е да греша.
шоп - майстор
Hursa написа:
Но най-нежелания ефект от такова включване на буфера, според мен, е забавянето на постъпването в отоплителните тела на загрятата от ТП течност след нейното включване.
Именно по тази причина сложих буфера на връщащата вода. Когато трябва топла вода ТП се включва и веднага топлата вода тръгва към отоплителната система.
Hursa написа:
Третата и четвъртата схеми – (отделно показани) последователно включения буфер при работеща и изключена ТП, превключването през 4пътен вентил.
Петата схема – двете горни с 4пътния вентил – сборна.
За мен схемата с черипътен е най-добра...но ме спря цената. Четрипътен на 1 1/2 + моторна задвижка...Хм
За по натам:-)
  • 1
  • 19
  • 20
  • 21
  • 22
  • 23
  • 41

Тема "Буфер в ниско температурна система" | Включи се в дискусията:


Сподели форума:

Бъди информиран. Следвай "Направи сам" във Facebook:

Намери изпълнител и вдъхновения за дома. Следвай MaistorPlus във Facebook: