• 1
  • 10
  • 11
  • 12
  • 13
  • 14
  • 15
Най - вълнуващия въпрос зимно време.
rosso666 - специалист
Това ми е и на мене мисълта да стои притворен крана постоянно не да слизам и да си играя постоянно ... ще стане нали?
А тези които ми продадоха вентила не ми споменаха че тези вентили са за две помпи!!!!!! :axe:
Иначе котела си подържа постоянно 62*C и до колекторите стига около 60*C много съм доволен
С този вентил има ли сначение помпата на коя скорост е???
LazarGanev - "Велик майстор"
Разбира се че има значение скоростта на помпата. Спокойно може да мине с една помпа - аз повечето така ги изпълнявам. Но трябва да се отчита факта, че това разделяне на два кръга отнема от ресурса на помпата. Ако преди помпата е имала запас, с него също ще се справи. Ако инсталацията е голяма и помпата преди е била на ръба, след монтажа на вентила може и да не може да се справи. Изходът е или по-голяма помпа или тази остава за отоплителния кръг, а се добавя нова малка за котелния кръг, като в схемата трябва да се добави и хидравличен съединител (разединител, сепаратор - кой както го знае)
rosso666 - специалист
помпата ми е вило 4 скорости до сега работеше без проблеми на 1 (отопляваше си без проблем)сега е на 3
тъй че се надявам да си реша проблема с един спирателен кран да редуцирам потока на байпаса.
2v6 - майстор
rosso666 написа:
помпата ми е вило 4 скорости до сега работеше без проблеми на 1 (отопляваше си без проблем)сега е на 3
тъй че се надявам да си реша проблема с един спирателен кран да редуцирам потока на байпаса.
А къде ти е монтирана помпата?
Трябва да е или на входа (между котела и тройника за байпаса) или между котела и термостатичния вентил.
rosso666 - специалист
2v6 написа:
rosso666 написа:
помпата ми е вило 4 скорости до сега работеше без проблеми на 1 (отопляваше си без проблем)сега е на 3
тъй че се надявам да си реша проблема с един спирателен кран да редуцирам потока на байпаса.
А къде ти е монтирана помпата?
Трябва да е или на входа (между котела и тройника за байпаса) или между котела и термостатичния вентил.
Помпата е след тройника на байпаса на студената вода
LazarGanev - "Велик майстор"
Ти последно трипътния вентил на горещата вода ли си го сложил? :rolleyes:
2v6 - майстор
rosso666 написа:
Помпата е след тройника на байпаса на студената вода
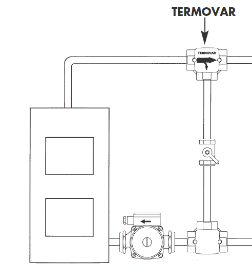
Така ли?
Прикачен файл:
termovar.GIF
termovar.GIF (9.79 KиБ) Видяна 2555 пъти
rosso666 - специалист
да точно така е,само без крана.... ама защото всички са много разбирачи и инженери.
сега пак ще идват ....да сложат кран
2v6 - майстор
rosso666 написа:
да точно така е,само без крана.... ама защото всички са много разбирачи и инженери.
сега пак ще идват ....да сложат кран
При 60 градуса на вход на радиатора е напълно нормално 40 градуса на изход.

Проблем с байпаса може да имаш само ако котела започне да качва над 90 градуса, а на изход на радиаторите пак е 40...
LazarGanev - "Велик майстор"
Това е неправилен монтаж! Той не гарантира 60*С на входа на котела, а на входа на радиаторите, което е безсмислено! Размени местата на вентила и тройника.
  • 1
  • 10
  • 11
  • 12
  • 13
  • 14
  • 15

Тема "Относно термостатичен трипътен вентил" | Включи се в дискусията:


Сподели форума:

Бъди информиран. Следвай "Направи сам" във Facebook:

Намери изпълнител и вдъхновения за дома. Следвай MaistorPlus във Facebook: