• 1
  • 10
  • 11
  • 12
  • 13
  • 14
  • 16
Най - вълнуващия въпрос зимно време.
sveto - специалист
Изводите на серпентината на бойлера са отдолу.
От камината до колекторите тръбите са 1 цол железни черни. След колекторите pex-all .За кръга на радиаторите за първия етаж (2бр. панелни, от старите с размери 600/1000) мисля да тръгна с ф20 до първия, оттам разклонявам с 2 по ф16.
За малкото радиаторче за банята ( най-лявото ), алуминиeво 8 глидера, h 300 - ф16.
За радиаторите на втория етаж 3 бр.(на схемата са два, за да не я претрупвам) панелни от новите с размери: 1400/500, 1200/500, 1000/600 тръгва ф20, разклонява за първия ф16, продължава до втория ф20 (или ф18, не съм решил) и след втория, за третия ф16.
За бойлера ф16.
Камината е Прити 17KW, но не съм сигурен, защото е втора употреба.
filmatoplo - майстор
На първия етаж си пусни отделни тръби до всеки радиатор , ако така ще е свързан разширителния съд -помпата я сложи на топлата тръба . :wink:
sveto - специалист
filmatoplo написа:
На първия етаж си пусни отделни тръби до всеки радиатор , ако така ще е свързан разширителния съд -помпата я сложи на топлата тръба . :wink:

Благодаря за отговорите! Значи закачачам помпата на топлата вода да "смуче" от разширителя. Разширителя има два извода отдолу, два отдясно и един отгоре, не мога да разбера защо са толкова много? :? Задължително ли е радиаторите долу да са захранени с отделни тръби или е препоръчително за по-добра работа?
filmatoplo - майстор
За мен е по добре отделно , но щом си решил и така става.За съда ,сигурно са -входна от камината ,преливна към канализация -сифон и отдушник към атмосферата .
LazarGanev - "Велик майстор"
Ползваш само 2 обикновено - единия от долните и единия от горните, останалите ги запушваш.Преливния го свързваш с една тръбичка и я сваляш долу, като ти служи едновременно и за връзка с атмосферата
filmatoplo - майстор
Проследи внимателно изводите на съда , ако трябва ги продухай -да си сигурен че този от камината ще има връзка с атмосферата . :wink:
PCL82 - майстор
LazarGanev написа:
Ползваш само 2 обикновено - единия от долните и единия от горните, останалите ги запушваш.Преливния го свързваш с една тръбичка и я сваляш долу, като ти служи едновременно и за връзка с атмосферата
Така не е хубаво преливния да служи и за отдушник! Когато нивото се покачи и прелее ще стане вакуум (както се източва съд с маркуч) и ще изтече почти цялата вода от системата.

Най-ниският извод се свързва към камината- ако е към топлата и помпата да е е на топлата-така ще отвежда и парата и предпазва камината. Недостатък е по-голямото изпарение. Ако е на студената трябва да е преди помпата-помпата да смучи от него. Така само обира разширението, но не пази камината-нужен е предпазен клапан.

Най-високият извод е отчушник. Извод който е по-близо до долния е сигнален, ако е по-близо до горния е преливен.

При достатъчна височина на жилището РС може да се свърже по двутръбна схема.
Така се завърта циркулация през РС само ако водата прегрее. При нея е нужно РС да е по-високо от най-високия радиатор с поне колкото е налягането на помпата (на първа степен 2метра, на втора 4 метра, на трета-6метра)
LazarGanev - "Велик майстор"
Наскоро поставях такъв РС - прилича на тоалетно казанче, но капака му е заварен. Има 2 извода на дъното (в левия и в десния край), по един извод симетрично на страничните стени и един в средата на горното дъно. Няма както старите РС по-долу и по-горе сигнален и преливен отвор - и двата страничните са на еднаква височина. Прав си, че този на горното дъно не трябва да е затворен херметически, за да не се получи ваккум и да се източи казанчето
PCL82 - майстор
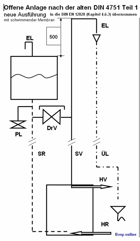
Понеже в БГ няма стандарт за РС и всеки производител си прави каквото иска пращам как е по DIN:

http://www.bosy-online.de/Ausdehnungsge ... fenes%20AG

Вижте картинките. Конструкцията е проста и е направена да може да се поставя както хоризонтално така и вертикално.

Другото интересно е отворения РС с плаваща мембрана, предотвратяваща контакта на водата с въздуха и от там корозията. Това не затворен балонен РС, защото има отдушник и се монтира най-горе на системата.

Ето и как се свързват тръбите:

http://www.bosy-online.de/offene_Anlagen.htm

Най-долу са дадени някои важни разстояния когато има странично изместване.

Оказа се че имало стандарт за РС: БДС EN 12828, който се споменава като единствен документ, по който се определят какви да са тръбите до РС.

НАРЕДБА № 15 от 28.07.2005 г. за технически правила и нормативи за проектиране, изграждане и експлоатация на обектите и съоръженията за производство, пренос и разпределение на топлинна енергия

http://www.google.bg/url?sa=t&source=we ... Og&cad=rja

Чл. 281. (2) Предпазните тръби на отворените разширителни съдове се оразмеряват съгласно БДС EN 12828.
sveto - специалист
С немския засега съм на "Вие" и гадая какво означават съкращенията :?: . Интересна ми стана двутръбната схема. Тавана не е обитаем и ще имам ок. 3 метра над най-високия радиатор (в случая това ще е бойлера).
Предполагам че това е въпр. двутръбна схема:

Прикачен файл

offene_Anlage-DIN_4751-neu.jpg
offene_Anlage-DIN_4751-neu.jpg (107.04 KиБ) Видяна 5586 пъти
  • 1
  • 10
  • 11
  • 12
  • 13
  • 14
  • 16

Тема "Локално парно - ВЪПРОСИ !!!" | Включи се в дискусията:


Сподели форума:

Бъди информиран. Следвай "Направи сам" във Facebook:

Намери изпълнител и вдъхновения за дома. Следвай MaistorPlus във Facebook: