• 1
  • 26
  • 27
  • 28
  • 29
  • 30
  • 38
Най - вълнуващия въпрос зимно време.
myozov - напреднал
2v6 написа:
myozov написа:
...търся по бюджетен вариант, който да ми върши работа за охлаждане, отопление и евентуално за БГВ.
...
Само за начало - не смесвай БГВ с отоплителната инсталация.
На първо време си намери термопомпен бойлер или термопомпа въздух-вода за БГВ.
колега търся термопомпа въздъх-вода ама не намирам бюджетно решение...
piron45 - майстор
myozov написа:
2v6 написа:
myozov написа:
...търся по бюджетен вариант, който да ми върши работа за охлаждане, отопление и евентуално за БГВ.
колега търся термопомпа въздъх-вода ама не намирам бюджетно решение...
Бюджетно решение е качествен климатик вързан за топлообменник, пък водата от топлообменника си я караш където искаш.
2v6 - майстор
myozov написа:
2v6 написа:
myozov написа:
...търся по бюджетен вариант, който да ми върши работа за охлаждане, отопление и евентуално за БГВ.
...
Само за начало - не смесвай БГВ с отоплителната инсталация.
На първо време си намери термопомпен бойлер или термопомпа въздух-вода за БГВ.
колега търся термопомпа въздъх-вода ама не намирам бюджетно решение...
Всяко решение е бюджетно :idea:
Неправилно е думата "бюджетно" да се ползва вместо "евтино" - не звучи по-добре...

Първо трябва да си изясниш бюджета и тогава по-лесно ще може да търсиш.
Ако не намериш търсената термопомпа въздух-вода за твоя бюджет има два варианта - търсиш бюджет за някоя термопомпа или търсиш термопомпа за твоя бюджет.
myozov - напреднал
Коя ТП да избера между тези двете "правената" на LG uu24 8kW za 2859лв. http://www.klimatici-lg.com/termopompi-ceni.html или "фабричната" на olimpia splendid за 5337лв. http://www.technobg.com/Invertorna-term ... HERPA-8-KW. Коя ще реботи по-добре и от коя ще имам повече изгода... Кажете си мненията.
2v6 - майстор
myozov написа:
Коя ТП да избера между тези двете "правената" на LG uu24 8kW za 2859лв. http://www.klimatici-lg.com/termopompi-ceni.html или "фабричната" на olimpia splendid за 5337лв. http://www.technobg.com/Invertorna-term ... HERPA-8-KW. Коя ще реботи по-добре и от коя ще имам повече изгода... Кажете си мненията.
И двете са "фабрични" :idea:
И двете се "правят" - вътрешното тяло се свързва към външното на място.
По-скъпата е по-добра защото:
1. Има инверторно задвижване.
2. Има вградена циркулационна помпа.

При тоя евтин ток е трудно да се каже дали ще имаш изгода да дадеш 2500 лв повече ...
myozov - напреднал
То и евтината мисля, че е с инверторен компресор. Скъпата има отделно захранване за БГВ, което незнам точно как работи, но не е ли полезна екстра от която ще имам полза.
2v6 - майстор
myozov написа:
То и евтината мисля, че е с инверторен компресор. Скъпата има отделно захранване за БГВ, което незнам точно как работи, но не е ли полезна екстра от която ще имам полза.
Ако евтината е с инвертор значи отпада едно предимство на скъпата :idea:

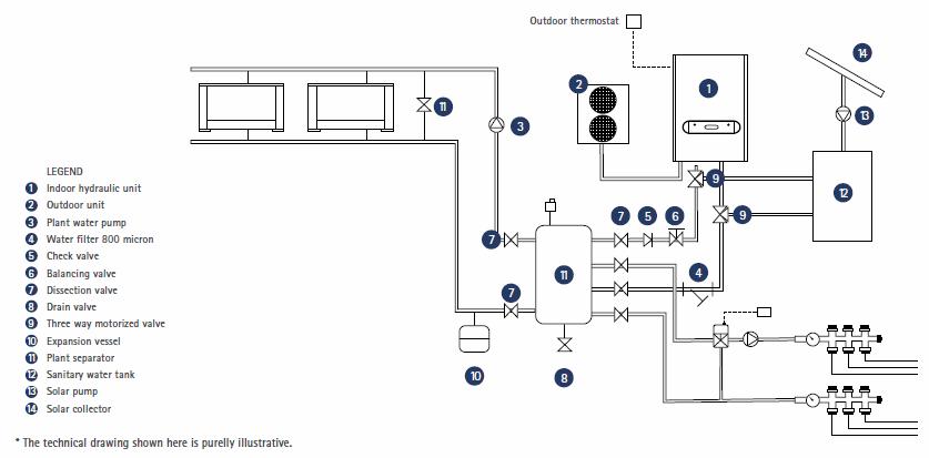
На схемата за свързване на олимпия-та няма отделно захранване за БГВ:
Прикачен файл:
air-water_split_system.JPG
air-water_split_system.JPG (39.89 KиБ) Видяна 4289 пъти
Серпентината на бойлера 12 е свързан директно към отоплителния кръг чрез вентилите 9.
С други думи за да се загрее бойлера до 60 градуса, термопомпата трябва да работи с вода над 65 градуса, което харчи много ток.
myozov - напреднал
тези трипътни вентили не се ли управляват от автоматиката на термопомпата и когато е необходимо загряване на бойлера да се спре подаването към подовото и да загрее бойлера до зададената температура примерно 50 градуса и след това да се превключи към подовото на по ниска температура примерно 35 градуса ???
denuchi - специалист
myozov написа:
тези трипътни вентили не се ли управляват от автоматиката на термопомпата и когато е необходимо загряване на бойлера да се спре подаването към подовото и да загрее бойлера до зададената температура примерно 50 градуса и след това да се превключи към подовото на по ниска температура примерно 35 градуса ???
Така си е.
filmatoplo - майстор
Начини на свързване много , бгв се дава и по приоритет .
  • 1
  • 26
  • 27
  • 28
  • 29
  • 30
  • 38

Тема "Термопомпа въздух-вода" | Включи се в дискусията:


Сподели форума:

Бъди информиран. Следвай "Направи сам" във Facebook:

Намери изпълнител и вдъхновения за дома. Следвай MaistorPlus във Facebook: