• 1
  • 3
  • 4
  • 5
  • 6
  • 7
Най - вълнуващия въпрос зимно време.
Veanves - напреднал
Този вариант вече може ли да се приеме като окончателен?

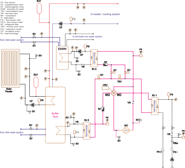
Не слагам циркулационна помпа във водния крък между топлообменник EX 3 и буферния съд, защото разстоянието между тях вероятно ще е много малко - около 1,5 м
За буферния съд и бойлера за БГВ се предвижда да имат резервно ел. подгряване.
Относно соларната част на системата - не разбрах какво точно имаш предвид, като казваш да и намеря друго място. Къде другаде може за отиде тя, според тебе.

Вярно ли е пресмятането, че 12 kW отоплителна мощност ще са достатъчни за цялата система.Би ли им хвърлил един поглед?

Прикачен файл

PrincShema3.gif
Korigiran variant
PrincShema3.gif (33.82 KиБ) Видяна 2019 пъти
denuchi - специалист
Veanves. Едно въпрос че може ли. Имаш ли идея, представа от всичките тези елементи кой кога и как ще работи. Защо няма да има помпа еди къде си. Без нея ще може ли (май не). Тези елементи EV кой кога ще работи, RF дали са на точното място всичките. ТРВ - то(TSV) какво го избра. Едни такива дреболии-ки.
filmatoplo - майстор
Според мен трябва да има помпа между Екс 3 и буфера , в противен случай ще загрява топлообменника до температури които може да изключат аварийно нещо , и въобще кпд на топлообмена ще бъде по малко или по бавно с други думи .
Ahmakov - специалист
Veanves написа:
Този вариант вече може ли да се приеме като окончателен?
Не.
Veanves написа:
Не слагам циркулационна помпа във водния крък между топлообменник EX 3 и буферния съд, защото разстоянието между тях вероятно ще е много малко - около 1,5 м
А кой или кое ще накара топлоносителя в този контур да циркулира?
Veanves написа:
Относно соларната част на системата - не разбрах какво точно имаш предвид, като казваш да и намеря друго място. Къде другаде може за отиде тя, според тебе.
Ами представи си август месец ти трябва студена вода за конвекторите, за охлаждане, а слънчевите колектори топлят водата в буфера...? Като долна серпентина на бойлера БГВ...
Veanves написа:
Вярно ли е пресмятането, че 12 kW отоплителна мощност ще са достатъчни за цялата система.Би ли им хвърлил един поглед?
За къща, два етажа 9х9м, измазана без изолация 12kW от 33000Btu климатик, твърдо НЕ. Като гледам и гаража, и него искаш да топлиш...Съществува тръбна разводка на осн. магистрала на локално парно изпълнена с неизолирана метална черна тръба - лоша идея за охлаждане.
N_Marinov - напреднал
Здравейте,

Не съм писал от години :(

Самоделката от тази тема навърши 7 години вярна служба.

На първото лято разкарах бойлера от системата махнах всички кранове и топлообменника е заварен направо на тръбите до тялото.

Работеше добре с някои дразнещи моменти.

Останах без управление замина си безславно.

Сега на въпроса. Какво управление читаво има към днешна дата за он-офф машина с адекватен дефрост?

На Интинел CMHP (270лв) контролера някой ползвал ли го е? Другото което гледам е един Еliwell ST553/С (около 150лв но ще ми трябват и релета и захранване)

Благодаря предварително.

Другата модификация която мисля да направя е да управлявам външния вентилатор със пресостат, да не качва големи налягания. В момента имам съмнения че в по-топлите дни катеря високи налягания.
a_stoev - майстор
mcx08 danfoss
Имат готов профил за чилъри, който да си параметризираш.
  • 1
  • 3
  • 4
  • 5
  • 6
  • 7

Тема "Въпрос за термопомпено решение на климатизация на жилище" | Включи се в дискусията:


Сподели форума:

Бъди информиран. Следвай "Направи сам" във Facebook:

Намери изпълнител и вдъхновения за дома. Следвай MaistorPlus във Facebook: