Сега аз наградих човека искрено -защото моята първа система е такава и действа и до днес .Слънчева система топлеща 1200 л вода в комбинация с газов котел на пропанбутан . Тогава бях гений и си изработвах сам фитинги от метал и електрожен -имам снимки вчера ги изрових . Рисувах с оксижен и електрожен -някой знае ли какво е прозоречна заварка.
Най - вълнуващия въпрос зимно време.
filmatoplo
- майстор
26 мнения в "Слънчев панел и водна риза в един кръг?"
filmatoplo
- майстор
- Мнения: 17842
Как от снимка в албум мога да я пльосна тука -имам всички джаджи -апарат,камера,принтер,лаптоп и ДЛР.
pac_
- специалист
- Мнения: 300
Хубаво СИ наградил човека!Няма лошо!Но защо трябва да Се мъчи и да Си блъска главата,като може да Си улесни работата и да спести това което Ние все още не ценим ВРЕМЕТО Си!!!Ако една работа може да се свърши за есна седмица без да бързаш,защо трябва да я влачиш 1,2 месеца и да е със съмнителен резултат!По-точно на принципа-"Проба-грешка"?Не напразно англичаните казват:-"не Съм толкова богат за Си да купвам евтини работи!"!Знам ,че сега Сме в криза,но това не трябва да Ни кара да Се мъчим като"Грешни дяволи",да хабим нерви,труд,време и накрая пак да стигнем почти в началото при сигурния резултат.Всичко може да се направи с разумно влагане на средства но не трябва да се прави компромис с качеството на материалите!!!Скоро имах един клиент,който има пари а иска да Му работя с китайски материали(били евтини) за да спести пари,без да Се сеща,че тези "евтините" материали в повечето случаи излизат и по-скъпи от качествените-(даваш 2 пъти пари)!Така,че по-добре е малко да се забави работата докато се набавят още малко парички и тогава да се действа!Не може всичко да става на принципа:"Евтино,качествено в рамките на подарък"!!!Всички много Сме Се блъскали поради липсата на тез"пусти"пари,без да Си ценим изгубеното време!Ама сега като няма много пари,двай да купуваме всички евтини китайски боклуци,които се предлагат за да пестим !Да,ама не!Само Се заблуждаваме.Не ,че няма много качествени китайски стоки и материали,но няма кой да ги внася защото "печалбата Му " ще е много по-малка!А и има много наредени на "синджира да лапат".От това страдаме самите Ние!Това е.А що се отнася до снимките,можеш да ки качиш като ползваш скенер.Той ги сканира,преобразува ги във цифров формат и имаш файл,който може да качиш и да покажеш Твоето изобретение-Твойта гордост!Няма нищо лошо в това!А само тогава ли Си бил гений?Асега?Покажи някой обект от Приморско.Малко обмяна на опит.Айде давай да гледаме!Ако има нещо -тука Сме!Успех и късмет!

filmatoplo
- майстор
- Мнения: 17842
Китайски боклуци не ползвам ,даже и турски.
pac_
- специалист
- Мнения: 300
Прав Си!Заради това,че се внасят най-некачествените стоки и материали,всеобщо мнение е ,че са боклуци!Но това е така благодарение на някой в София,който върти огромни далавери и печели страшно много!Затова има много "Бентли"-та и други много скъпи коли в BG и не само това!Ако Си гледал за панаира в Гуанджоу(Китай)-най-голямото изложение на качествени стоки,материали,машини и др. в света!Там участват много производители от Китай,към които има интереси от цял свят.Но стоките са само най-добро качество!Дневно се сключват договори за милиони долари!Гледах филм за това изложение.Една от организаторките каза,че всички стоки ,които участват минават през комисия за контрол на качеството и след одобрение се допускат до панаира.Тези 2-ро и 3-то качество просто не се ДОПУСКАТ!!!И точно тези стоки,материали отиват познай къде?Тука при нас,защото са много ниско качество-т.е брак.Купуват ги на колограм и ги пласират на нашите пазари.Затова за Нас китайските а и турските(евтини и нискокачествени) стоки са боклук и не стават.Работил Съм с турски и китайски материали които са качествени-нямам оплаквания!Но има много боклуци,които още много време ще заливат нашия пазар а и не само нашия!Играчите гонят печалбата а Ние Се косим и Си късаме нервите!Това е!Айде успех!Ииии....давай снимки!

stamenov1
- специалист
- Мнения: 303
Айде едно питане и от мен.
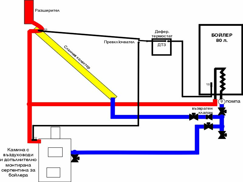
Имам монтирана във въздуховодната камината водна риза за загряване на бойлера и в момента е свързана както е показано на схемата.
Въпроса ми е какво мога да доавтоматизирам, че да не прегрява слънчевия панел в тези преходни дни в които вече има и слънце и кипи ако забравим да му поотворим крана, а в същото време все още се отопляваме с камината.
В момента нямам възможност да сменям бойлера.
Системата е отворена с антифриз.
Деференциалния термостат е на Интиел от първите, мисля, че е DT3, имам три термодатчика, както са по схемата и в момента ги превключвам ръчно. Ръчно е управлението и на крановете.
Имам монтирана във въздуховодната камината водна риза за загряване на бойлера и в момента е свързана както е показано на схемата.
Въпроса ми е какво мога да доавтоматизирам, че да не прегрява слънчевия панел в тези преходни дни в които вече има и слънце и кипи ако забравим да му поотворим крана, а в същото време все още се отопляваме с камината.
В момента нямам възможност да сменям бойлера.
Системата е отворена с антифриз.
Деференциалния термостат е на Интиел от първите, мисля, че е DT3, имам три термодатчика, както са по схемата и в момента ги превключвам ръчно. Ръчно е управлението и на крановете.
Прикачен файл
Схема камина колектор1.jpg (84.61 KиБ) Видяна 4307 пъти
Тема "Слънчев панел и водна риза в един кръг?" | Включи се в дискусията:
Сподели форума:
Бъди информиран. Следвай "Направи сам" във Facebook:
Намери изпълнител и вдъхновения за дома. Следвай MaistorPlus във Facebook:
Имаш нужда от подходящ професионалист за дома?
- Преустройство, ремонт и реновиране
- ↳ Вашите ремонти
- ↳ Кухня
- ↳ Баня
- ↳ Дневна
- ↳ Спалня
- ↳ Детска
- ↳ Градина
- ↳ Коридор
- ↳ Тераса и балкон
- Направи сам
- ↳ Направи сам
- ↳ Ремонтирай сам
- ↳ Къде е по-евтино?
- ↳ Дърводелство
- ↳ Ел. инструменти
- ↳ Металообработване
- ↳ Конкурс "Направи сам 2012"
- Строителство
- ↳ Всичко за вилата
- ↳ Къщи
- ↳ Саниране
- ↳ Хидроизолация
- ↳ Пасивни и нискоенергийни сгради
- Сухо строителство
- ↳ Окачени тавани
- ↳ Преградни стени и предстенни обшивки
- ↳ Сухи и повдигнати подове
- ↳ Декоративни елементи - колони, трегери, сводове и др.
- ↳ Всичко за гипскартона и гипсфазера
- Въпроси и Отговори
- ↳ Полезни съвети
- ↳ Автомобили
- ↳ Партньори
- ↳ Боядисване и Декориране
- ↳ Вентилация, климатици и термопомпи
- ↳ Водоснабдяване и канализация.
- ↳ Всичко за ремонта
- ↳ Електротехника
- ↳ Отопление
- ↳ Газификация
- ↳ Електроника и Схеми
- ↳ Газобетон
- ↳ От всичко по малко
- ↳ Компютри и периферия
- ↳ Уеб дизайн, PHP, MySQL, JavaScript, HTML..
- ↳ Мобилни устройства, GSM-и
- ↳ Нека се запознаем
- ↳ Recycle Bin
- Статии
- ↳ Практични решения
- ↳ Качване на снимки
- ↳ Какви статии искате?
- ↳ Готварство, туршии и зимнина
- ↳ Отмора и шеги
- ↳ От нищо нещо
- ↳ Не е за вярване
- ↳ Литература
- ↳ Връзки към Интересни сайтове
- Магазин
- ↳ Препоръки и Мнения за он-лайн магазина
- ↳ Крадeни инструменти !!!