Най - вълнуващия въпрос зимно време.
шоп - майстор
ср дек 16, 2020 8:37 pmbaio написа:
Това е разположението на радиаторите и помещенията.
Според мен не трябва да благодариш на хората, които са ти помогнали в направата на системата.
Логиката е, колектора да се инсталира в центъра на имота и от там лъчево по най-краткият път да се захранят консуматорите в отделните помещения.

Доста пъти съм качвал и руския калкулатор за хидравлични загуби на валтрк.ру
шоп - майстор
ср дек 16, 2020 8:43 pmbaio написа:
инсталацията се прави 2012г. когато нямаше изобщо идея да си отиват въглищата.
Прав сте!
Според мен за да не правите отново грешки и да не давате пари за половинчати решения щом сте решили отопление с ТП си направете навсякаде водно подово и си пуснете по най-краткото трасе до всяка стая тръби с вътрешен диаметър равносилен на метални 3/4'' тръби за конвектор.
Не забравяйте и до всеки извод за конвектор да изведете и тръби за конденза.
Рано или късно ще се сетите и за охлаждане, дори и след 8 год.
Успехи!
baio - напреднал
ср дек 16, 2020 8:51 pmшоп написа:
ср дек 16, 2020 8:43 pmbaio написа:
инсталацията се прави 2012г. когато нямаше изобщо идея да си отиват въглищата.
Прав сте!
Според мен за да не правите отново грешки и да не давате пари за половинчати решения щом сте решили отопление с ТП си направете навсякаде водно подово и си пуснете по най-краткото трасе до всяка стая тръби с вътрешен диаметър равносилен на метални 3/4'' тръби за конвектор.
Не забравяйте и до всеки извод за конвектор да изведете и тръби за конденза.
Рано или късно ще се сетите и за охлаждане, дори и след 8 год.
Успехи!
И това време със сигурност ще дойде. Благодаря Ви.
baio - напреднал
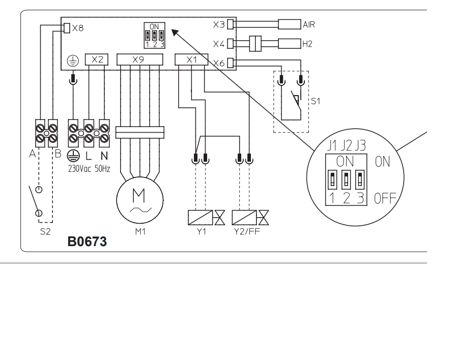
Тъй като ми беше изпаднал на изключително много добра (с транспортна забележка) цена воден конвектор на Olimpia го взех. Монтирах го като тръбата си остана ф16. За момента съм доволен от към шум (който почти не се чува) и отопление. Системата ще я сменя на пролет както писах с пелетен котел. Сега обаче се сблъсквам с малък проблем по отношение на датчика за вода. Т.е. когато температурата на водата в системата падне под 30 градуса вентилатора на конвектора не изключва.
Управлението е В0673, като има отделна букса с кабел за датчик на водата (Н2 на схемата) който трябва да изключи мотора при поставянето на такъв термостат и управлението да остане в режим „Готовност“. Купих един такъв термостат на Thermolukx с характеристики >38 градуса и < 30 градуса. Същия при падане на температура по 30 гр. няма верига а при повишаване над 38 има верига (замерен с мултицет) което значи, че си работи. Кабела който излиза от управлението има ток около 5 W. Всичко до тук добре но въпреки всичко след като е монтиран не сработва и мотора продължава да върти. От ръководството за монтаж съм поставил
J1 на ON
J2 на OFF
J3 на OFF.
Виждам, че на платката има и извод за поставяне на 2 джъмпера но незнам дали е от тях проблема.
Моля някой ако има опит да сподели какво пропускам!
Качвам и снимки.

Прикачен файл

¦бTЕ¦¦¦-¦- TБ¦-TКTА¦¬¦-¦-¦-¦¦ ¦Т0673.png
Схема на свързване В0673
¦бTЕ¦¦¦-¦- TБ¦-TКTА¦¬¦-¦-¦-¦¦ ¦Т0673.png (21.18 KиБ) Видяна 3372 пъти

Прикачен файл

¦в¦¦TА¦-¦-TБTВ¦-TВ.jpg
Термостат
¦в¦¦TА¦-¦-TБTВ¦-TВ.jpg (41.7 KиБ) Видяна 3372 пъти

Прикачен файл

SLR+.jpg Конвектор
baio - напреднал
чет дек 24, 2020 1:24 pmbaio написа:
Тъй като ми беше изпаднал на изключително много добра (с транспортна забележка) цена воден конвектор на Olimpia го взех. Монтирах го като тръбата си остана ф16. За момента съм доволен от към шум (който почти не се чува) и отопление. Системата ще я сменя на пролет както писах с пелетен котел. Сега обаче се сблъсквам с малък проблем по отношение на датчика за вода. Т.е. когато температурата на водата в системата падне под 30 градуса вентилатора на конвектора не изключва.
Управлението е В0673, като има отделна букса с кабел за датчик на водата (Н2 на схемата) който трябва да изключи мотора при поставянето на такъв термостат и управлението да остане в режим „Готовност“. Купих един такъв термостат на Thermolukx с характеристики >38 градуса и < 30 градуса. Същия при падане на температура по 30 гр. няма верига а при повишаване над 38 има верига (замерен с мултицет) което значи, че си работи. Кабела който излиза от управлението има ток около 5 W. Всичко до тук добре но въпреки всичко след като е монтиран не сработва и мотора продължава да върти. От ръководството за монтаж съм поставил
J1 на ON
J2 на OFF
J3 на OFF.
Виждам, че на платката има и извод за поставяне на 2 джъмпера но незнам дали е от тях проблема.
Моля някой ако има опит да сподели какво пропускам!
Качвам и снимки.
Проблема е решен!
Оказа се, че непосредствено под мястото където се монтира управлението има отвор с диаметър около 12-13мм който от вътрешната страна (от към питата) е запушен с изолация. Под нея беше "скрит" кабела с букса който се включва към управлението. Така че радиатора се оказа с вграден датчик за температурата на водата. Това нещо обаче липсва в техническата документация (с която се продава панела) за която гледах в италиянски сайтове и други. Единствено за което нямам обяснение, защо не работеше с посочения от мен по горе термостат. Сега вече всичко е ОК. При падане на температурата в инсталацията (30 градуса) конвектора остава в режим "Готовност" и вентилатора спира.
Весела Коледа на всички.
пет дек 25, 2020 12:31 pmbaio написа:
..
...
Весела Коледа на всички.
Честита Коледа и на теб!
Нямам конвектори, но за в бъдеше, кой знае?
Такива мнения, с обратна връзка, бяха в основата на създаването на една прилична отоплителна система.
шоп - майстор
Нека споделя и обратният проблем.
Имам 8 бр вентилаторни конвектор с мощност х 7.5киловата Aermec

Разбира се всеки конвектор си има два дачтика. Единият стаен, а другия мери водата.
При мен водният датчик поставяше конвектора в режим на "очакване" при температура на водата под 34 гр

Обаче аз се топля с ТП вода-вода и температура на топлоносителя 28-32 гр.
При този режим конвекторите нямаше да тръгнат никога.
Благодарение на колегите от темата "термопомпа вода вода всеки може да си направи сам" само срещу 40 стотинки си закупих многооборотно потенциометри ДЖ 7 и настроих конвекторите да работят при температура на топлоносителя 28-32 градуса:-)))
Връзват се паралелно на датчика за водата.
Повече в темата.

Прикачен файл

SAM_9395.JPG
SAM_9395.JPG (116.9 KиБ) Видяна 3264 пъти

Прикачен файл

SAM_9394.JPG
SAM_9394.JPG (96.68 KиБ) Видяна 3264 пъти

Тема "Водни конвектори" | Включи се в дискусията:


Сподели форума:

Бъди информиран. Следвай "Направи сам" във Facebook:

Намери изпълнител и вдъхновения за дома. Следвай MaistorPlus във Facebook: