Намери изпълнител за дома | MaistorPlus
от unax
ср апр 18, 2012 3:07 pm
Форум: Електроника и Схеми
Тема: Усилвател на мощност с интегрална схема
Отговори: 3
Преглеждания: 2292
Усилвател на мощност с ИС изходни данни: Po = 5.4 W ; Ug = 1,5 mV и вход от радио; Rl = 2 X 4 OM ; fb = 50Hz; fh = 18 kHz; Mb = Mh = -2 dB; Ucc = 12 V; тонкоректор и регулатор на усилването. предварителни изчисления: Eg(mic) = Ug(mic) = 1,5 mV; Rg(mic) = 400 OM Eg(radio) = Ug(radio) = 0,3 V; Rg(radi...
от unax
вт апр 17, 2012 2:15 pm
Форум: Електроника и Схеми
Тема: Усилвател на мощност с интегрална схема
Отговори: 3
Преглеждания: 2292
Здравейте имам да правя семестриален проект по аналогова схемотехника по задание. Искам да направя изчисленията и ако ми остане време да се опитам да я реализирам и на практика, но има неща който не са ми ясни. Ще се радвам на малко помощ от ваша страна при добро желание
от unax
вт дек 13, 2011 12:46 pm
Форум: Електротехника
Тема: 2 Задачи по теоретична електротехника
Отговори: 28
Преглеждания: 14760
Определено има напредък.И така ето докъде стигнах : |(R4 + R7 +R1)*I11 - R1*I22 + (R4 + R7)*I33 = -e4 -e1 |(R1 + R3)*I22 - R1*I11 + R3*I33 = -e3 -e2 + e1 |(R4 + R7 + R3 + R5 + R8 + R6)*I33 + (R4 + R7)*I11 + R3* I33 +(R5 + R8)*I44 = -e4 -e3 +e5 На мястото на червеното постави I22. то и така съм го н...
от unax
вт дек 13, 2011 10:36 am
Форум: Електротехника
Тема: 2 Задачи по теоретична електротехника
Отговори: 28
Преглеждания: 14760
1a.a.JPG И така ето докъде стигнах : |(R4 + R7 +R1)*I11 - R1*I22 + (R4 + R7)*I33 = -e4 -e1 |(R1 + R3)*I22 - R1*I11 + R3*I33 = -e3 -e2 + e1 |(R4 + R7 + R3 + R5 + R8 + R6)*I33 + (R4 + R7)*I11 + R3*I33 +(R5 + R8)*I44 = -e4 -e3 +e5 I44 = J = 2 | 30I11 -10I22 + 20I33 = -60 |-10I11 + 15I22 + 5I33 = -40 |...
от unax
пет дек 09, 2011 10:18 am
Форум: Електротехника
Тема: 2 Задачи по теоретична електротехника
Отговори: 28
Преглеждания: 14760
Схемата е вярна, но нататък... След като си чел нама да обяснявам как се определя броя на контурите само ще спомена, че клона с R2 не участва в нито един контур. По-нататък, когато се записват уравненията за всеки контур, трябва да се изразява не само контурния ток в съответния контур, но и съседни...
от unax
чет дек 08, 2011 4:12 pm
Форум: Електротехника
Тема: 2 Задачи по теоретична електротехника
Отговори: 28
Преглеждания: 14760
И така след четене и консултации стигнах до тук :
Прикачен файл:
1a.a.JPG
1a.a.JPG (14.68 KиБ) Видяна 3072 пъти
|(R4 +R7 +R1)*I11 = -e4 -e1
|(R1 + R3)*I22 = e1 - e3 -e2
|(R4 + R7 + R3 + R5 + R8 +R6)*I33 + (R4 + R7)*I11 + (R3 + R1)*I22 = -е4 - е3 + е5

сега ако някой разбира моля да си сподели опита правилно ли съм го направил
Благодаря предварително.
от unax
пон дек 05, 2011 11:30 am
Форум: Електротехника
Тема: 2 Задачи по теоретична електротехника
Отговори: 28
Преглеждания: 14760
Това последното за какво ти е не ми е ясно. Давам ти два "жокера" по реда на заданието: 1. Да се начертае схема ако източниците са постояннотокови. Какво е съпротивлението на R, L и C при постояннотоков режим? Ако съпротивлението е =0 значи даваш накъсо, ако е безкрайно голямо значи прекъсваш вериг...
от unax
вт ное 29, 2011 1:19 pm
Форум: Електротехника
Тема: 2 Задачи по теоретична електротехника
Отговори: 28
Преглеждания: 14760
1.1a.JPG а когато се преобразува от реален източник на напрежение в реален източник на ток само резисторите ли се променят или всичко (кондензатор(С) и бобина(L2)) както съм го направил схемата или е грешно ? I11 = I1 I22 = -I1 I33 = -I2 I44 = I2 I55 = -I3 - I4 I66 = I3 I77 = I I88 = I6-I I99 = I5 ...
от unax
вт ное 29, 2011 12:50 pm
Форум: Електротехника
Тема: 2 Задачи по теоретична електротехника
Отговори: 28
Преглеждания: 14760
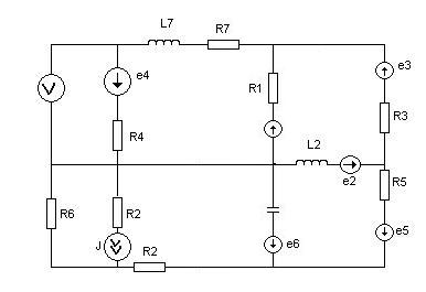
Прикачен файл:
1a.JPG
1a.JPG (11.87 KиБ) Видяна 8032 пъти
valentin112 написа:
Ако на горната схема означиш местата на пресичане на линиите с точки...
ето така ли?
правих схемата на ръка затова ги бях изпуснал
от unax
вт ное 29, 2011 10:21 am
Форум: Електротехника
Тема: 2 Задачи по теоретична електротехника
Отговори: 28
Преглеждания: 14760
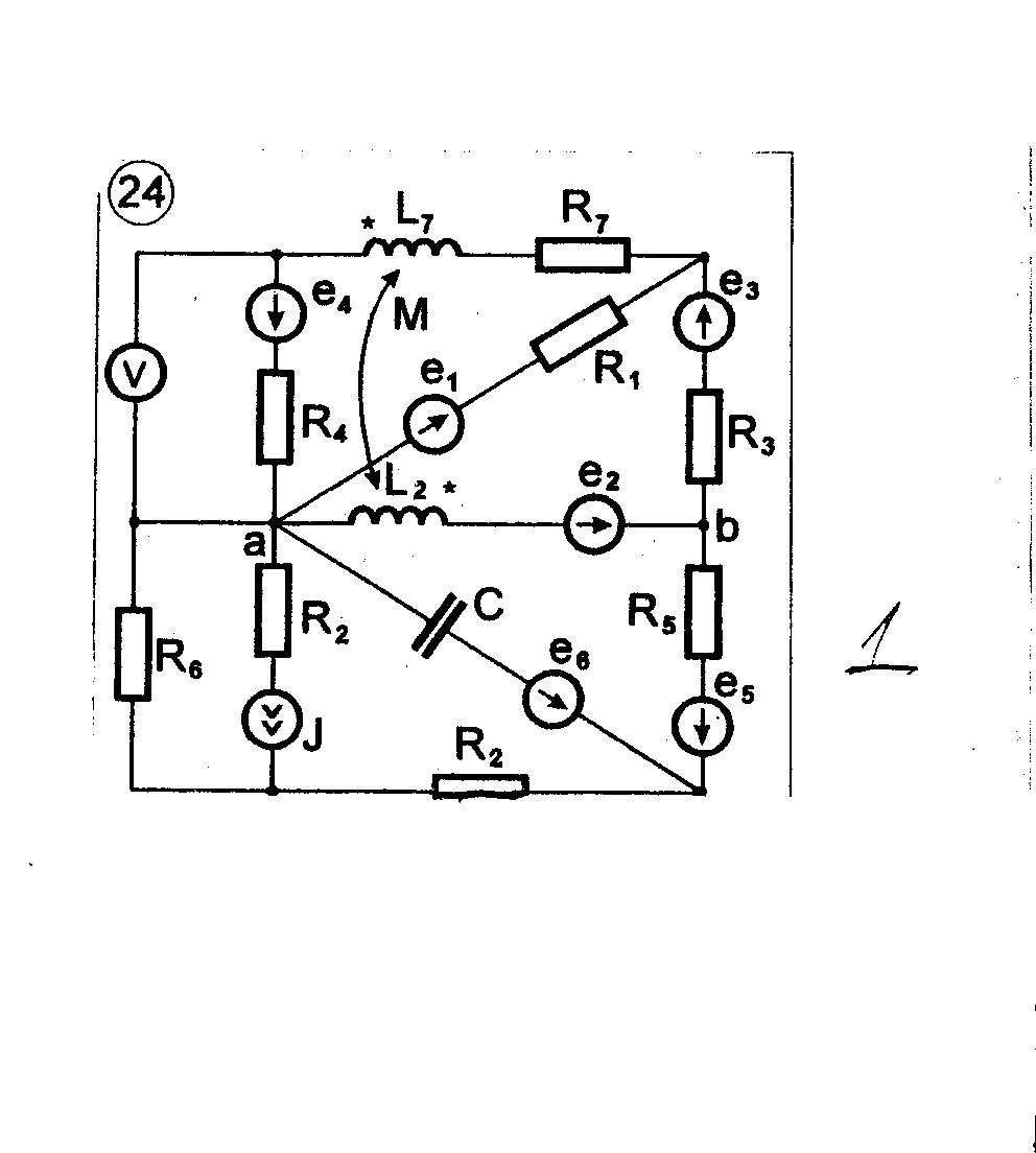
Прикачен файл:
1a.JPG
1a.JPG (11.73 KиБ) Видяна 8071 пъти
горната схема начертана по този начин същата като тази от долу?
Прикачен файл:
1.JPG
1.JPG (83.1 KиБ) Видяна 8073 пъти
  • 1
  • 2
Търсенето намери 15 резултата за Страница 1 от 2