• 1
  • 19
  • 20
  • 21
  • 22
  • 23
  • 30
От мобилни телефони до цифрови камери
mityom - специалист
схемата на бат Венци е добра и работи, но не може ли да се измисли 1 светодиод за индикация на зареден акумулатор покрай ценера :?
petkomz - специалист
jordanvass написа:
Поне 100 мА е максимално допустимият ток през управляващия електрод на Т7-3. Няма да изгори от 46. Нещо друго е. А и как ги сметна тия 46 мА, ум не ми го побира. Нямат нищо общо с истината.
Ами тук го дават 12 мА
https://vikiwat.com/tiristor-t-7-3-300v-10a.html
, а колкото за тока 21,5/470=0,0457. Не е ли правилно? Не съм сигурен само за напрежението на зарядното затова трябва да се измери по-точно и да се изчисли, но по спомен мисля че е горе долу толкова.
jordanvass - майстор
Да, прав си, пише нещо за 12 мА, но това е токът, при който тиристорът се отпушва гарантирано. Това не е максимално допустимият ток, над който управляващият преход може да се повреди. Максималният ток е поне 100 мА. А и не вярвай много на данни от сайтове на магазини. Там пишат какво ли не. Например, че шпилката му е М4. Малко трудничко ще завъртиш гайка М4 на резба 6мм.
За изчисленията - да, математически деленето ти е вярно, но само математически. Първо, не си предвидил, че катодът на тиристора не е свързан долу към минуса (0 волта), а е "подпрян" от напрежението на акумулатора 14 волта. Тоест върху него напрежението ще бъде 21-14=7В. Освен това от тия 7 волта трябва да извадиш и напрежението на насищане на управляващия преход, което не е много, но все пак го има. И в резултат ще получиш ток, доста по-нисък от 46 мА. Точно колкото трябва за отпушването - около 12мА. И това са съвсем груби сметки, но за практически цели стават.
mityom - специалист
а защо като се закъсят щипките към акумулатора(неволно по за няма и секунда) и ценера гори,дали прблема е в тиристора,става въпрос за схемата с 2 тиристора на бат Венци
kozl - майстор
Познат ми даде ей това зарядно за проба как зарежда.
Прикачен файл:
Battery charger Auto Practic.jpg
И така пробвах го първия път не можа да вдигне по собствената скала 10А. Оказа се, че има автоматика на ограничение по ток спрямо зарядното напрежение. За целта оставих акумулатора около час на запалени фарове и скалата се изпълни - 10А. При проверка с външен ампермер от евтин мултицет китаец, амперите не съвпаднаха. Довечера ще пробвам с друг по-скъп китаец и с амперклещите.
Но не разбрах каква е идеята за автом.заряд. Значи не ми се чакаше иначе започна с 10А, към 14V станаха към 5 и продължиха да спадат. На 14,6 станаха 3А. От потенциометъра ги намалих на 2А и го зарязах да зарежда нощеска сега ще видя ко е станало.
Иначе на външен вид е сипатично, чвно е с импулсно, че не тежи и има вентилатор, който се включва над 2А ток.
П. Петков - специалист
http://instrumentistart.com/product/284 ... 3713d.html
В "Ташев..." го има, но е без цена.
Прикачен файл:
Picture 408.jpg
Picture 408.jpg (76.53 KиБ) Видяна 3353 пъти
П. Петков - специалист
Прикачен файл:
accumulator.JPG
Прикачен файл:
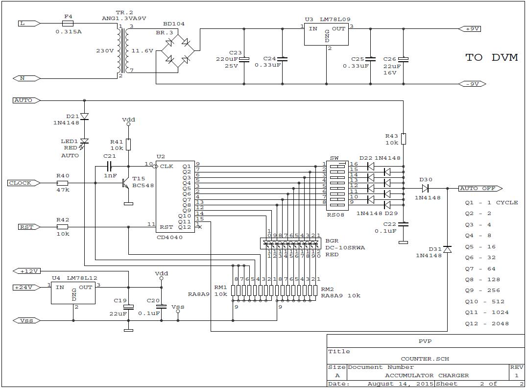
COUNTER.JPG
COUNTER.JPG (108.23 KиБ) Видяна 3107 пъти
Прикачен файл:
Picture 546.jpg
Picture 546.jpg (109.67 KиБ) Видяна 3149 пъти
Недостатък на схемата е, че задаването и отчитане броя на циклите е в двоичен код, но както пренебрежително се е изказвал някога Роберт Видлар (за цифровата техника): "Всеки идиот може да брои до едно!"
В момента на снимането схемата работи в ръчен режим, индикацията (барграфът) за броя на циклите отговаря на числото петдесет и осем 111010 (младшият разряд на барграфа е долу), а зададеният чрез ПИС-а брой цикли в автоматичен режим е 17 (10001). Младшият разряд на ПИС-а също е долу. На снимката чипът CD4040 е между ПИС-а и барграфа.
В ръчен режим, благодарение на диода D31, след завършване на хиляда двадесет и третия цикъл (1023) схемата също се самоизключва автоматично. Естествено, това ограничение подлежи на хардуерна промяна и индивидуален избор.

P.S.
Не мога да разбера защо едната принципна схема излиза голяма, а другата малка, след като и на двете форматът е еднакъв? :?
Последна промяна от П. Петков на пет авг 14, 2015 6:35 pm, променено общо 1 път.
kozl - майстор
Формата да, а съдържанието не. Може би в това е отговора :?
Virtuozo - специалист
Това от снимката е зарядно за автомобилни акумулатори ли? Ако нещо съм недоразбрал,което е твърде вероятно моля да ме извините ала ако наистина говорим за зарядно за акумулатори,то това си е чисто извращение! Простите неща,трябва да са прости и да работят. За съжаление голяма част от нещата няма как да са прости ала зарядното за акумулатори трябва да е просто,грубо и дуракоустойчиво. Това нещо от снимката сложено в някой гараж и ползвано от някой шофьор уверявам ви ще работи кратко,но за сметка на това после няма да работи вечно :wink: Иначе браво за възможностите,който може това,той може много .
П. Петков - специалист
Туй от снимката е само работещ макет на зарядно, чрез който се проверява и изпитва работата на измислената схема. Винаги, когато се синтезира една схема, има явления и ефекти, които са убягнали при проектирането и така те излизат наяве. Освен това изпитването на макет доста често е инициатор на нови идеи за по-съвършенна работа. В гараж естествено този макет не може да се сложи и не му е там мястото, освен ако край него не е този, който го е правил и то, за да се провери дали все пак работи читаво. В съвременната схемотехника отдавна има софтуер за симулация на схемите, като Pspice, ама аз не го мога с тези релейни компоненти. А иначе "сложността" на схемата е условна и е подчинена на изискванията за проста, надеждна и дуракоустойчива експлоатация.
Пътят до окончателното изделие е доста дълъг, като това е само началото. Предстои оптимизация на номиналите на резисторите, кондензаторите, както и изчисления на трансформатора, а също и такива подробности като площ, форма, разположение и пресмятане топлинните съпротивления на радиаторите. Оптимизация на схемните номинали при изменение на мрежовото захранване, диапазонно изменение на външната температура, както и влиянието на мрежовите смущения. В потвърждение на последното кондензаторът C3 е поставен именно срещу такива смущения. Оказа се, че при комутация на външен, индуктивен товар, именно тази точка е чувствителна към такива смущения. Не на последно място е и компановката на изделието, вида на лицевия и задния панели, проектирането на печатните платки и т.н., и т.н. С други думи: "Пътят е страшен, но славен!".
Друг е въпросът дали работата ще бъде продължена, защото задание и работодател няма, а освен това интересната работа е схемното проектиране, а не цялостната реализация. Нещо като шегата в играта на бридж - "Лордовете анонсират, а слугите разиграват!".
Време има, а и един приятел казваше, че "Работата трябва да се остави да отлежи! Като отлежава - тя сама става!". В този случай целта е да се получи "морално" удовлетворение от умствените усилия (поне за мен).
С тази работа не си изкарвам хляба, защото съм "държавник", с други думи, държавата ми плаща, за да си почивам (като пенсионер)! Или както казваше навремето един познат: "Нас ни грее месечината - всеки месец получаваме пенсия".
А смисълът на "моралното удовлетворение" има чудесна интерпретация в една превъзходна мисъл на Маркс: "Трудът е труд и същност за човека тогава, и само тогава, когато не е средство за неговото съществуване!" :)
  • 1
  • 19
  • 20
  • 21
  • 22
  • 23
  • 30

Тема "Схема на зарядно" | Включи се в дискусията:


Сподели форума:

Бъди информиран. Следвай "Направи сам" във Facebook:

Намери изпълнител и вдъхновения за дома. Следвай MaistorPlus във Facebook: