• 1
  • 16
  • 17
  • 18
  • 19
  • 20
  • 32
Всички имаме коли, нали ?
sstefanov - майстор
Какво става с общата точка (от която се подава +12В) на дългите, когато релето подава +12В вместо маса? През нея няма ли да се върне ток обратно към някоя верига в колата?
peco - помощник
Duke_BG написа:
...обяснявам : всички коли + на дългите се подава от едно място и се разклонява през два бушона - т.е. необходимо е да прекъснеш масата на едната крушка и да и подадеш + ( през нормано отворения контакт на релето ) а, нормално затворения контакт държи масата на оригиналното и място - това е силовата верига .
а сега управляващата + на релето към възбудителната намотка на динамото ( лампата за заряд)
- на релето към габарит и си готов

обяснение надействието : при незапален двигател и подаден контакт на възбудителната намотка има - (през нея към маса) а на другия край има маса през крушките на габаритите .
двигателя се пали и динамото почва да зарежда -> на възбудителната има + , а масата пак си през габаритните крушки и релето сработва ...

ако по време на работа на двигателя се включат габаритите ( те винаги са първа степен на ключа на фаровете ) то на намотката на релето се получават два + и то гасне възстановявайки оригиналната маса ...

ми това е ...

приемам критики и поздравления под формата на Бира

О.К.,Duke,съгласен съм напълно, ако става въпрос за крушки H7, т. е. когато дългите и късите са отделни крушки. Какво правим при крушки H4 - получава се двете дълги последователно и паралелно на тях двете къси пак последователно... Май може да стане с един 10 амперов диод във веригата на едната къса светлина...

P.S. Сега се сещам друго - какво става с + на възбудителната намотка, след като поработи двигателя и акумулатора се зареди? Май няма да стане... :(
Duke_BG - специалист
sstefanov написа:
Какво става с общата точка (от която се подава +12В) на дългите, когато релето подава +12В вместо маса? През нея няма ли да се върне ток обратно към някоя верига в колата?
не няма защото когато превключиш ключа за фаровете на габарити схемата ще се върне в оригиналното си състояние , но си прав че може да стане инфекция ако използваш "светкавицата" ще се наложи да се посади още едно реле към светкавицата защото иначе подадеш ли "светкавица" единия фар ще светне на макс а другия ще угасне - т.е. ще стане "намигане" :)

ЕДИТ :
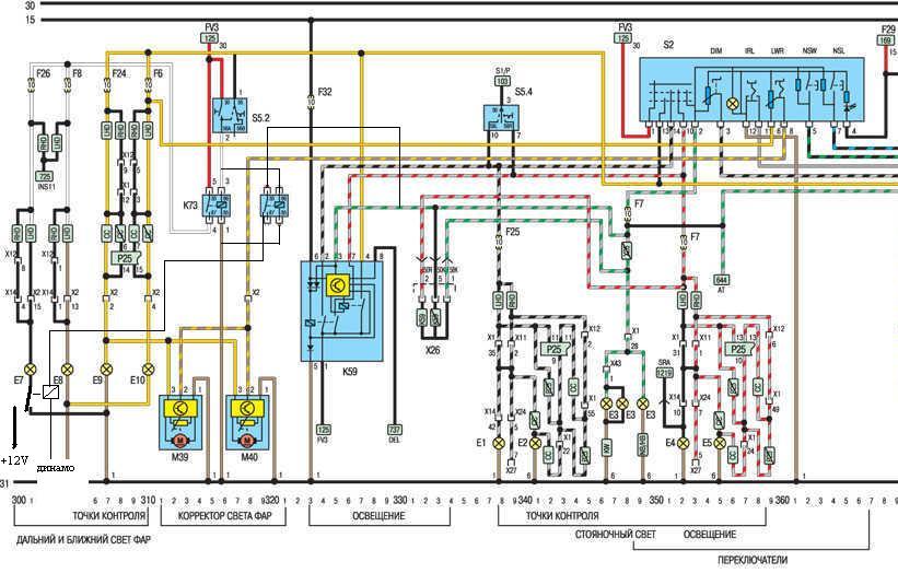
ето вектра Б от 1995 ...
Изображение

описание на елементите тук
и тук има К59 (виж следващия пост ) да поумуваме заедно какво да измислим със "светкавицата"
Последна промяна от Duke_BG на чет авг 02, 2012 10:37 pm, променено общо 3 пъти.
Duke_BG - специалист
peco написа:
Duke_BG написа:
...

О.К.,Duke,съгласен съм напълно, ако става въпрос за крушки H7, т. е. когато дългите и късите са отделни крушки. Какво правим при крушки H4 - получава се двете дълги последователно и паралелно на тях двете къси пак последователно... Май може да стане с един 10 амперов диод във веригата на едната къса светлина...

P.S. Сега се сещам друго - какво става с + на възбудителната намотка, след като поработи двигателя и акумулатора се зареди? Май няма да стане... :(
Изображение

Ето ти схема на вектра А от 1989 година .... с H4 крушки
там ще стане с две релета по същия начин само че ще прекъснеш двата плюса към крушките като на единия подаваш "+" а на другия "-"...
обърни внимание на К59 - това е оригиналното реле за дневни светлини ..

като се сещаш за възбудителната намотка сети се като ти зареди акумулатора светва ли ти лампата за заряд ??
лампата за заряда на акумулатора получава + на контакт а минуса си го взима от възбудителната намотка
Duke_BG - специалист
такааа измислих как да премахнем бъга с "намигането" :
паралелно на намотката на релето дългите се свързва още едно реле с най-малко един нормално затворен контакт през който се прекарва управлението на другото реле - така при сеткавицата едновременно с подаване на + към дългите се възстановява заводската система.

ето преработената схема :
Прикачен файл:
sh3DRL.JPG
sh3DRL.JPG (88.18 KиБ) Видяна 5024 пъти
а за схемата за H4 трябва да има и предпазител на входящия + ,

още едно реле по същия начин паралелно на релето за дълги, и спиращо другите две релета - там "светкавицата" няма да има никакъв ефект без третото реле ...
jekasus - майстор
Поглед на противници на новия закон.
http://dadrl.hit.bg/
stanetzz - специалист
Браво, дърверните философи чак и сайт си направили...
koleva83 - специалист
stanetzz написа:
Браво, дърверните философи чак и сайт си направили...
За сметка на това НЕдървените философи сътвориха поредната законодателна недомислица. С която :
1. Ще създадат възможност на и без това корумпираните пътни полицаи да се облажат. Вместо 50 лв по фиш, 20 лв кеш и...си включваш забравените светлини / защото следващия път " ще се наказваме" :mrgreen: /
2. Ще създадат поминък на разни знаини и незнайни производители , търговци и монтажници на устройства за включване и изключване на светлините :mrgreen:
И докато през зимата включените през деня фарове имат някъв резон за повишаване на безопасността, то при яркото летно слънце , почти никаква! Та ние си слагаме колкото се може по-силни слънчеви очила, та каква конкуренция на слънцето са некви фарове...за които доста от вас си точат зъбите отсега да ги пуснат на 20-30% за икономия на ток. :mrgreen:
Значи реално си точите зъбите да отбиете номера Господа, а не да повишите безопасността.. :mrgreen:
Kumay - майстор
Дрън - дрън!
От години карам само на фарове и не съм ги забравил нито веднъж! Въпрос на навици!
Колега Колева! Светлината на слънцето няма нищо общо с фаровете!Не става въпрос да ти осветяват пътя, а да те видят отдалече, че се движиш! Като видиш автомобил със запалени светлини - знаеш, че се движи! Точно слънцето понякога си прави такива шеги със сиви или мръсни автомобили...
koleva83 - специалист
Kumay написа:
Дрън - дрън!
От години карам само на фарове и не съм ги забравил нито веднъж! Въпрос на навици!
Колега Колева! Светлината на слънцето няма нищо общо с фаровете!Не става въпрос да ти осветяват пътя, а да те видят отдалече, че се движиш! Като видиш автомобил със запалени светлини - знаеш, че се движи! Точно слънцето понякога си прави такива шеги със сиви или мръсни автомобили...
Дрън-дрън колега (не ти се чете фамилията)
На някои фаровете им светят като църковна свещ и при ярко слънце ще ги видиш почти толкова, колкото и БЕЗ пуснати фарове!
  • 1
  • 16
  • 17
  • 18
  • 19
  • 20
  • 32

Тема "Късите светлини през деня" | Включи се в дискусията:


Сподели форума:

Бъди информиран. Следвай "Направи сам" във Facebook:

Намери изпълнител и вдъхновения за дома. Следвай MaistorPlus във Facebook: