• 1
  • 41
  • 42
  • 43
  • 44
  • 45
  • 307
Съвети от майстори за майстори. Полезни проспособления и инструменти.
zec ingenering - специалист
Sasko, мноо си прав брато, идеята ти е жестока! Що не намериш некой бизнесмен и да прайте пачка!?... :idea: :idea: :idea: :)
zach_82 - специалист
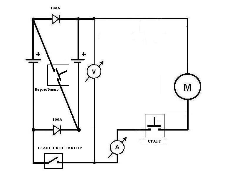
За един наистина нискобюджетен контролер ви трябват два диода, два соленоида от стартер(от автоморгата) и 2 акумулатора по 12в(за 24в) или 6 акумулатора по 6 волта(за 36в).
По-долу съм показал схемата на контролера изграден с тези елементи. Няма скъпи транзистори и загуби на мощност в контролера. С този контролер имате 2 скорости - бавна и бърза - напълно достатъчни за електровелосипед.
Двата соленоида се свързват с лостова система и жило към командите на кормилото, за да може да се управляват механично и да не се губи мощност за електромеханичното им задействане.

Прикачен файл

Shema_EV.JPG
За 36 волта, на мястото на всеки акумулатор(по схемата) се закачат по три 6 волтови акумулатора в паралел.
Shema_EV.JPG (34.48 KиБ) Видяна 7041 пъти
sasko12345 - специалист
къв бизнесмен кви работи. Аз пари си имам вие сте хората дето продавате. Аз искам да давам парите на вас а не на китайците така че побързайте с разработките за да сте преди тях.
zec ingenering - специалист
zach_82 – Контролера ти е много идеен, но ако покажеш и малко снимки на “нещото” пък и някой видео клип, ще си супер! :idea: :idea: :idea:

Между другото, тази “сложна” схема може да бъде разчетена и в четири пъти по-малък формат.
Все пак всички пишем по нещо тук и искаме то да се вижда и чете! 8-[
zach_82 - специалист
zec ingenering написа:
zach_82 – Контролера ти е много идеен, но ако покажеш и малко снимки на “нещото” пък и някой видео клип, ще си супер! :idea: :idea: :idea:
Няма проблем, ще кача някоя снимка, макар че "нещото" съм го монтирал в момента не на велосипед, а на скутер, който си сглобих саморъчно.
Това е снимка на задвижването:

Прикачен файл

DSC02513vvv3.jpg
ludiagsm - специалист
Интересно творение колега ,дай повече инфо за него ако вече си го изпробвал скорост ,пробег

някоя друга снимка :)
zec ingenering - специалист
Монтирал си го на скутер, щото на велосипед няма да можеш, или ако се пробваш все пак - ще изглежда ужасно!!! #-o

"Двата соленоида се свързват с лостова система и жило към командите на кормилото, за да може да се управляват механично и да не се губи мощност за електромеханичното им задействане."

Освен това:
1. Цената на двата 50-100А диода изобщо не е малка.
2. Загубите в тези диоди (дори да са шотки) е в много пъти по-голяма от загубите и в най-простия PWM регулатор.
3. Не коментирам загубите в контакторите (изобщо не са за пренебрегване), а това дето ще се случва с тях във времето на комутация на DC, при многократното и сравнително бавно ръчно задействане.
4. Не знам какво ще се случи на велосипеда (частите му) и на колоездача, когато от нула изведнъж подадете дори 50% мощност на един достатъчно добър (повече от 250W) DC мотор, захранван с достатъчно здрав (не полуумрял) акумулатор?!..... :lol:

Абе така като гледам, май и това лято много мераклий да карат електрички (е-велосипеди) - ще го пропуснат!!! :cry: :cry: :cry:
moci111 - напреднал
zec и твойте китайски колела ги видяхме на експото колко са български :) не се заяждаи с колегата той поне сам си го е направил макар и да не е инжинер :)
zach_82 - специалист
ludiagsm написа:
Интересно творение колега ,дай повече инфо за него ако вече си го изпробвал скорост ,пробег

някоя друга снимка :)
Това е снимка на механичното задействане на соленоида:
http://i296.photobucket.com/albums/mm18 ... C02549.jpg

Ето и видео:
http://youtu.be/haJiJjDBIL8

За диодите съм използвал такива от стар алтернатор. Те за на две плочки по 3 броя.
Свързал съм ги паралелно по три на всяка плочка - това е.

Досега съм похарчил около 50 лева, главно за стругарска работа.(Другите части ми се размотаваха из гаража)
Върви много добре, не съм го пробвал надалече още, но около 5 км минах и светодиодния ми волтметър, не беше паднал с нито едно ниво надолу.
zec ingenering написа:
Не знам какво ще се случи на велосипеда (частите му) и на колоездача, когато от нула изведнъж подадете дори 50% мощност на един достатъчно добър (повече от 250W) DC мотор, захранван с достатъчно здрав (не полуумрял) акумулатор?!..... :lol:
Точно на велосипеда е по-добре да се монтира, понеже там можеш да врътнеш един оборот СЪС педалите и чак тогава да включиш първата скорост-така че всичко да стане много плавно.
Наистина има някакви загуби в диодите на бавната скорост, но на бързата няма абсолютно никакви, а предимството контролера да ти струва почти нула - остава.
zec ingenering - специалист
moci111 Не знам защо реши, че се заяждам с колегата? Ако смяташ, че нещо от това, което съм написал е погрешно – оспори го! Просто смятам, че макар форума да се казва “направи сам” е добре да се повиши малко нивото (техническото) в обсъжданите теми или поне да се стремим към това (все пак 21-ви век е). Ясно е, че няма да ги стигнем нито американците нито китайците, ама все пак…….!

По отношение на “Българското” в моите е-велосипеди:
- BLDC контролера - проучване, разработка, сериино производство – общо около две години труд и доста финансови средства. От началото до края - нищо общо с китайските варианти. Използваме бърз процесор на Microchip, който е с универсално приложение (евтин е). Нито в хардуера, нито в софтуера няма нищо готово (копирано). Принципа на обработка на данните от мотора го писахме и променяхме в движение, много тестове на стенда в лабораторията, а после и навън. Този контролер и структурата на фърмуера му, позволяват в последствие да бъдат използвани за доста по-различни цели, като например ел-картинг или малък електромобил.
- Li-Po батерията – За да получаваш наистина качествена стока, трябва да имаш начин да я провериш. Като начало разработих тестер за Rin (вътрешно съпротивление) на отделна клетка или цяла батерия. Измерването е по стандарта AC-1kHz. По-късно сглобих и анализатор с графично представяне на основни параметри на един акум. в различни режими на натоварване. По много най-нови публикации се цитира капацитета на акумулатора във Wh, а не в по-елементарният за измерване (понякога доста неточен) метод в Ah. Идеята е да изградим линия за изработване на качествени пакети с различни параметри и предназначение тук в България. BMS – а вече е готов, но не е само това.
- Двигател – Имам доста предварителни разговори с фирми от този сектор, но винаги се опира до ефективност на инвестицията, която е свързана здраво с продажбите. Технологичен потенциал има, но за момента тук нещата не клонят към български евтин и добър хъб мотор. Разбира се, тук се произвеждат най-различни мотори.

Ако ти moci111 можеш да намериш друг “идиот” като мен, който да работи толкова време без пари и в изключително несигурна и неясна бизнес обстановка в момента, то моля те запознай ме с него за обмяна на опит и помощ. В този ред на мисли, определението “търгаши” използвано от sasko12345 в един предишен пост, звучи доста нелепо, ама той откъде да знае.
  • 1
  • 41
  • 42
  • 43
  • 44
  • 45
  • 307

Тема "Електровелосипед" | Включи се в дискусията:


Сподели форума:

Бъди информиран. Следвай "Направи сам" във Facebook:

Намери изпълнител и вдъхновения за дома. Следвай MaistorPlus във Facebook: