• 1
  • 45
  • 46
  • 47
  • 48
  • 49
  • 136
Всичко свързано с въздушния поток, който дишаме.
шоп - майстор
Boyan написа:
Проблема е , че при Т.П. вода-вода тези решения помагат в много малка степен . За това и не се считат за наложителни .

Остават рекуператор или маслен сепаратор .

Чудесно, нека поговорим за рекуператор и маслен сепаратор.

Например къде се връзват, каква роля играят и с какво допринасят за ефективната работа на една ТП

За рекуператор имам минимални познания, но за маслен сепаратор май никакви. Това маслоуловител ли е?

Смятам, че инфото ще е полезно за голям кръг от читатели.
lz2skt - специалист
Шопе,ако може един въпрос и от мен?Предполагам си водиш записки на разходите по построяването на последната ти играчка.На колко ти стъпи до сега ако не е тайна разбира се ?Поздрави
шоп - майстор
Писал съм в темата. Бюджета бе 3000 лв. Само за ТП без присъединителна арматура.

основното:
компресор 1000лв
топлообменници 2х500лв
управление, контактори, бушони, фазова защита 400лв
ТРВ, филтър дехидрататор, датчик поток 200лв

датчиците ниско и високо налягане бяха евтини, не помня, но около 20 лв и двата

200 лв за запояване, сребърен припой и фреон 2,7 кг

Рамата на ТП я направих от шините на две стари пружини за креват:-)

Това е.

Потопяемата помпа ( 550лв) не я броя, защото си я имах и я ползвам за хидрофор. 100% съм скъсал с ВиК София.

Циркулационната помпа ( 200лв) също не я броя, защото бе налична и във всяка ОИ я има.

Фитинги за присъединяване също не ги броя, макар, че ползвах само неръждавейка и месинг и хич не са евтини, особено филтрите.

Дано съм бил полезен и изчерпателен.
6osi6 - майстор
шоп написа:
Чудесно, нека поговорим за рекуператор и маслен сепаратор.
http://en.calameo.com/books/0042419711e7d00ce7092

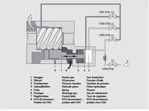
Мисля, че масления уловител се слага при регулиране на мощността :? Производителят го дава във всички схеми. Само че, за това трябва да имаш подходящо управление.
Долу в схемата пред компресора.
Прикачен файл:
IC205DEVO.JPG
И управлението с регулиране в три степени, 50, 75 и 100%.
https://www.dixell-emerson.pl/upload/up ... _rev10.pdf
Има работа на компресора в тип "звезда" и "паралелно".

Само че, в "Бг" няма кой да го настрои-програмира. Но за "настрой си сам" предполагам, че не е трудно, ако се чете внимателно. Доста функции отпадат. Има и съвместно ползване на соларни панели, но по схемата горе с буфер.
шоп - майстор
6osi6 написа:
И управлението с регулиране в три степени, 50, 75 и 100%.

Как управление ще регулира ТП, която не е инверторна и само с един компресор?
Ahmakov - специалист
Много лесно. Ето ти даже с 25, 50, 75 и 100%. Само с 4 ел.магнитни вентила. Има само една подробност, компресора трябва да е друг тип....

Прикачен файл

3.jpg
3.jpg (58.87 KиБ) Видяна 1541 пъти

Прикачен файл

2.jpg
2.jpg (37.75 KиБ) Видяна 1541 пъти

Прикачен файл

1.png

Прикачен файл

172412.jpg
172412.jpg (41.44 KиБ) Видяна 1548 пъти
6osi6 - майстор
Шопе, инструкцията пише, че регулацията е само за винтови компресори, както горе пише Азманов.
За инсталация с мощност 30kW можеш да регулираш 4 степени, ако се поставят4 компресора на един кръг и управлението ги включва според консумацията.
По-подходящата комбинация в случай като твоя - 30kW, са два компресора, един обикновен 15kw и един ZBD 16 kW. Управлението ги комбинира и работи като многостепенно. Има и регулиране по външна температура, само че се настройва с допълнителна екстра - дисплей.
шоп - майстор
Важна подробност!

Все пак доста екзотично ако някой си направи ТП с винтов компресор :-D

Не съм спец, но това май е винтов компресор, нали?

Очаквам пректичен отговор ТП с един спирален стар/стоп компресор как може да се регулира на 50 и 75% от мощността си без променяне на честотата.

Не познавам такова управление.

Може би за в бъдеще ще се разработят и компресори с променлива геометрия на спиралата по подобие на турбо с променлива геометрия...кой знае.
6osi6 - майстор
Имаш отговор :-D - един кръг 4 компресора.
Има и функция за ограничаване на работата при затопляне на битова вода. Може да включи допълнително само един компресор, вместо всичките 4.
шоп - майстор
:-D
не вярвам някой решил да си прави сам ТП да рискува дори с два компресора да я направи...пък с 4:-))) Ужас!

Според мен става много сложно. Трябва да се мисли за доста работи, всички компресори да са на едно ниво... да се мисли за мазането.... ТРВ или ЕТРВ... абе много неизвестни и подводни камъни.


Между впрочем някои хора нямат избор и 2-3 или повече маломошни компресора е решение при монофазно захранване за да няма примигване на лампите от пусковият ток. Просто конкретика.

При мен има двойнотарифен трифазен ток с главен предпазите 63А и не е имало място за чудене.
  • 1
  • 45
  • 46
  • 47
  • 48
  • 49
  • 136

Тема "Термопомпи Вода-Вода - всеки може да си направи сам" | Включи се в дискусията:


Сподели форума:

Бъди информиран. Следвай "Направи сам" във Facebook:

Намери изпълнител и вдъхновения за дома. Следвай MaistorPlus във Facebook: